#13 fuse inside the junction box keeps blowing?

2000 DODGE RAM
235,500 MILES • 5.9L • V8 • 4WD • AUTOMATIC
Avatar
ROBIN JOHNSON
  • MEMBER
  • 5 POSTS
I moved my exterior side mirrors, then all of a sudden, I didn't have my vanity lights, dome light, cargo light, nor my radio. Also, I could no longer move mirrors electronically. Checked the fuses and the power door locks fuse was blown. So, I replaced the fuse, and it blew again. It's the #9 10-amp fuse. I can't figure out why it's blowing out.
May 9, 2023 at 6:42 PM
Advertisement
Avatar
CARADIODOC
  • CAR REPAIR CONTRIBUTOR
  • 34,308 POSTS
I'm coming up with something different. Is that fuse inside or under the hood? The first two drawings are for the Power Distribution Center, (PDC), under the hood. It shows there is no fuse # 9. The last two drawings are for the Junction Box. That's the fuse box inside. That fuse is listed as turning on with the ignition switch, which interior lights do not do.

Tell me if my arrows are pointing to a fuse you're looking at. I'm working on the diagrams for the circuits you listed. In the meantime, you might consider looking at the wires between the driver's door hinges. Pull the rubber boot back and look for any wires that are broken or frayed, and may be touching.
May 9, 2023 at 7:24 PM
Advertisement
Avatar
ROBIN JOHNSON
  • MEMBER
  • 5 POSTS
I apologize, I gave the wrong fuse number. It's #13 inside the junction box. I'll check wires as you indicated and get back to you.
May 9, 2023 at 11:15 PM
Avatar
ROBIN JOHNSON
  • MEMBER
  • 5 POSTS
This is the fuse.
May 9, 2023 at 11:17 PM
Avatar
ROBIN JOHNSON
  • MEMBER
  • 5 POSTS
I checked the wires inside the boot at door. They all look good. I did notice that inside the door panel some of the wires for the speakers are just clipped off at the connector with no tape or anything on them. Should I tape those off?
May 10, 2023 at 12:34 PM
Avatar
CARADIODOC
  • CAR REPAIR CONTRIBUTOR
  • 34,308 POSTS
Dandy. Fuse 13 makes more sense. Don't worry about the speaker wires for now. Electrical tape shouldn't be used in cars and trucks. It will unravel into a gooey mess on a hot day.

This should be easier to find since it isn't intermittent meaning we have to wait for the short to act up. Here's a trick to let you work in the circuit without wasting a lot of replacement fuses. Replace the blown fuse with a light bulb. A 3157 brake light bulb works well. It will allow up to one amp of current to flow, so the circuit will still be protected. When the short is present and the circuit is powered up this way, the bulb will be full, normal brightness, and hot, so be careful that it isn't laying on something that will melt or burn. When you do something to remove the short, the bulb will get dim or go out, and the circuit will resume trying to work, but the bulb may limit current too much. In that case you can substitute a head lamp bulb. Those will allow around five amps to flow. When the short reappears, the circuit and wiring will still be protected as current won't go over five amps.

The procedure starts with drawings # 1 and 2 showing a typical fuse box. Drawing # 3 shows the needed items, a bulb, two clip lead / jumper wires, and two universal crimp-type spade terminals. Those terminals must not be fatter than the terminals on the fuse so as to not spread those terminals in the fuse box. That can lead to intermittent connections in the future. If your car uses an older round fuse, just attach the clip leads directly to the fuse box terminals. then there's no need for the spade terminals.

In drawing # 4, the terminals have been plugged into the fuse socket terminals, again, if that's the type of fuses you have. In # 5, the clip leads are attached, and in # 6, the bulb finishes this up.

This fuse is live all the time, so expect the bulb to be full brightness as soon as you make the final connection. That bright bulb shows there's a short further down the line. Nowyou can start doing things to see what makes the short go away. That could include removing relays, unplugging connectors, wiggling or moving wiring harnesses around, and even opening and closing the doors. You've already looked at the wires running between the driver's door hinges. Those can become frayed or broken by the other doors too. Some bare wires could touch each other creating the short. The clue there is the test bulb will likely flicker bright and dim as the door is moved and the wires shift positions.

This trick can be used at a relay socket too. That can allow the circuit to be powered up without regard to turning on the ignition switch or waiting for a computer to turn on that relay.

The bulb I usually use is a very common 3157 rear brake light bulb. The flat base is easy to attach wires to. For the clip leads, you can find a pack of ten or twelve at Harbor Freight Tools for around $4.00. You should be able to find them at any hardware store too. To buy the spade terminals you typically have to buy a box of up to 50. Instead, ask any hobbyist friend or a mechanic. Mechanics often have some laying around in their tool boxes.

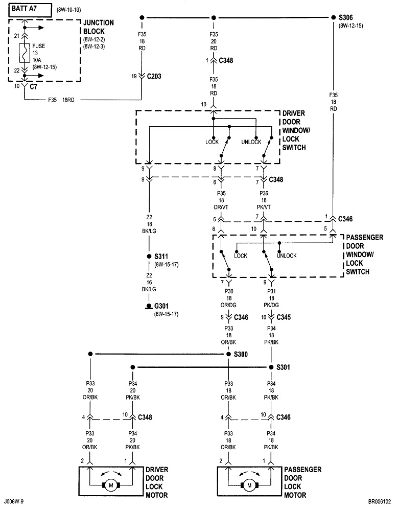
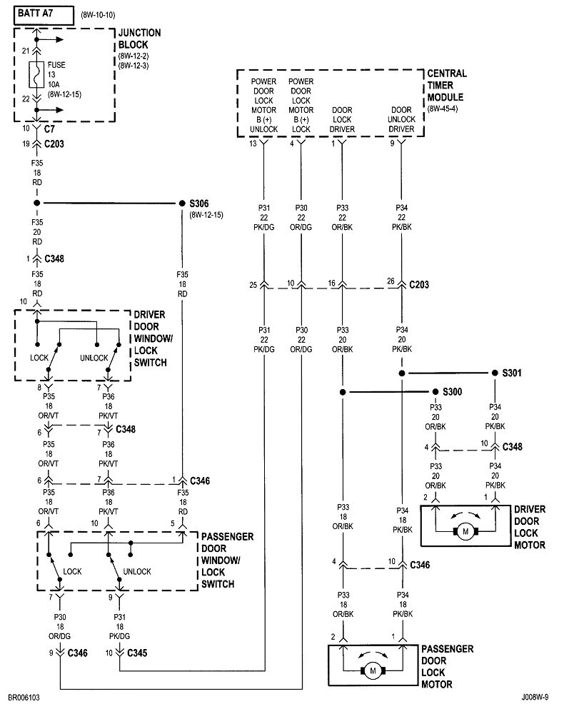
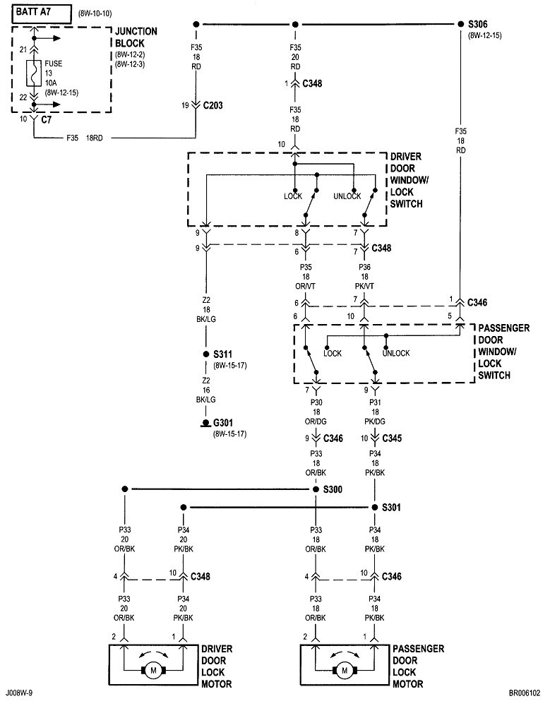
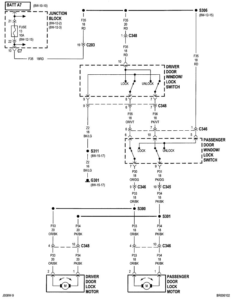
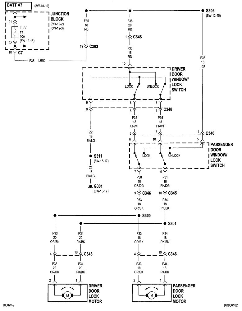
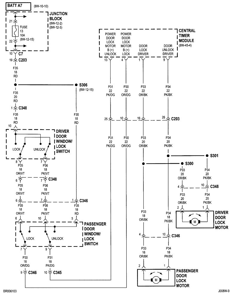
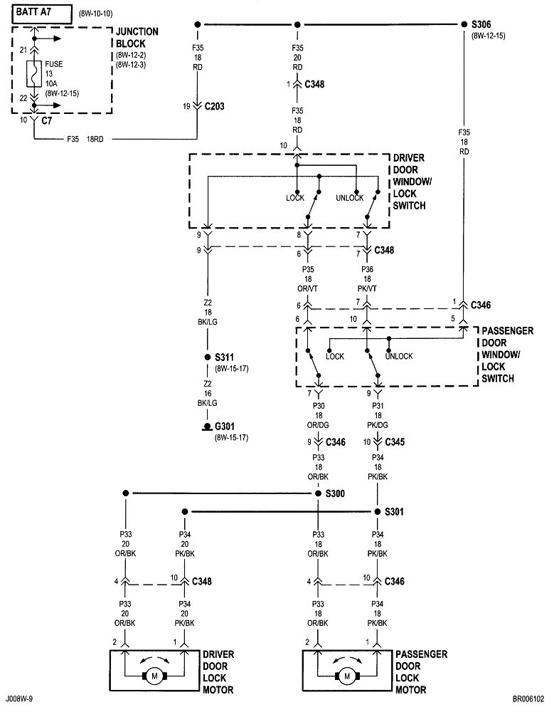
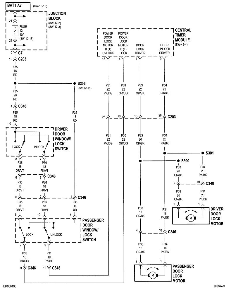
The seventh and eighth diagrams are for two versions of the power lock circuit with fuse # 13 shown at the top. When the test bulb is full brightness, press each lock switch one way, then the other way to see if any of those make the bulb dim. If it does, tell me which switch and which way. If your truck uses a Central Timer Module, unplug that too. It's behind the lower cover of the dash near the steering column. The last two images are for that module. I'm probably getting ahead too much, but this should keep you busy until I get back tomorrow.

When you have multiple dead systems, it's easiest to just pick one to start with. Often that leads us to the other ones later. In this case the radio is involved with the Central Timer Module along with the door locks and some other systems. That module may start the other circuits working again once we find and remove the short.
May 10, 2023 at 7:48 PM
Repair Safety Notice: This information is for general instructional purposes only. Vehicle repair can be dangerous. Verify all information, follow manufacturer service procedures, use proper tools and safety equipment, and consult a qualified repair shop when needed.