Friday, February 2nd, 2018 AT 1:23 PM
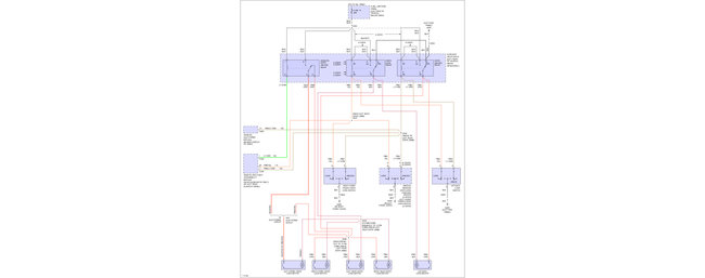
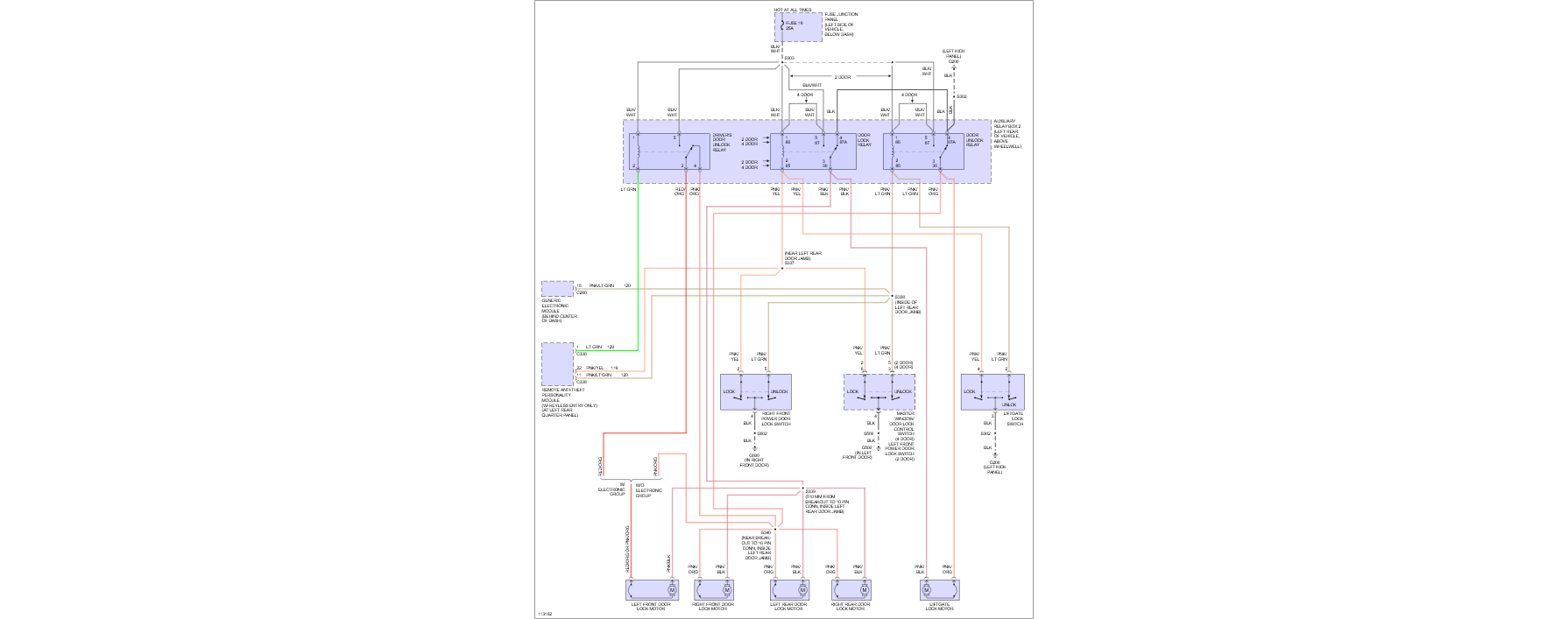
The fuse for the all doors relays keeps on blowing. That is fuse #18 in the fuse box next to the steering wheel. I have not done any work on my vehicle lately so I do not know why the door fuse keeps on blowing every time I use my alarm remote or the door buttons.





