Fuel temperture sensor

Tiny
NELLYJR
  • MEMBER
  • 2002 NISSAN SENTRA
  • 1.8L
  • 4 CYL
  • 2WD
  • AUTOMATIC
  • 13,200 MILES
I had this code came up p0183 fuel temperature sensor high input. So I change the fuel pump and housing brand new but before that I went to the junk yard and got one so I changed that one two so it cannot be both. I think it is electrical because it change from fuel temperature sensor to fuel level sensor I played with the main plug to the fuel pump housing and it went back to the fuel temperature sensor.
Saturday, September 24th, 2016 AT 5:15 PM

3 Replies

Tiny
AL514
  • MECHANIC
  • 5,584 POSTS
The fuel temperature sensor is located in the tank next to the fuel pump, it is part of the EVAP system. If you messed around with the wiring harness plug on top of the tank and got a different code, which is related. Such as the fuel level sensor which is also located in the tank. It sounds like you have a lose harness plug or problem with the plug at the top of the tank. The temperature sensor is actually part of the fuel level sensor. So your problem is in that area, check the harness plug and wires, make sure they have not gotten corroded and that the pins are making good contact on top of the fuel tank. Also check the black wire there, that is the ground wire for the pump and sending unit.
Was this
answer
helpful?
Yes
No
+1
Saturday, September 24th, 2016 AT 10:35 PM
Tiny
NELLYJR
  • MEMBER
  • 2 POSTS
I checked the plug on top of the fuel pump everything looks okay. Is there anywhere else I can look?
Was this
answer
helpful?
Yes
No
+1
Sunday, September 25th, 2016 AT 5:56 AM
Tiny
AL514
  • MECHANIC
  • 5,584 POSTS
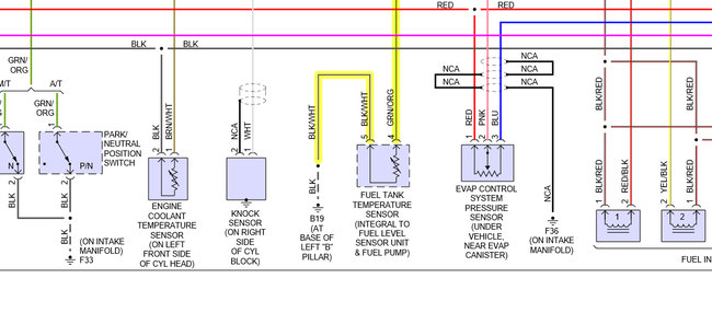
As you can see in these 2 wiring diagrams, both the the fuel temp sensor and level sensor are integral together in the tank with the fuel pump, the fact that you messed with the plug on top of the tank and your code changed to the temp sensor leads me to believe you're real close to where the problem is. I agree its an electrical problem, but somethings going on with that plug or harness near it. Highlighted in yellow on the diagram is the ground wire which is shared by the pump, level sensor. The temp sensor ground goes to the same place also, the B19 ground location. Its a blk/wht wire that turns blk and goes to body ground. I would really check that harness plug again. A wiggle test of wires and plugs can find your problem. Try putting some dielectric grease on the plug. Erase the codes and wiggle that plug again with the engine running on atleast KEY ON, if you can and see what code comes back. The temp sensor is for measuring pressure in the tank to make sure there are no vapor leaks, I would still concentrate your efforts on the top of tank where that plug is, did you get the cover for the pump to seal correct when you changed it out also? Remember that ground wire too, its the black wire on the harness plug.
Was this
answer
helpful?
Yes
No
+3
Tuesday, September 27th, 2016 AT 12:33 AM

Please login or register to post a reply.