After filling up my tank, gas overflows under the car?

Tiny
CSNDOPKE
  • MEMBER
  • 2001 BUICK CENTURY
  • 100,000 MILES
This has happened at three different gas stations, so I know it is not the nozzle. I don't know if a sensor is broken, a seal is cracked, etc. My husband says just don't fill it all the way up. What would cause this?
Wednesday, March 8th, 2023 AT 12:25 PM

7 Replies

Tiny
JACOBANDNICKOLAS
  • MECHANIC
  • 110,192 POSTS
Hi,

There are a few things it could be. I have questions. Does it leak while filling it or does it leak when it reaches full? Does the engine need to be running for it to leak? By chance, is the check engine lamp staying on when the engine is running?

Sorry for so many questions. It could be a filler tube, the fuel pump module gasket, a rust hole in the top of the tank, or even a fuel line.

Let me know.

Joe
Was this
answer
helpful?
Yes
No
Wednesday, March 8th, 2023 AT 7:27 PM
Tiny
CSNDOPKE
  • MEMBER
  • 5 POSTS
Hi Joe. The tank leaks (gushes out) after it reaches a full tank. There are no leaks when the engine is running. The check engine lamp has been on for many a moon and occasionally goes off. I think that's more of a panel thing vs. Alerting me for the gas thing.
Was this
answer
helpful?
Yes
No
-1
Friday, March 10th, 2023 AT 10:22 AM
Tiny
JACOBANDNICKOLAS
  • MECHANIC
  • 110,192 POSTS
Hi,

If I had to guess, either the tank is rusted through, or the top of the fuel pump module is bad. I also bet the check engine light is related to the evaporative emissions system (EVAP) due to the leak.

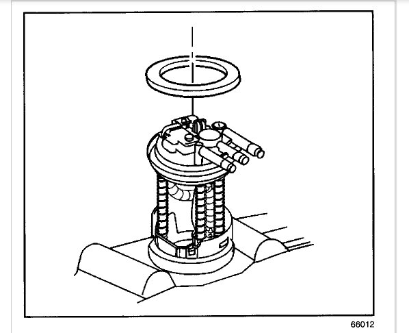
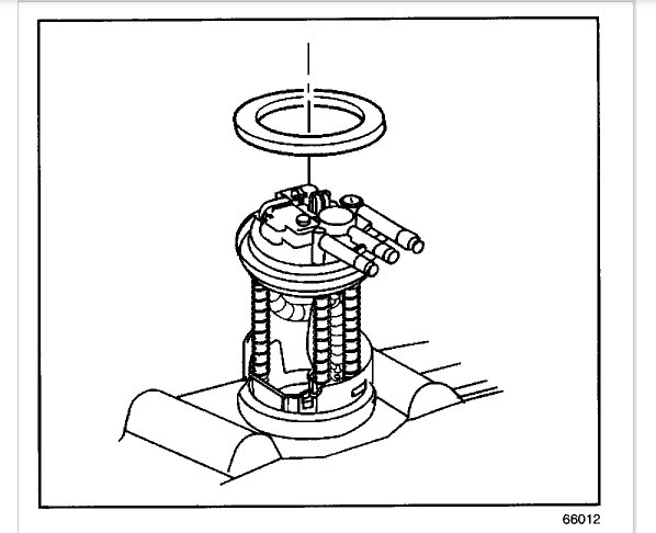
At this point, which needs to be inspected. There is an access port under the rear of the vehicle (trunk area). We need to remove that so you can see down inside and determine where the leak is coming from. There is also a rubber gasket that is used to prevent leakage where the pump assembly meets the tank. That could be faulty as well.

I attached the directions below for removing the fuel pump assembly. You need to at minimum access it so it can be checked.

I attached the directions below. Let me know if this is something you feel comfortable performing.

Take care and let me know.

Joe

See pics below. Note: the directions are for the replacement of the assembly. You may not need to do that, but that is the only way I have the directions to access it.
Was this
answer
helpful?
Yes
No
Friday, March 10th, 2023 AT 9:41 PM
Tiny
CSNDOPKE
  • MEMBER
  • 5 POSTS
Hi Joe. My apologies for forgetting to respond to you. I agree with the possibilities that may be causing the overflow. Fuel pump module/filler tube/fuel line/assembly gasket. Right? I'm from Chicago and I don't think it's rust. I appreciate the confidence from you that I may have been able to do this, however, that's why God put men on earth. I have a local mechanic down the road who has worked on my gal before. I will share your diagnosis with him. Unless my husband now wants to be the hero at the eleventh hour. Men. Thanks for all your help, Joe.
Was this
answer
helpful?
Yes
No
Friday, March 17th, 2023 AT 9:15 AM
Tiny
JACOBANDNICKOLAS
  • MECHANIC
  • 110,192 POSTS
Hi,

LOL no need to apologize and just to let you know, I enjoyed your response. I needed a good laugh.

If you have a chance, could you let me know what is found? I am interested and your response will likely help others.

Also, don't they use salt in Chicago when the roads are bad? I'm in Pittsburgh and rust is all we know. LOL

Let me know.

Joe
Was this
answer
helpful?
Yes
No
Friday, March 17th, 2023 AT 8:32 PM
Tiny
CSNDOPKE
  • MEMBER
  • 5 POSTS
Hi Joe. Well, Mr. Eleventh Hour is on the job. He says it's the fuel pump seal. He has taken out my back seat to access the pump. After looking at it, the pump is a little "shifted" and not centered to pull out and replace the seal. I can see the separation of the seal and the shift of the pump. I told him that's probably why you suggested getting to it from underneath and he didn't take to kindly to my suggestion. Now he is talking about having to cut part of the plate out to get to the pump. I walked away, hence, the update note to you. Suggestions?
Was this
answer
helpful?
Yes
No
Thursday, March 23rd, 2023 AT 1:15 PM
Tiny
JACOBANDNICKOLAS
  • MECHANIC
  • 110,192 POSTS
Hi,

This is interesting. The access port is designed to replace the pump. When the retainer is removed, the pump will spring upwards. Is it possible that it is going up at an angle?

Let me know.

Joe
Was this
answer
helpful?
Yes
No
Thursday, March 23rd, 2023 AT 4:41 PM

Please login or register to post a reply.