HOME
ASK A QUESTION
REPAIR GUIDES
BECOME A MEMBER
LOG IN
Login with Facebook
OR
Remember me
NOT A MEMBER?
FORGOT PASSWORD?
CONTACT US
PRIVACY POLICY
TERMS AND CONDITIONS
☰
Home
Honda
Accord
Fuel System
Fuel Filter
Replace/Remove
Where is the fuel filter located?
17DAMSR2F3
MEMBER
2008 HONDA ACCORD
200,000 MILES
Location of the fuel filter?
Saturday, September 21st, 2024 AT 3:59 PM
1 Reply
KEN L
MASTER CERTIFIED MECHANIC
55,499 POSTS
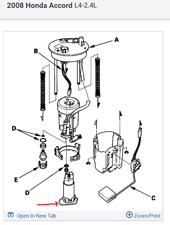
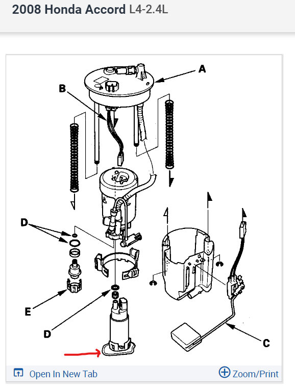
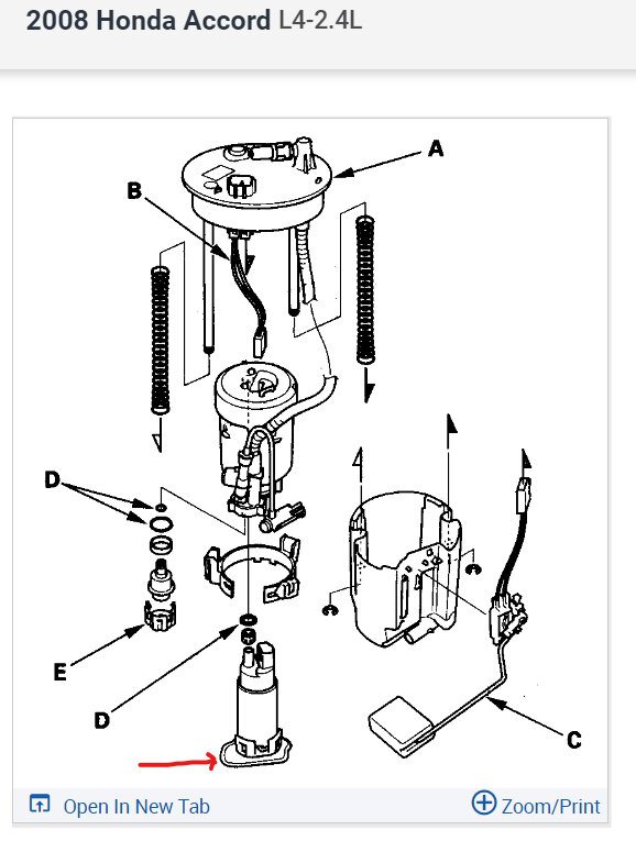
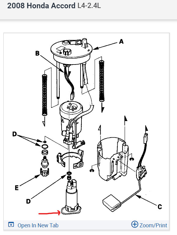
The fuel filter is inside the fuel tank at the end of the fuel pump, they now refer to it as a strainer. Check out the images (below). Let us know if you need anything else.
Image (Click to make bigger)
Was this
answer
helpful?
Yes
No
Sunday, September 22nd, 2024 AT 10:51 AM
Please
login
or
register
to post a reply.
Related Fuel System Fuel Filter Replace/Remove Content
Fuel Filter Location And Replacement?
The Owners Manual Does Not Indicate When To Change The Fuel Filter. Does This Car Have A Fuel Filter And If So, Where Is It Located And How...
Asked by
yellowpony
·
18 ANSWERS
7 IMAGES
2003
HONDA ACCORD
Fuel Filter Replacement?
I Have A 1999 Honda Accord Lx 2.3. Im Needing To Locate The Fuel Filter. Its Not On The Driver Side Firewall, Nor Passanger Side Either....
Asked by
Anonymous
·
20 ANSWERS
10 IMAGES
1999
HONDA ACCORD
Fuel Filter?
I Have A 1993 Honda Accord 10th Anniversary And I Want To Know Where The Fuel Filter Is Located.
Asked by
KIMC123
·
14 ANSWERS
1 IMAGE
1993
HONDA ACCORD
2008 Honda Accord Wrong Fuel
Hello There. I Accidentally Pumped 15 Liters Of Unleaded Into A 60 Litre Capacity Diesel Fuel Tank. I Managed To Drive The Car Home The...
Asked by
Dogchubster
·
1 ANSWER
2008
HONDA ACCORD
Gas Odor In Cabin
There Is A Strong Odor Of Gasoline Inside The Cabin And Outside Of The Car After I Start It In The Cold. It Has To Be Pretty Cold (ie...
Asked by
Rysieks
·
21 ANSWERS
1 IMAGE
2002
HONDA ACCORD
VIEW MORE
Ask a Car Question. It's Free!
Replace Fuel Filter Chevrolet S-10
Fuel Pump Pressure Test
Tune up