Thursday, August 11th, 2022 AT 4:53 AM
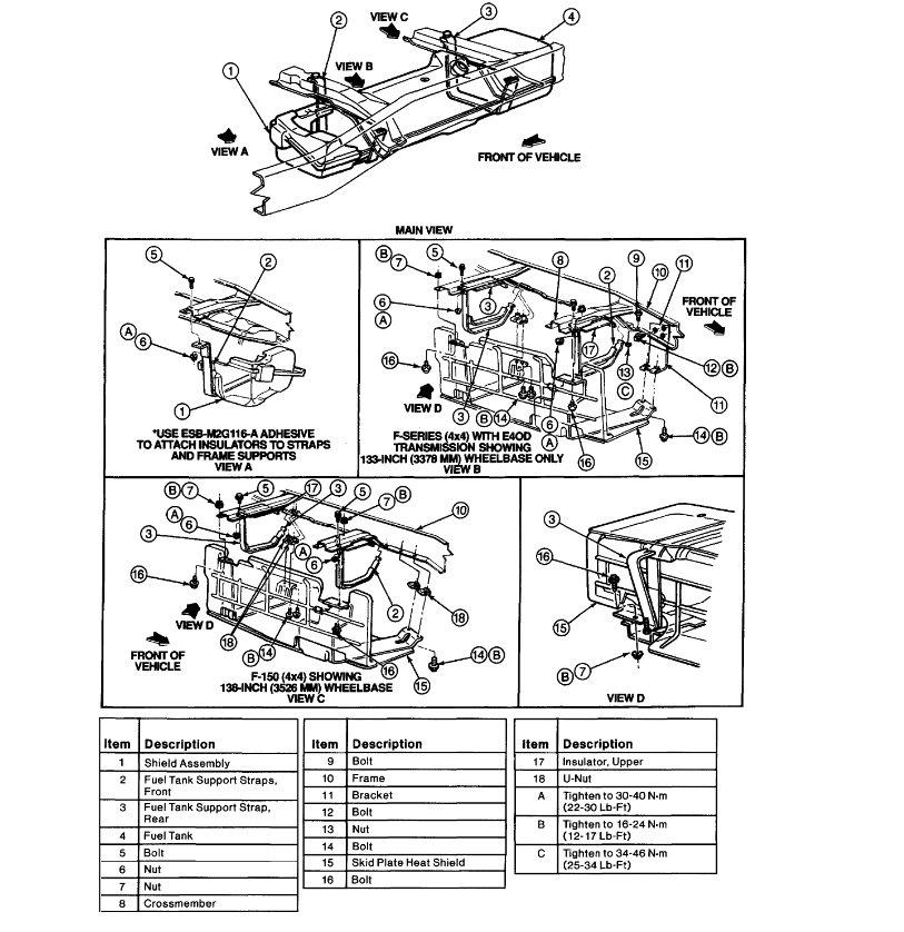
Hello, I was curious if the truck listed above, ext cab 8’ft bed with dual tanks uses a selector valve to switch from tank to tank because I do not see one. Also, was curious if anyone has a diagram of fuel line routing? Thanks


