Fuel system?

Tiny
RICK MAHER
  • MEMBER
  • 1990 FORD RANGER
  • 2.9L
  • 6 CYL
  • 2WD
  • MANUAL
  • 190,000 MILES
I had a blow out on the driver's side where existing wires were exposed from a previous accident before I purchased this vehicle. In the blow out it grabbed some wires and pulled other out and tore apart. The truck has plenty of power just won’t start as if there is no gas. I don’t know what wire goes to what etc. It’s not the inertia switch. I could really use some help. Can’t afford a mechanic at this time.
Thank you.
Wednesday, April 5th, 2023 AT 2:03 AM

1 Reply

Tiny
BRENDON S
  • MECHANIC
  • 653 POSTS
Good morning, RICK MAHER,

If you spray some starting fluid in the throttle body, does it start?

When you turn the key on engine off do you hear the fuel pump energize?

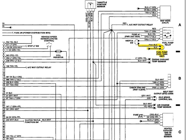
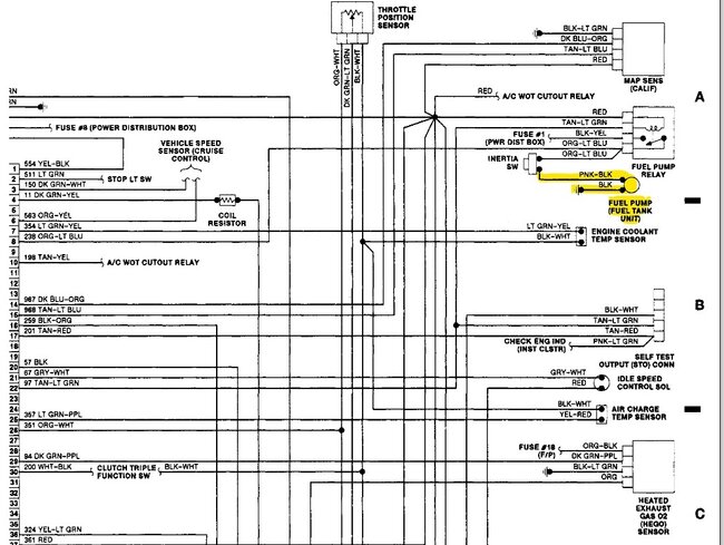
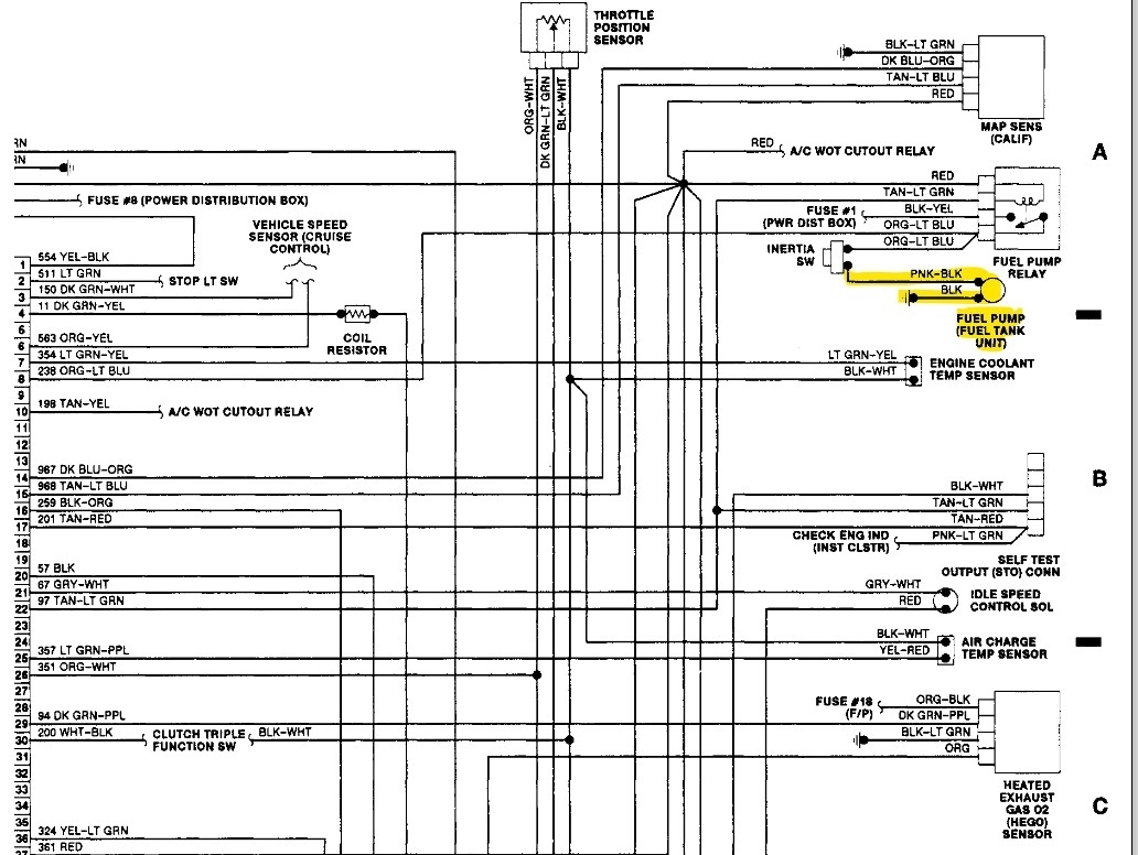
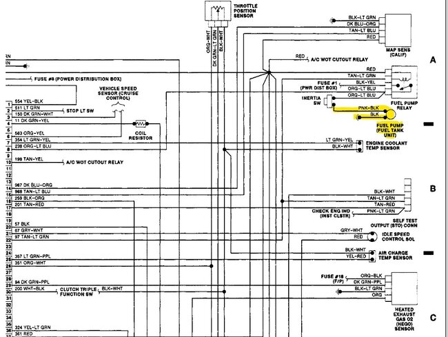
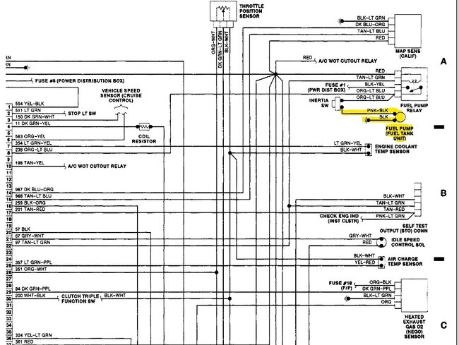
I am including a wiring diagram for you showing the fuel pump wiring. Unfortunately, the year of your vehicle gives me very limited information from my service manual, but I will do my best to help you.

I would check for power using a test light and a known good ground on the pink wire with a black tracer/stripe on it. Do this with the key in the run position. Test it first at the pump. Does test light illuminate? If not go your inertia switch (I believe is by your clutch pedal on the firewall and check for power the same way again on the pink wire with black tracer. Do you have power there?

Thank you,
Brendon
Was this
answer
helpful?
Yes
No
Wednesday, April 5th, 2023 AT 9:08 AM

Please login or register to post a reply.