Where are the circuit opening relay and inertia switch located?

Tiny
PAPERMIKE
  • MEMBER
  • 1986 MAZDA B2600
  • 2.6L
  • 4 CYL
  • 4WD
  • MANUAL
  • 160,000 MILES
Fuel relay and fuel pump test. Where are the circuit opening relay and inertia switch located?
Thursday, January 12th, 2023 AT 8:56 AM

1 Reply

Tiny
KEN L
  • MASTER CERTIFIED MECHANIC
  • 55,281 POSTS
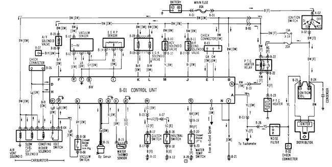
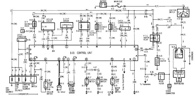
I do not see a circuit opening relay or an inertia switch. Here are the engine control wiring diagrams so you can see for yourself. Can I ask where you found this information?
Check out the images (below). Please let us know what happens.
Was this
answer
helpful?
Yes
No
Thursday, January 12th, 2023 AT 5:39 PM

Please login or register to post a reply.