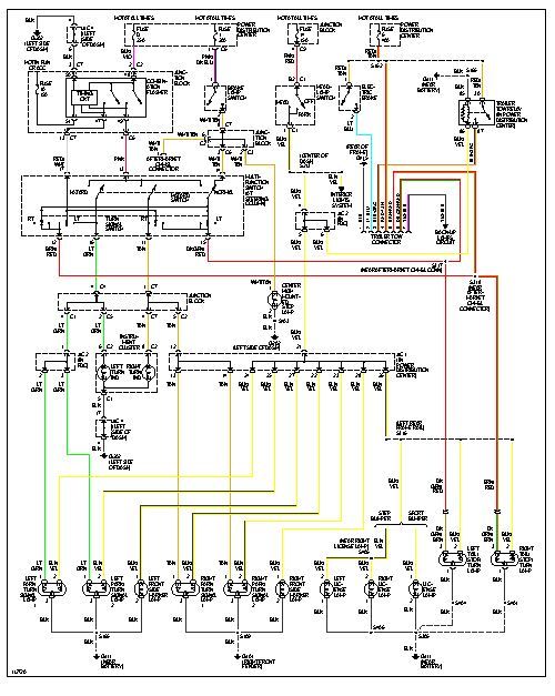
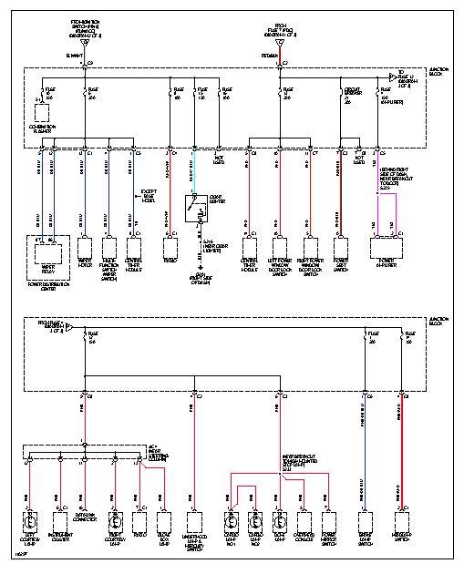
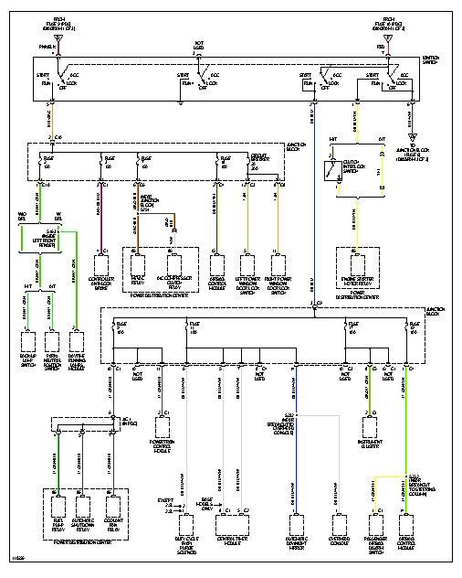
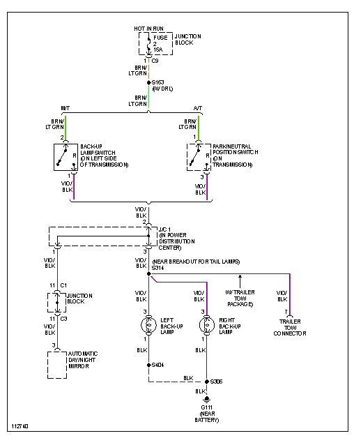
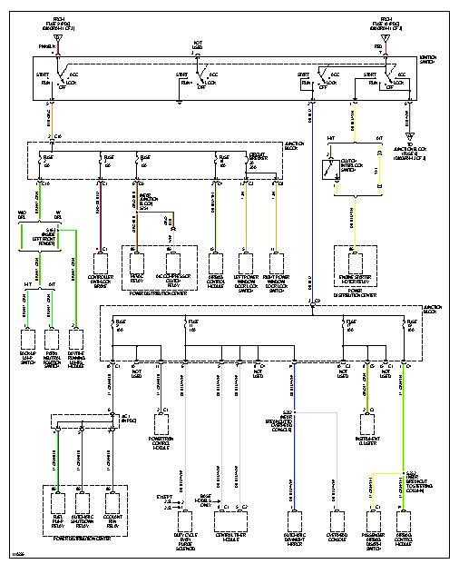
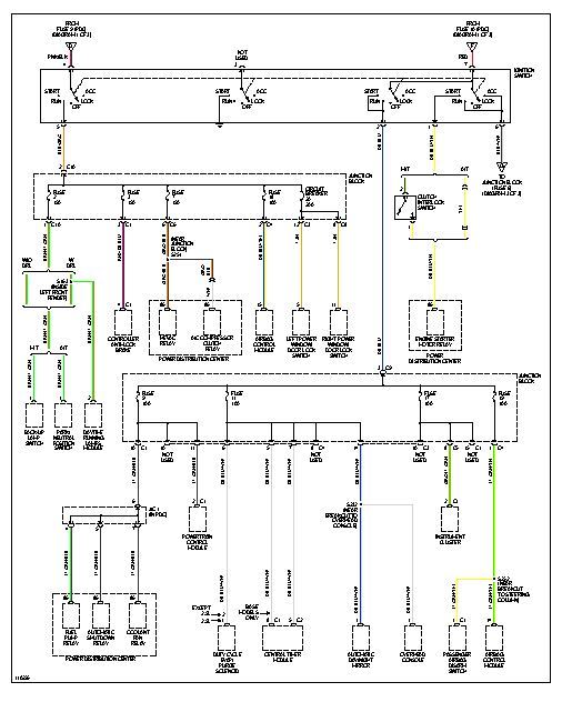
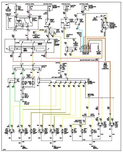
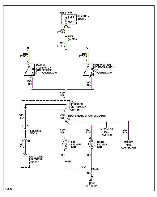
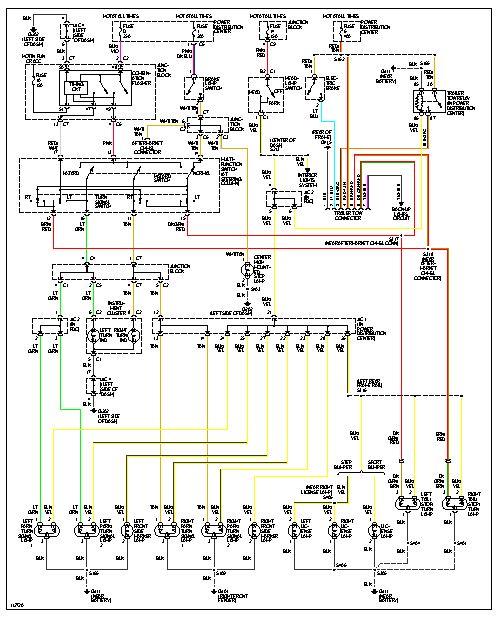
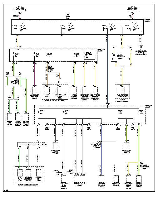
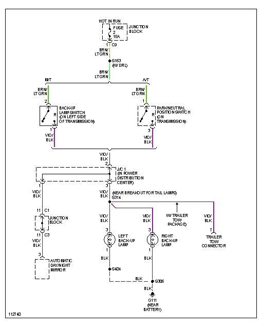
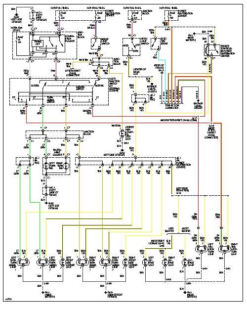
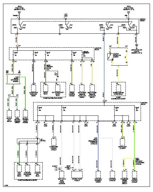
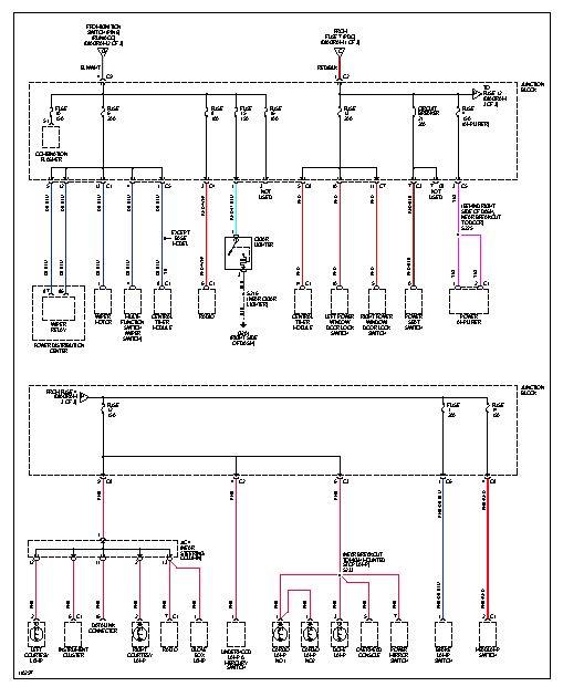
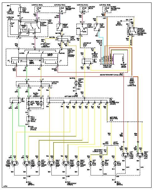
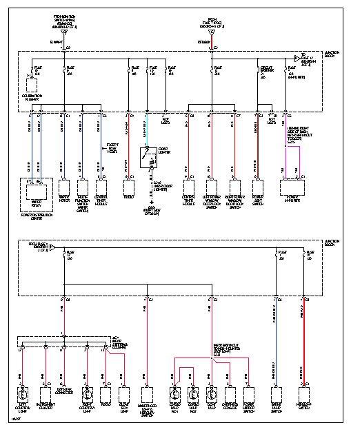
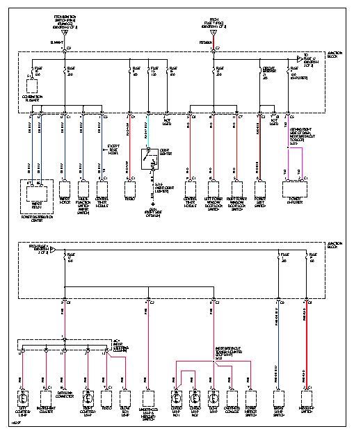
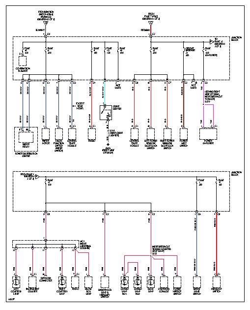
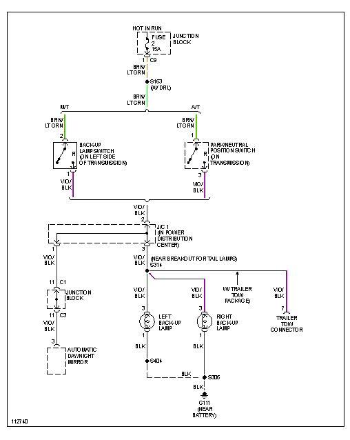
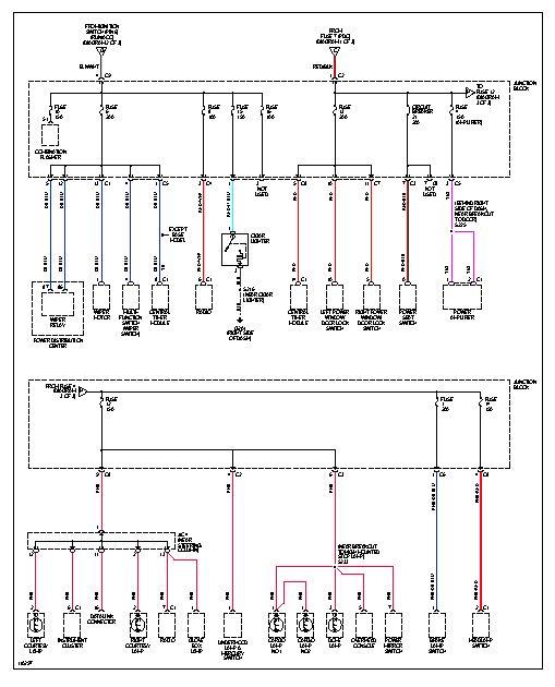
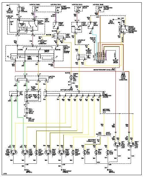
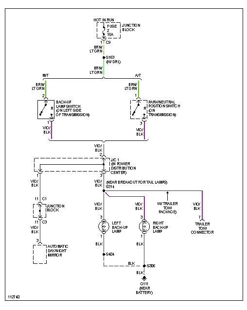
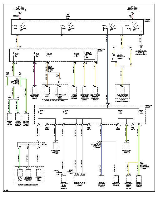
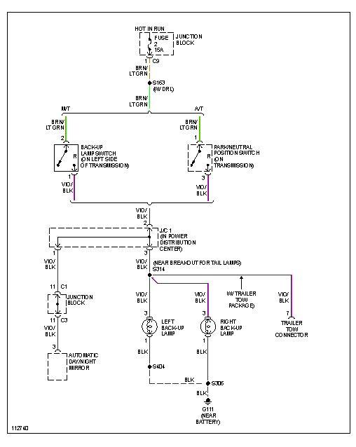
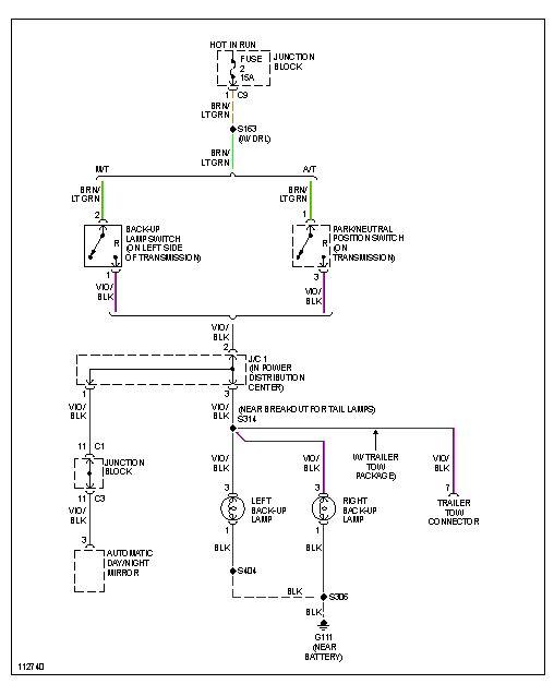
Dodge set the bed of the truck on bundle of wires going back. I would like a diagram for fuel pump,gas guage and lights. I plan on elimating all nonessential wiring. To look at the bundle there are over twice as many as needed. Thankyou
Aug 17, 2013 at 6:23 AM








