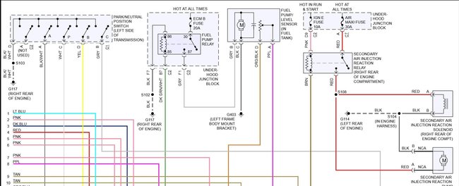
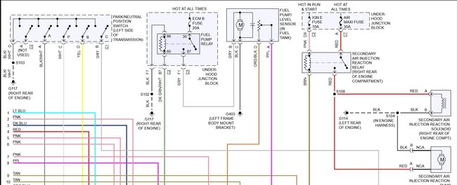
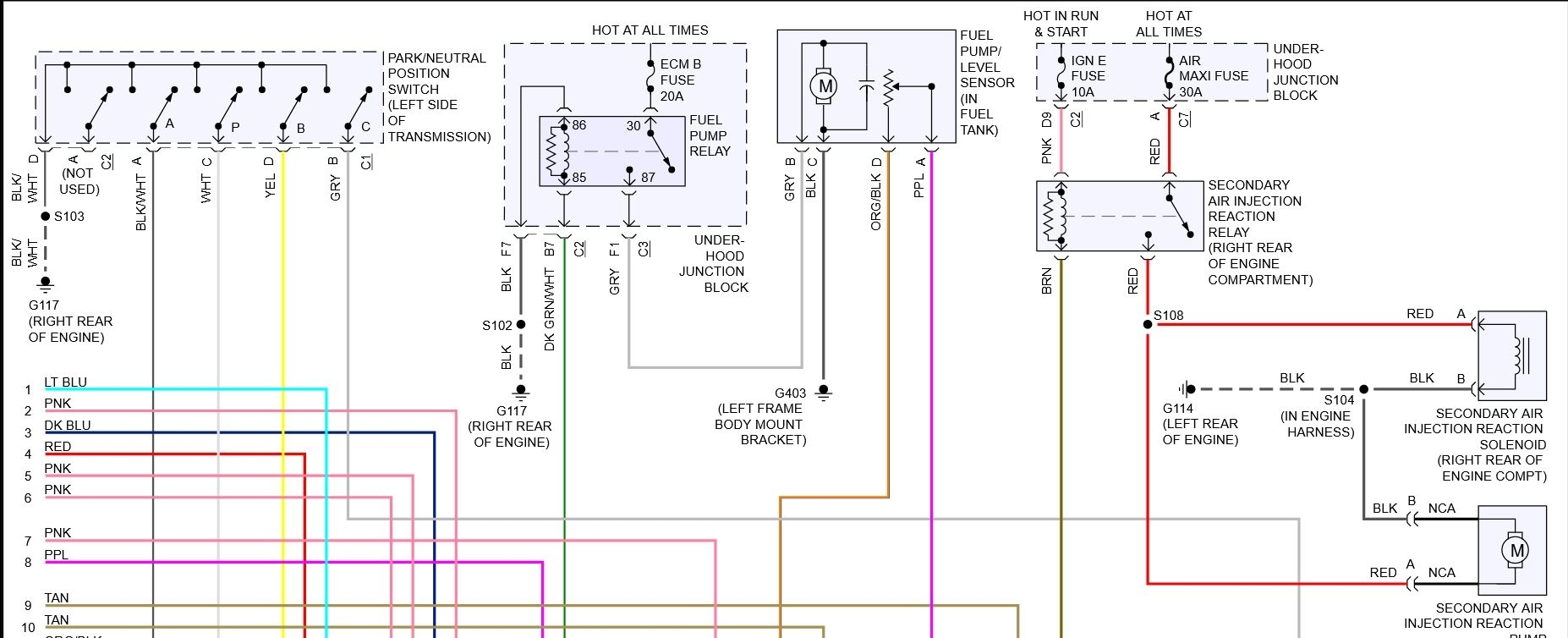
Friday, December 6th, 2019 AT 3:57 PM
Has gas, has power, has good relay, and new pump. Won’t start or pump gas. Just driving down the road and it just stopped running. Any ideas?



