Sunday, April 9th, 2023 AT 8:53 AM
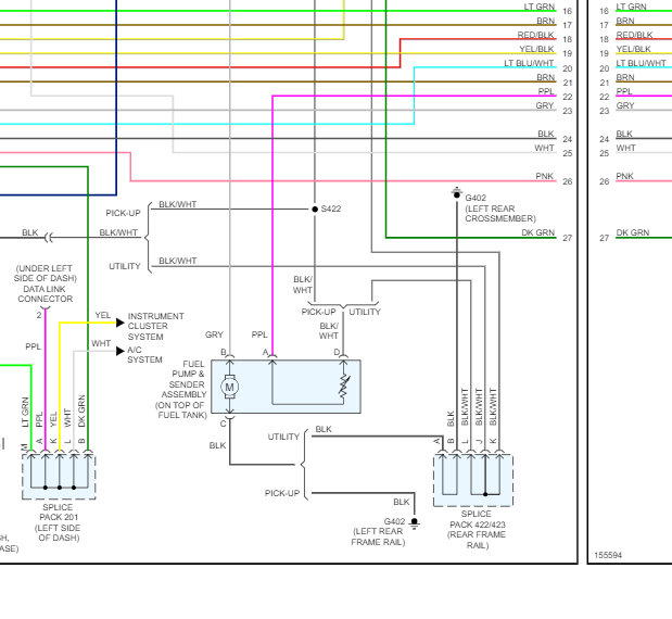
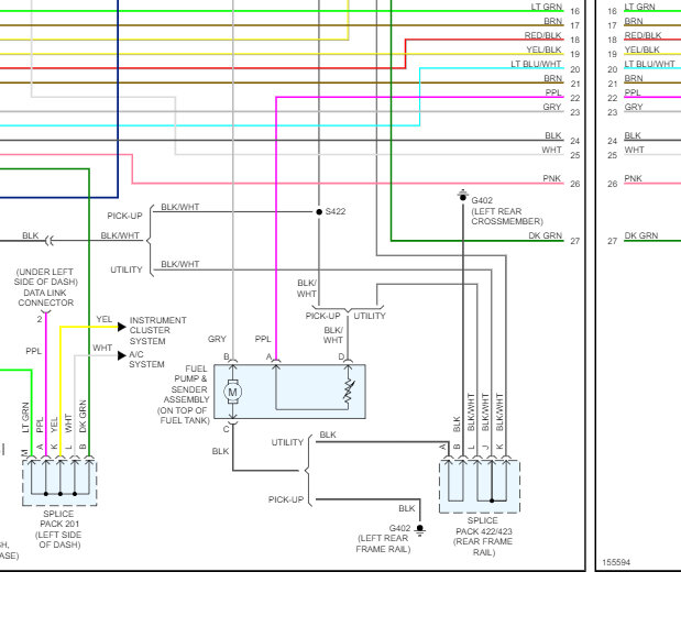
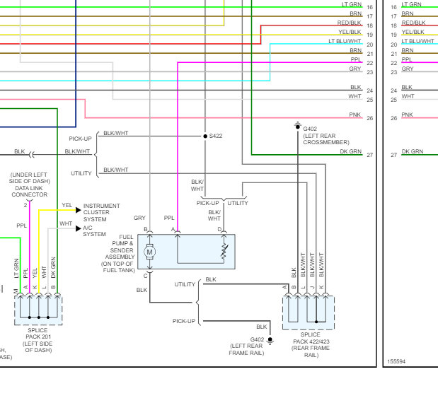
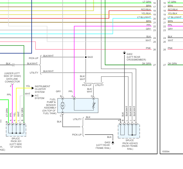
I'm wiring up a new fuel pump and I got to plug up a 1999 GMC Jimmy and the wiring colors don't match up to my 2002 Chevrolet S10 pickup. I was wondering if anybody could help me. The colors on the truck are black and orange, gray, purple, and black and then all my new plug or gray, purple, black, and black and white.



