Saturday, June 22nd, 2019 AT 8:18 AM
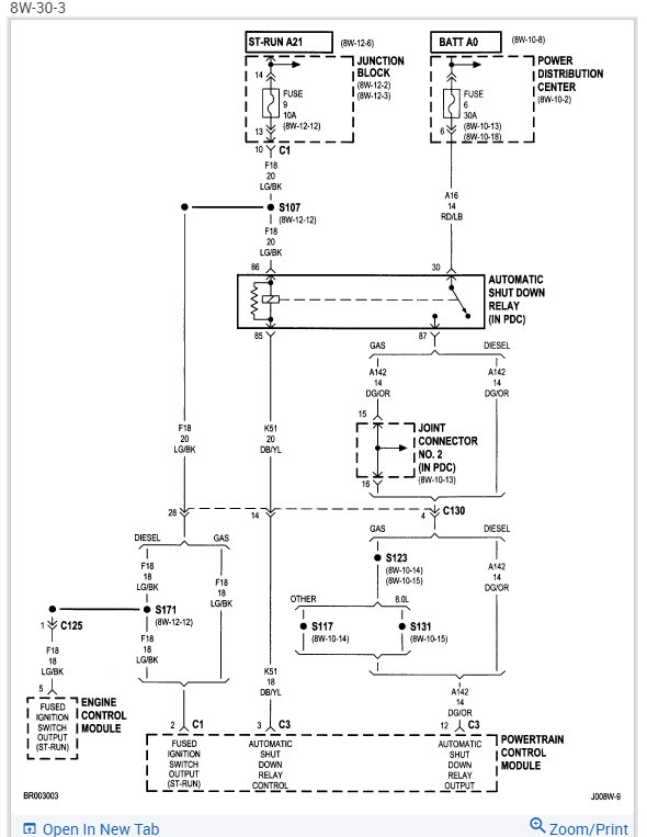
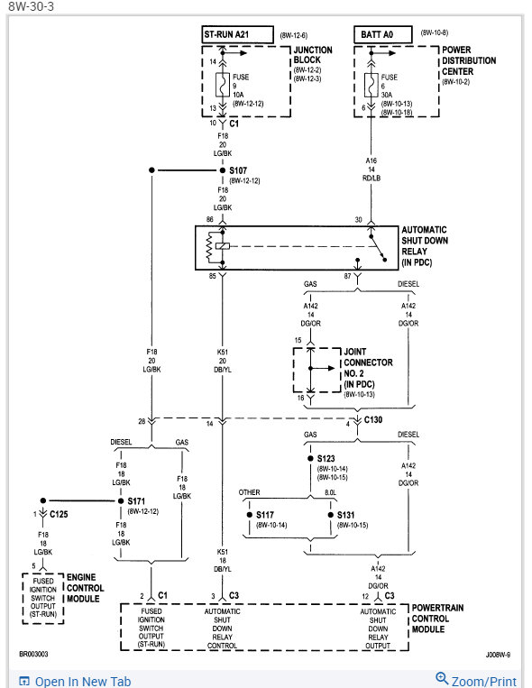
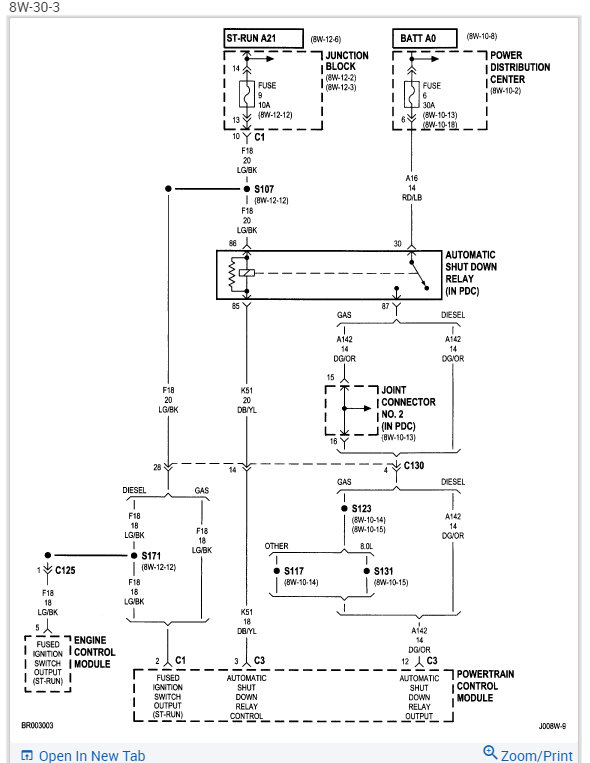
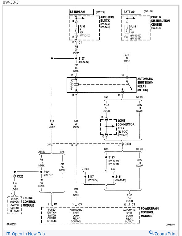
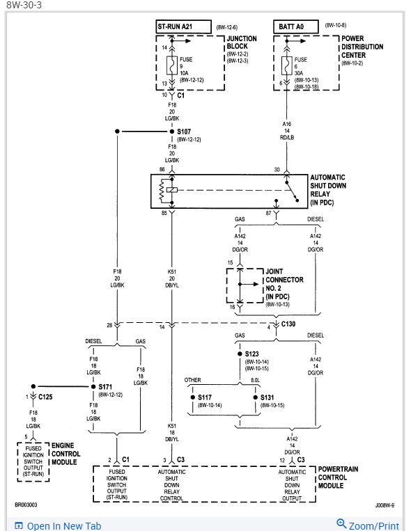
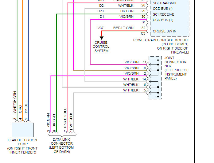
Truck starts first time every time intermittently the vehicle will shutdown. There is no power to the fuel pump when it has sat and cooled off truck fires back up and runs fine until next shutdown. I have replaced the fuel pump and relay. I believe there is something shutting off power at the ASD, but I don’t know what is coming into the relay. As a side note I have shot gas into the intake during the shutdown period and it will start up. Any ideas? Thanks








