Fuel pump relay location

1990 GEO PRIZM
188,000 MILES • 4 CYL • 2WD • AUTOMATIC
Avatar
BEGINNERMECHANICS121
  • MEMBER
  • 3 POSTS
I cannot find the fuel pump relay in my car. I have been looking everywhere and still do not know where it is.
May 25, 2018 at 6:40 PM
Advertisement
Avatar
CARADIODOC
  • CAR REPAIR CONTRIBUTOR
  • 34,308 POSTS
Just in front of the left strut tower.
May 25, 2018 at 7:10 PM
Advertisement
Avatar
BEGINNERMECHANICS121
  • MEMBER
  • 3 POSTS
I looked there and I cannot seem to find it.
May 26, 2018 at 4:14 PM
Avatar
CARADIODOC
  • CAR REPAIR CONTRIBUTOR
  • 34,308 POSTS
Rats. That is not good news because you really need it. Can you hear if the fuel pump runs for one second when you turn on the ignition switch? If you can, the circuit is working.
May 26, 2018 at 8:28 PM
Avatar
BEGINNERMECHANICS121
  • MEMBER
  • 3 POSTS
The fuel pump is not kicking on at all. Where is it located? I will try replacing it.
Jun 1, 2018 at 10:43 PM
Avatar
CARADIODOC
  • CAR REPAIR CONTRIBUTOR
  • 34,308 POSTS
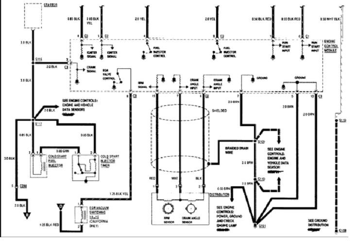
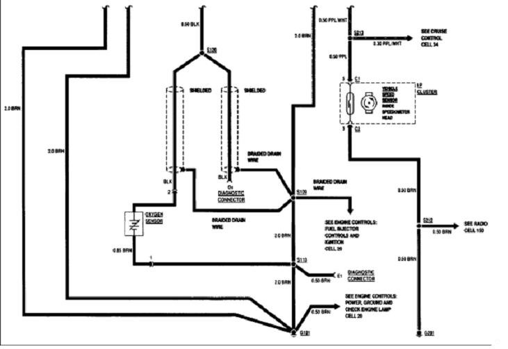
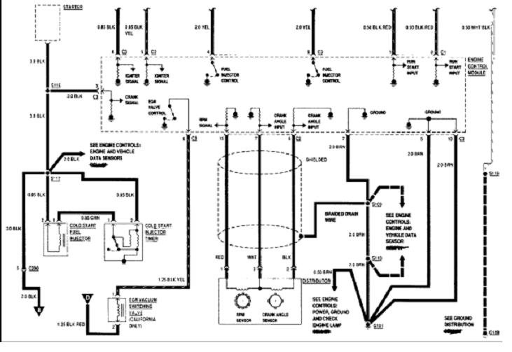
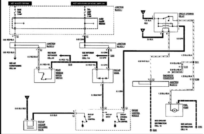
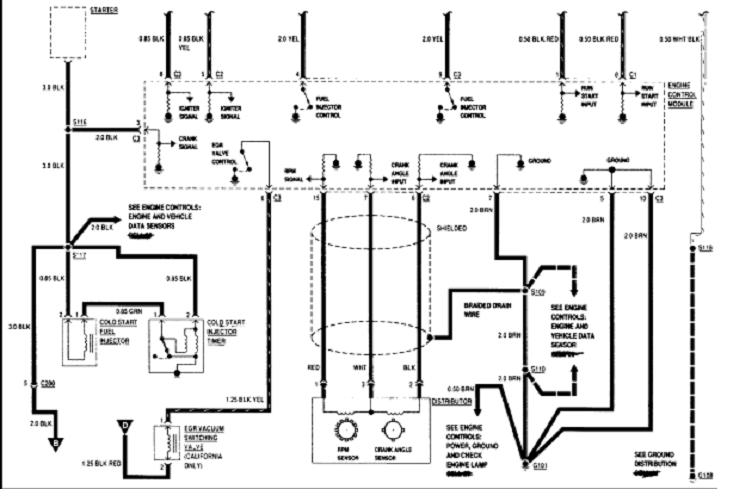
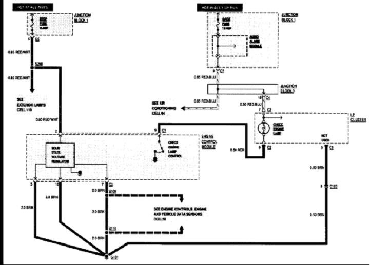
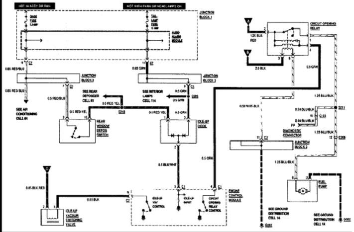
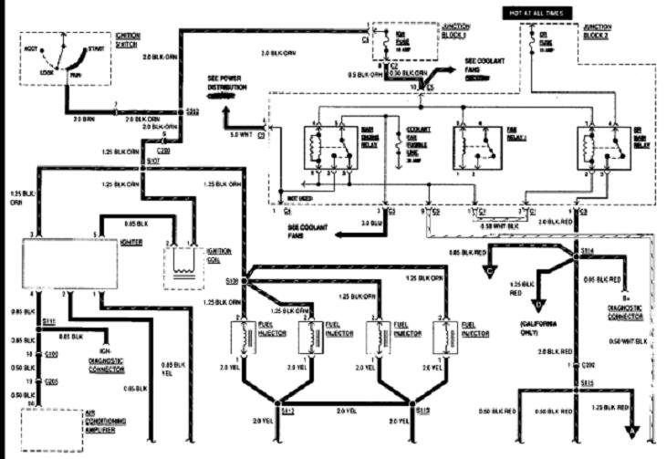
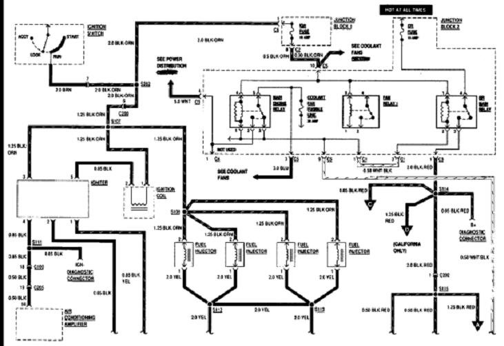
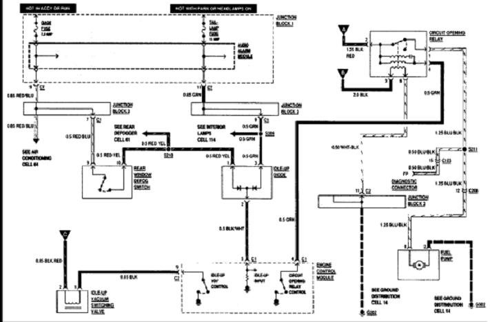
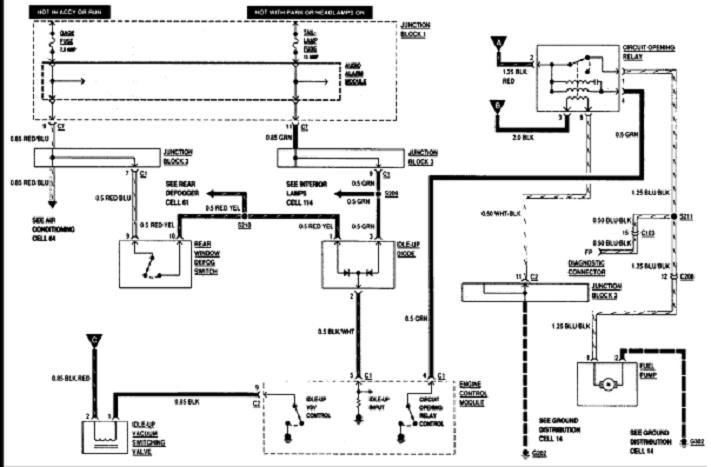
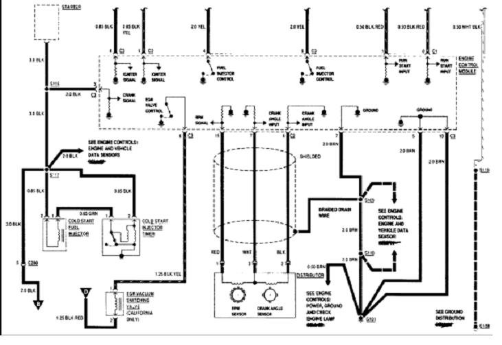
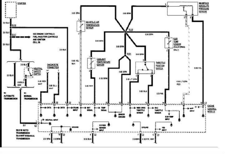
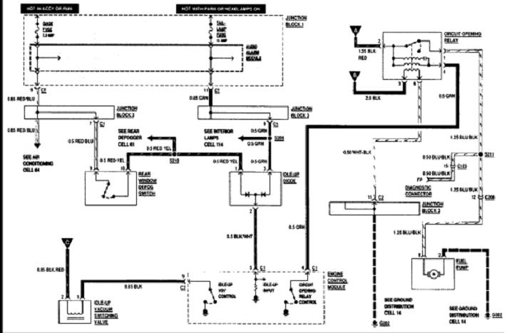
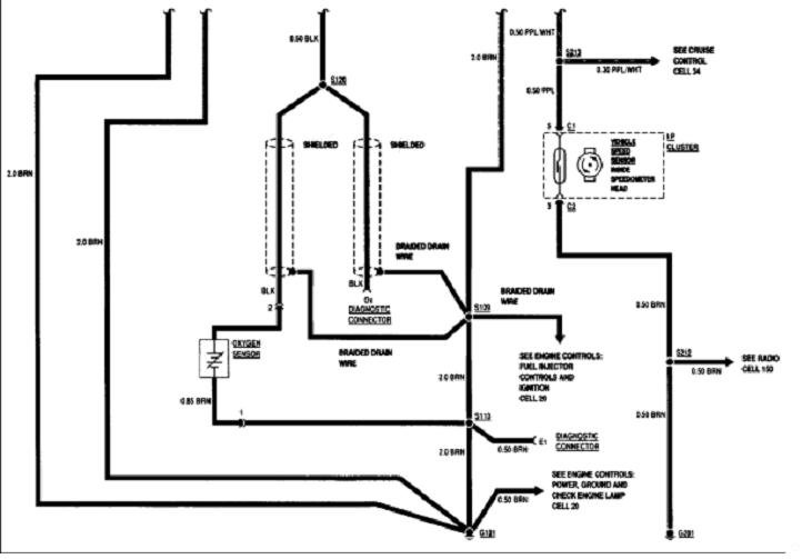
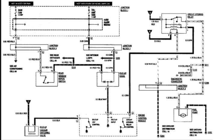
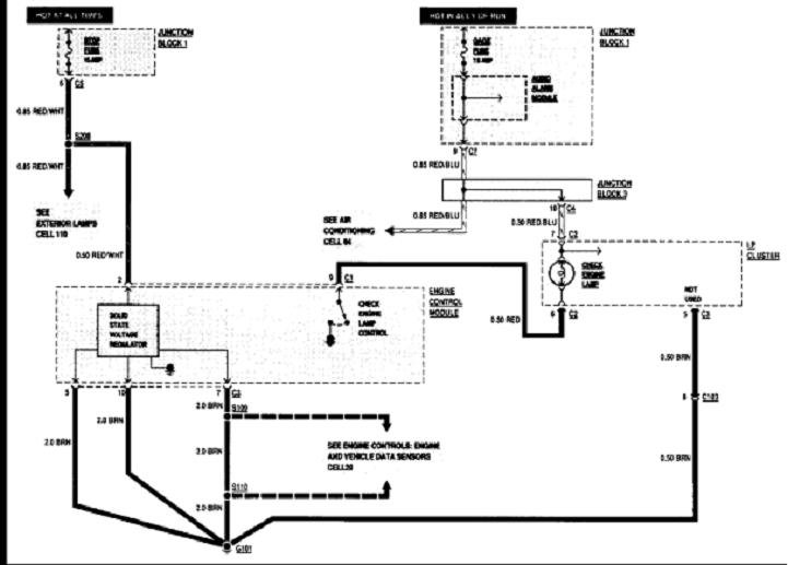
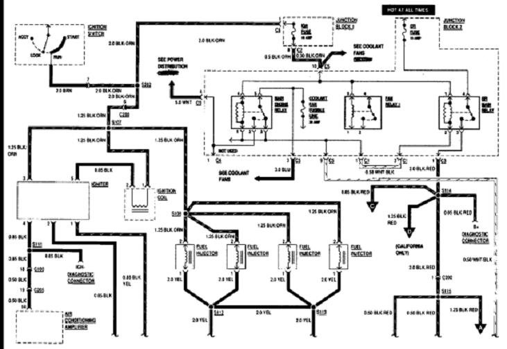
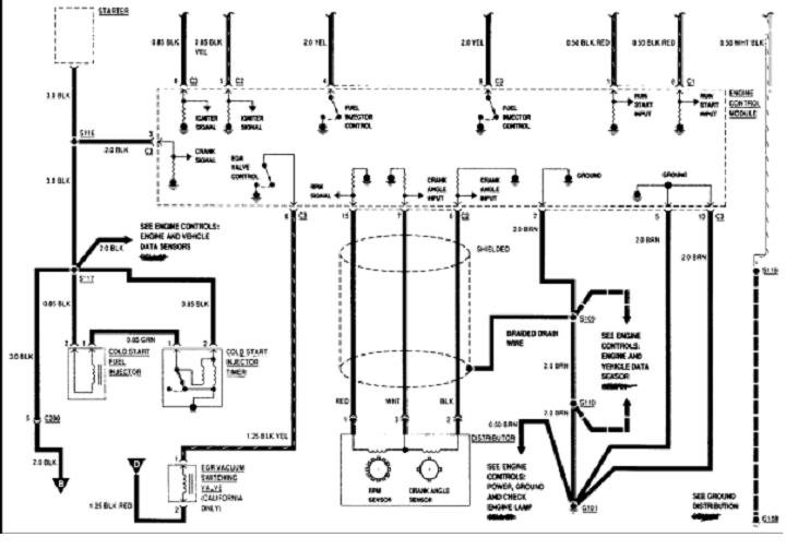
All I have to go on is what is shown in the drawing, but I should have noticed they call it the "circuit opening relay", not the "fuel pump relay". It is at the top right in the second diagram.

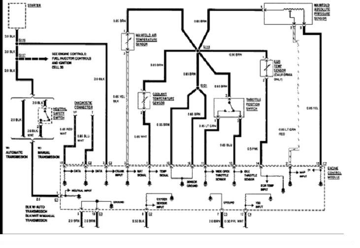
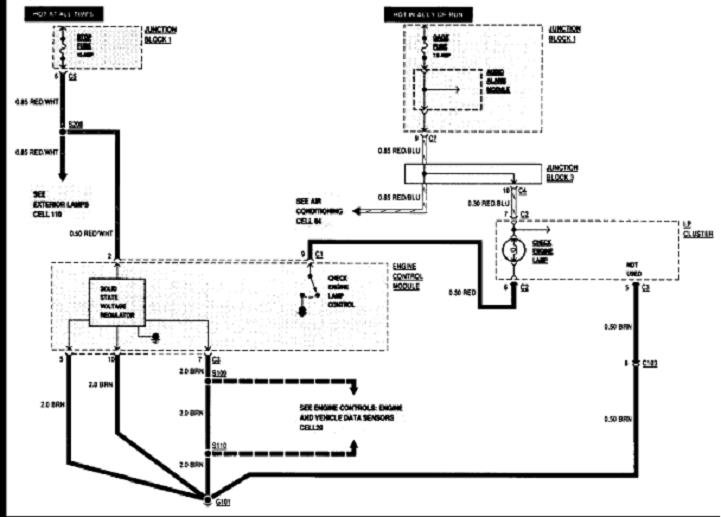
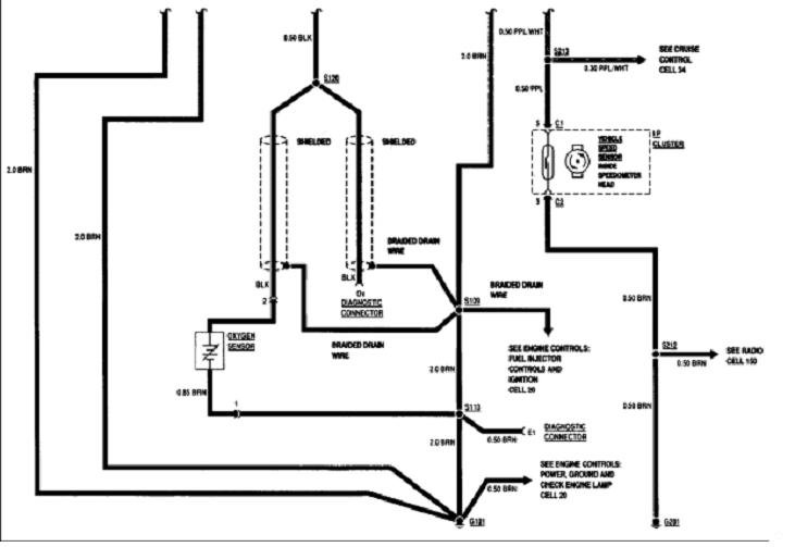
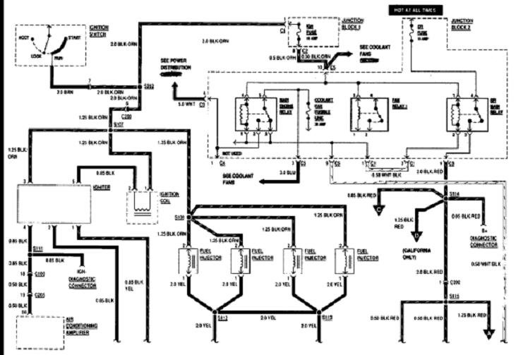
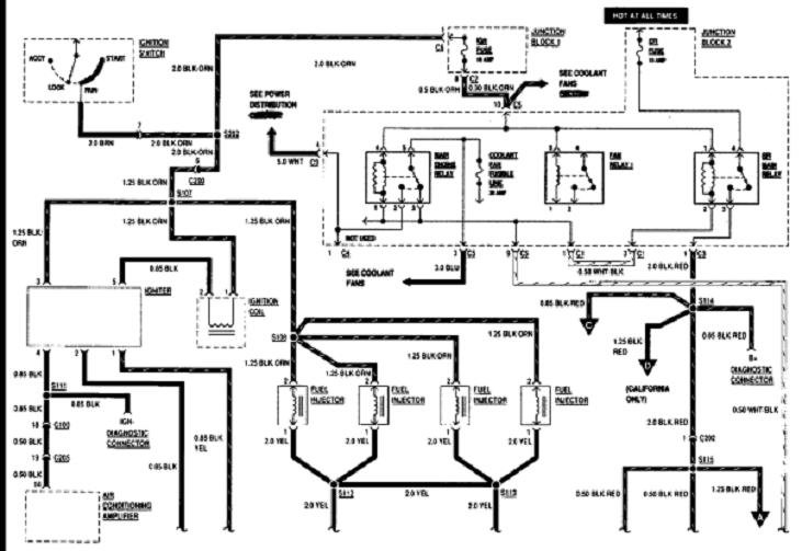
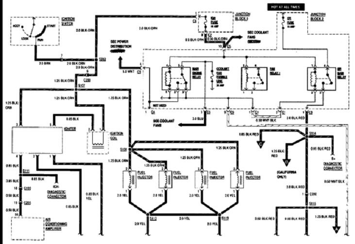
If you work your way backward from the fuel pump, (bottom right, also in the second diagram), you will see current has to come through that relay, then continue back to point "A" in the third diagram. That comes through the "EFI Main relay", so that has to be working too for the fuel pump to run. Check that EFI fuse too. Sorry that I cannot read the rating of that fuse, even after blowing the diagram up many times.
Jun 2, 2018 at 10:02 PM
Advertisement
Repair Safety Notice: This information is for general instructional purposes only. Vehicle repair can be dangerous. Verify all information, follow manufacturer service procedures, use proper tools and safety equipment, and consult a qualified repair shop when needed.