Will not start, where is the fuel pump relay located?

2020 NISSAN ALTIMA
65,000 MILES • 2.5L • 4 CYL
Avatar
ANTWONNE GEORGE
  • MEMBER
  • 1 POST
Vehicle will not start. Cannot find fuel pump relay location.
Jul 19, 2022 at 12:54 PM
Repair Safety Notice: This information is for general instructional purposes only. Vehicle repair can be dangerous. Verify all information, follow manufacturer service procedures, use proper tools and safety equipment, and consult a qualified repair shop when needed.
Advertisement
Avatar
JACOBANDNICKOLAS
  • CAR REPAIR CONTRIBUTOR
  • 110,190 POSTS
Hi,

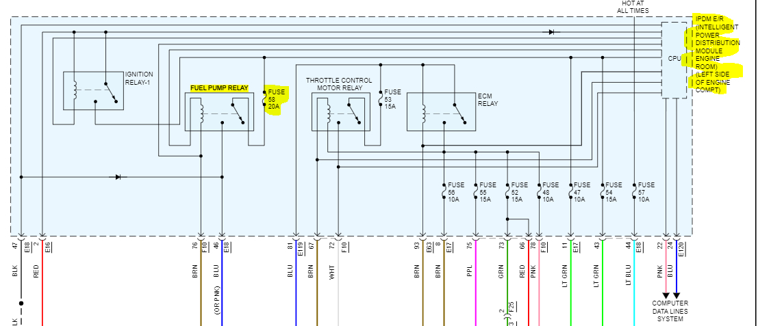
First, take a look at the first couple of pics I attached. That is a technical service bulletin related to the fuel pump relay. The fuel pump relay is an integral component in the intelligent power distribution module (IPDM).

There is a high-pressure fuel pump relay located in relay box 1. See pics 5 and 6.

Let me know if that helps.

Take care,

joe

See pics below.


Jul 19, 2022 at 8:41 PM
Advertisement