Fuel pump relay replacement

Tiny
BILLYBILLIONAIRE
  • MEMBER
  • 2000 HYUNDAI ELANTRA
  • 2.0L
  • 4 CYL
  • 2WD
  • AUTOMATIC
  • 115,000 MILES
Replacing the fuel pump relay.
Sunday, March 10th, 2019 AT 4:08 PM

1 Reply

Tiny
SCGRANTURISMO
  • MECHANIC
  • 4,897 POSTS
Hello,

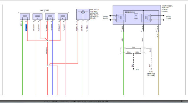
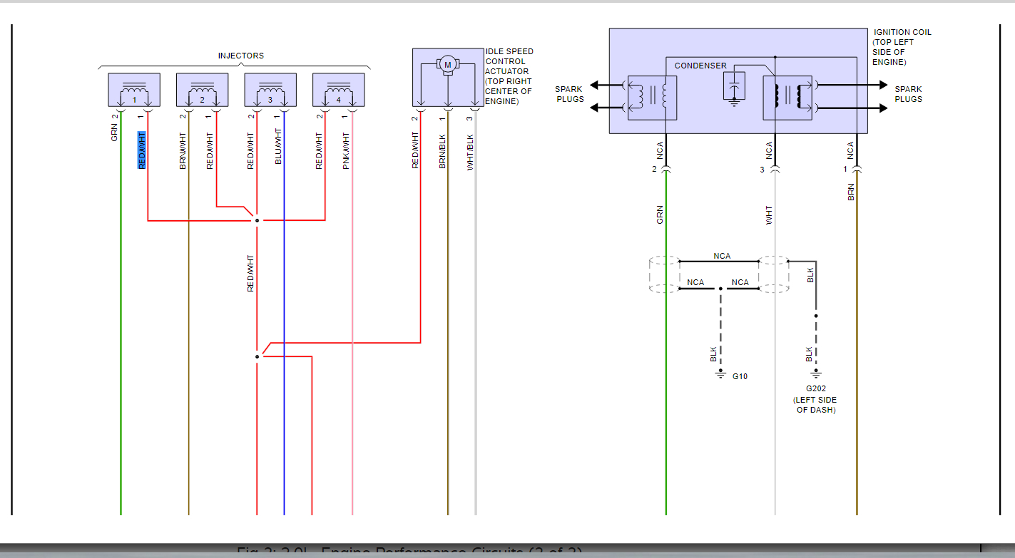
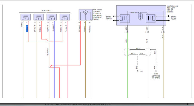
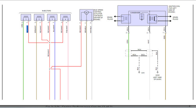
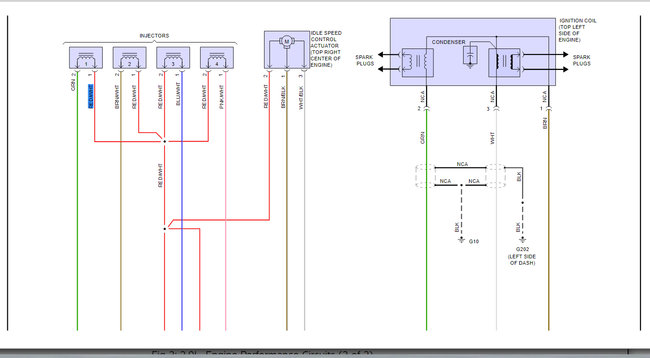
I have included the information for the fuel pump relay, including location and your vehicle's engine control wiring diagrams, in the diagrams down below. Please go through the material and keep us informed on what you find out.

Thanks,
Alex
2CarPros
Was this
answer
helpful?
Yes
No
-1
Sunday, March 10th, 2019 AT 6:50 PM

Please login or register to post a reply.