Friday, October 25th, 2019 AT 1:28 PM
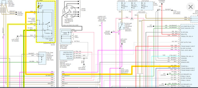
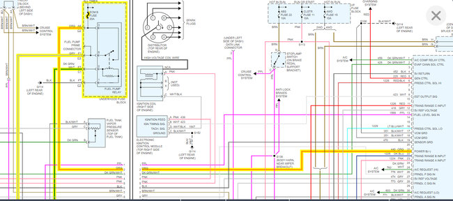
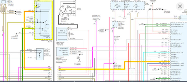
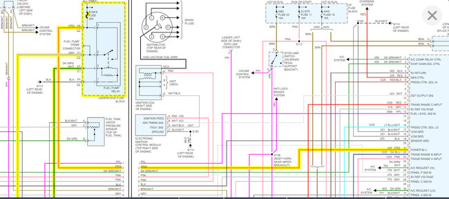
When I bought the truck the fuel pump was making a high-pitched whining sound. Well I was driving truck home week after I had bought it and it just shut off. I'll turn the key off after I push it into my driveway and turn the heat back on in a fuel pump when making a sound. So when I bought a new fuel pump thinking that might be what it was, put the new fuel pump in and it's still not working. I love the new fuel pump wire to the tested with a battery and some wire is there. Anything else could be besides a relay because there's new relay to?



