Fuel pump not receiving power issues?

Tiny
SWILSON3828
  • MEMBER
  • 2015 HYUNDAI GENESIS COUPE
  • 3.8L
  • 6 CYL
  • 2WD
  • AUTOMATIC
  • 95,000 MILES
Greetings. This has been an ongoing and intermitted issue for about two years where the car will be running and then just stall out, and it has put me in some dangerous situations as it has stalled out on the highway before just out of the blue. Replaced the EMC and the Fuel pump relay to no avail. Even checked the old ones and they appear to be in good working order too. The last time this happened I figured it was a bad connection at the fuel pump itself because the fuel pump connection harness side was getting power, and then I jumped the fuel pump with a battery and the fuel pump worked, so I took a small piece of tin foil, inserted it into the power side female connection on the harness, attached it back to the fuel pump and it started right up and had been running fine until it stalled out again about a month later. This time I checked the voltage at the power wire on the harness, and it was not getting any power. I jumped the fuel pump from the battery again and the fuel pump worked and even pumped gasoline from the connection at the high-pressure pump (into a bottle) I checked the ECM relay, and it worked fine, and I checked the fuel pump relay, and it worked fine. I used a probing light to verify the connections at both were getting power and they both were. I decided to try and jump the fuel pump from the fuel pump relay connection on the fuse panel with a jumper wire. And there was no pump activation. So, this tells me there is a voltage interruption somewhere between the fuel pump relay and the fuel pump itself as the fuel pump should prime if I'm jumping it from the fuel pump relay connection. Also, I checked the main power fuse, and it was fine. This is what I've self-diagnosed, unless I'm overlooking something somewhere that I'm not aware of. I'd appreciate any insight you could provide on this. Second question, today when I was diagnosing this issue I could hit the start button and the car would turn over but wouldn't fire because of the fuel pump not working, but after a few hours of diagnosing the car had stopped turning over and all I would hear when Id mash the start button is a click from what sounded like under the dash around the steering column, and the brake pedal was abnormally stiff too. I know the brake has to be mashed in for the car to start. After this happened, I checked the battery, and it was showing 12.17 volts.
Sorry for such a long question but wanted to make sure you were told everything that had been done.
Monday, April 14th, 2025 AT 5:05 PM

4 Replies

Tiny
AL514
  • MECHANIC
  • 5,596 POSTS
Hello, it looks like there are 2 fuel pump relays for this vehicle, but to begin with, do your brake lights come on when pressing the pedal? Just to verify, we can assume the brake pedal switch is working. I'm going to look through the OEM wiring to make sure these fuel pump relay wiring diagrams are correct.
This also looks like a GDI high pressure fuel system, so I'm assuming you are not getting power to low pressure pump in the tank? You're not checking pressure at the high-pressure pump test port where it shows the low-pressure side?
With a scan tool you could read the Fuel Rail Pressure live data, but do not touch any of the steel fuel lines for the high pressure fuel pump under the hood, its usually near the valve cover, but the high pressure can be anywhere from 500-2,000 PSI and cause serious injury or worse.
Was this
answer
helpful?
Yes
No
Tuesday, April 15th, 2025 AT 2:52 PM
Tiny
AL514
  • MECHANIC
  • 5,596 POSTS
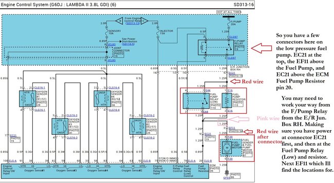
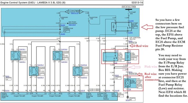
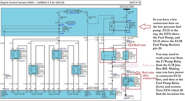
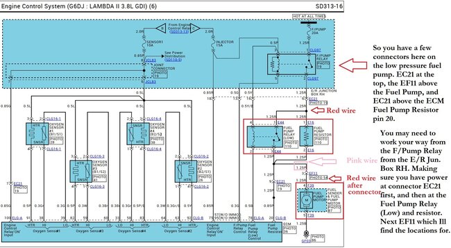
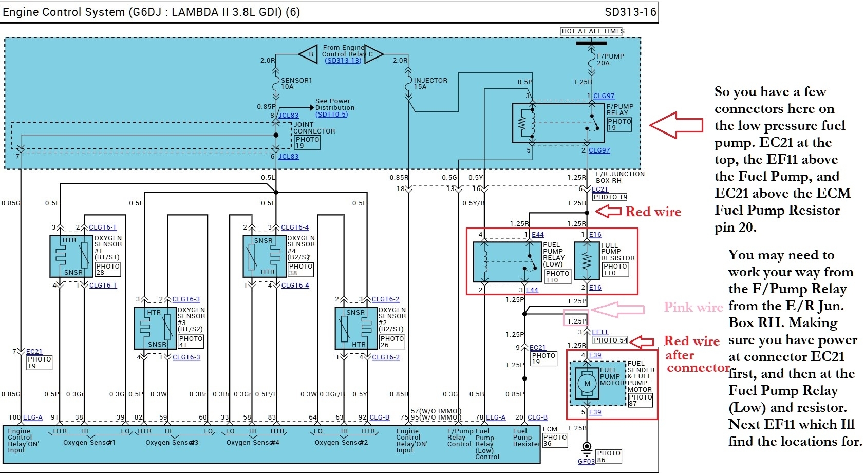
On a side note, I have had these cars not start due to a blown fuse which was actually caused by the rear taillights shorting out, blowing the fuse. Which happened to be the same fuse for the brake pedal, there was a Recall on the tail lamp sockets due to over heating, melting and shorting out. This happened just a few months ago, so I would just go through the fuses with a test light and make sure you don't have any blown fuses. I don't know if the recall applies to this vehicle, but it was exhibiting the same symptoms. I will post the wiring diagrams for you, there is also a resistor for the low pressure fuel pump, which power flows through at idle, where the voltage at the pump will be lower, anywhere from 8.5volts to 12v.

https://www.2carpros.com/articles/how-to-use-a-test-light-circuit-tester
Was this
answer
helpful?
Yes
No
Tuesday, April 15th, 2025 AT 3:12 PM
Tiny
SWILSON3828
  • MEMBER
  • 112 POSTS
Thanks for the reply. Got out there this morning and was able to figure it out. The hard brake pedal and the clicking under the dash was caused by what appeared to be the main fuse panel connection under the hood on the passenger side. The clips that hold that entire complex of wires has somehow worked loose and I guess it was causing a poor connection. Took it apart, reconnected it, and used a zip tie to make sure it didn't somehow work loose again. Got that connection and the car started turning over again. But still wouldn't start. Started again rechecking the ECM relay and fuel pump relay, and both still checked out okay. Still power getting to the terminals too. Checked all of the mini fuses with a multimeter and came across one random 10-amp fuse that was blown and it was simply labelled "sensor" Replaced that and it started right up. I thought I had checked all of the fuses yesterday, but I somehow missed that one. It was off by itself with one more mini fuse. That being said why in the world would one little 10-amp mini fuse labelled "sensor" cut power off to the fuel pump? From what I read there is no separate "fuel pump fuse, " only the fuel pump relay. To me common sense would to have one designated power and ground from the relay to the fuel pump and not have that wiring integrated with other circuits that could cause a fuse to blow and cut the fuel pump off. Anyway, thanks again for the information and the help. My son has pimped this car out and it rides like a wooden rollercoaster, so I'm sure the beating all of the internals take will eventually cause some other craziness. I appreciate you guys/gals that are willing to help. Take care!
Was this
answer
helpful?
Yes
No
Tuesday, April 15th, 2025 AT 4:30 PM
Tiny
AL514
  • MECHANIC
  • 5,596 POSTS
Okay, so you don't need any of these wiring diagrams, here's the Sensor 1 10amp fuse, its not listed in the Power Dist wiring diagrams but it's obviously for the ECM power. Probably why one of the relays wasn't grounding. But glad you got it figured out. Check the rear bulb sockets for overheating, just to be sure they aren't melting, probably not related to this issue, but good to check anyway.
Was this
answer
helpful?
Yes
No
Tuesday, April 15th, 2025 AT 4:46 PM

Please login or register to post a reply.