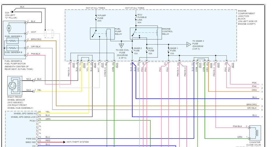
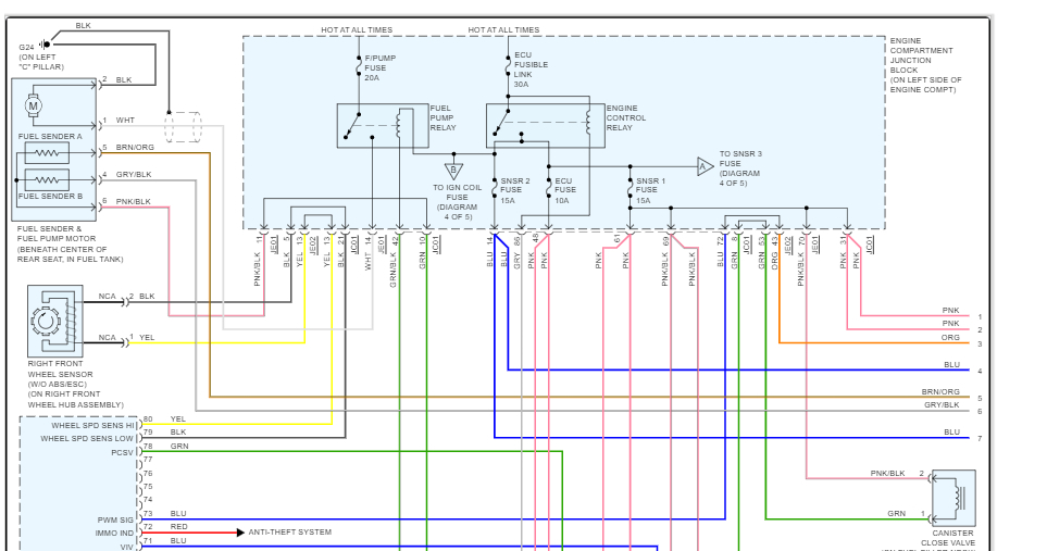
Sunday, April 23rd, 2023 AT 1:34 PM
I've changed motors in my vehicle listed above, I have run into a problem after the exchange the fuel pump doesn't want to engage. Not getting enough power to the fuel pump.


