Fuel pump circuit fuse m22

Tiny
JASON BEVANS
  • MEMBER
  • 2010 DODGE RAM
  • 5.7L
  • V8
  • 4WD
  • AUTOMATIC
  • 60,000 MILES
Symptoms point to a burned out fuel pump. Just want to know if the fuel pump circuit m22 is supposed to be energized all the time or only when the key is turned to the on position?

Because we checked it for power and find that there is constant power, even when the vehicle has sat for weeks with the key in the off position. Making us think maybe the fuel pump relay is stuck in the on position and has burned the fuel pump out by having it running constantly even with the vehicle off.
Saturday, October 13th, 2018 AT 8:02 PM

14 Replies

Tiny
CARADIODOC
  • MECHANIC
  • 34,486 POSTS
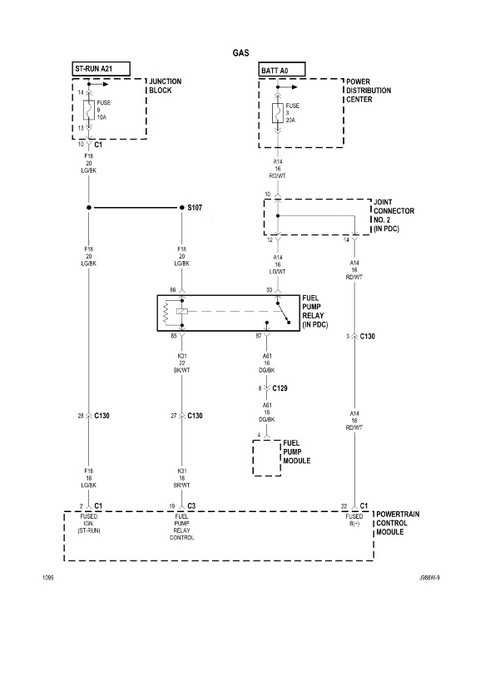
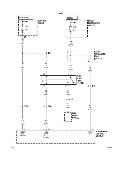
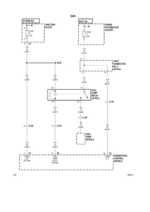
Neither. I cannot find that circuit on the diagram. Where are you measuring and what is the wire's color?

The fuel pump relay turns on for one second when you turn on the ignition switch, then it turns off again. It gets turned back on during engine rotation, (cranking or running). That is the safety feature on all fuel injected vehicles. In the event of a crash that ruptures a fuel line, the pump would dump raw gas onto the ground, creating a serious fire hazard. Instead, with no fuel pressure, the engine will stall. Once stalled, no more signal pulses will show up from the crankshaft position sensor or the camshaft position sensor. That tells the Engine Computer to turn the automatic shutdown, (ASD), and fuel pump relays off. That stops the fuel pump.

Even if the fuel pump relay was bypassed or stuck on, fuel pumps are designed to run continuously, and it would kill the battery long before the pump's motor burned out. I am sorry that I am unable to post the diagram. If you are back by the pump, the wire that feeds the pump is dark blue/orange. For accuracy, voltage readings should be taken with the connector plugged in. There will be rubber seals around the wires where you can back-probe them.
Was this
answer
helpful?
Yes
No
-1
Saturday, October 13th, 2018 AT 11:26 PM
Tiny
JASON BEVANS
  • MEMBER
  • 8 POSTS
I am checking for power at the TPIM, fuse m22 has power constantly, even if the keys been in the off position for weeks.

It is a 2010 Dodge Ram.

I thought m22 would only energize if the key is turned forward, am I wrong?
Was this
answer
helpful?
Yes
No
Sunday, October 14th, 2018 AT 10:07 AM
Tiny
CARADIODOC
  • MECHANIC
  • 34,486 POSTS
It looks as though the bus bar that feeds those fuses should only have power with key on.

See the wiring diagrams below for more information.
Was this
answer
helpful?
Yes
No
Sunday, October 14th, 2018 AT 4:12 PM
Tiny
CRAIG5820
  • MEMBER
  • 1 POST
  • 2011 DODGE RAM
  • 40,000 MILES
Not all the time but maybe once every twenty five starts the fuel pump continues to run after the truck is turned off. Restarting it does not help the only way to get it to shut off is to pull fuel pump fuse than you can put it back in and it will be back to normal operation until it happens again it has acted up three times now. When it is stuck on the truck can be totally off no key in ignition and the pump will run continuously.
Was this
answer
helpful?
Yes
No
+1
Sunday, October 14th, 2018 AT 4:13 PM (Merged)
Tiny
KEN L
  • MASTER CERTIFIED MECHANIC
  • 55,450 POSTS
Hey CRAIG5820,

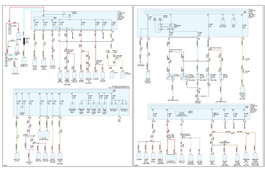
The fuel pump relay is integrated into the TIPM which you may be able to fix by trying the find the relay which is soldered in. Turn the key on and feel for the relay that clicks. Here is a diagram to help with the location.

Please let us know happens so it will help others.

Best, Ken
Was this
answer
helpful?
Yes
No
+1
Sunday, October 14th, 2018 AT 4:13 PM (Merged)
Tiny
UKFAN
  • MEMBER
  • 1 POST
  • 1999 DODGE RAM
  • 5.9L
  • V8
  • 4WD
  • AUTOMATIC
  • 193,000 MILES
My truck won't start. When I turn the key to turn the battery on the two relay start buzzing and vibrating. So I went and purchased two new one and its still doing the same thing. Never delt with this problem before and I don't know what to do next.
Was this
answer
helpful?
Yes
No
-1
Monday, July 8th, 2019 AT 12:08 PM (Merged)
Tiny
CARADIODOC
  • MECHANIC
  • 34,486 POSTS
What happens when you try to crank the engine? Have you checked the battery voltage? Buzzing relays is a common symptom of a battery with one shorted cell.
Was this
answer
helpful?
Yes
No
Monday, July 8th, 2019 AT 12:08 PM (Merged)
Tiny
KEWLIAM
  • MEMBER
  • 4 POSTS
  • 1989 DODGE RAM
  • 130,000 MILES
I can run a hot wire to pump and it works and I can ground the relay and it works I have 2 codes 1 is po 0443 which is perg controle valve circuit the other is po 1282 which is fuel pump relay iv replased the relay with a now good one and ran a hot wire to pump and it works I need to get truck smoged frustrated in calif
Was this
answer
helpful?
Yes
No
-1
Monday, July 8th, 2019 AT 12:08 PM (Merged)
Tiny
CARADIODOC
  • MECHANIC
  • 34,486 POSTS
Have you checked for spark?
Was this
answer
helpful?
Yes
No
-1
Monday, July 8th, 2019 AT 12:08 PM (Merged)
Tiny
KEWLIAM
  • MEMBER
  • 4 POSTS
Yes it has spark on the pick I sent 56 and 30 are hot key on 87 is ground when I ground 85 87 goes hot and truck runs
Was this
answer
helpful?
Yes
No
+1
Monday, July 8th, 2019 AT 12:08 PM (Merged)
Tiny
CARADIODOC
  • MECHANIC
  • 34,486 POSTS
Rats. With the tests you've done, it does appear the computer is not grounding the fuel pump relay. It needs pulses from the crankshaft position sensor and the camshaft position sensor to do that. If one of those signals is missing, there won't be spark.

Listen for the hum of the pump for one second after turning on the ignition switch. If you hear that, the fuel pump relay is good and the computer has control of it. If you don't hear it, suspect the computer, but before you condemn it, ground the relay coil right at the computer plugs. If the relay clicks on, that will confirm that wire between the relay and computer is okay. Next, there should be four ground wires, two listed as "signal" grounds and two as "power" grounds. The best test for them is a voltage measurement while the relay is bypassed and the engine is running. If you find more than a couple of tenths of a volt, check that wire for a corroded connection to the body.
Was this
answer
helpful?
Yes
No
Monday, July 8th, 2019 AT 12:08 PM (Merged)
Tiny
KEWLIAM
  • MEMBER
  • 4 POSTS
Tested all hots to computer and grounds, I grounded pin 19 at(c3) and relay worked pin 2 and pin 22 on(c1) both are hot im going to dive in and get the computer and hopping it taks care of the po1282 ill let u now what happends and thank you donation will be comming
Was this
answer
helpful?
Yes
No
Monday, July 8th, 2019 AT 12:08 PM (Merged)
Tiny
KEWLIAM
  • MEMBER
  • 4 POSTS
Caradiodoc, it was the computer I ended up using a 341ae insted of a 341ac becouse thats the only used one I could find for under a 100 dollers the last letter is a upgrade! Thanks for your time I was a master teck for firestone 6 years ago un"till a chain snaped on the old alingment rack and the safty latches gave out and landed on me it broke my back owell. I dont chang parts untill its fixed, like alot of those (book smart) master tecks lol ! Like my dady told me, do it right the first time or youll have to do it again have a nice day whhoooya
Was this
answer
helpful?
Yes
No
Monday, July 8th, 2019 AT 12:08 PM (Merged)
Tiny
CARADIODOC
  • MECHANIC
  • 34,486 POSTS
Sad to hear it was the 'puter but happy it's solved. Chrysler had extremely little computer trouble back then. I'm still on my original one in my '88 Grand Caravan daily driver with 230,000 miles.

Hope your back is better.

I know all about "book smart" too. I taught auto shop for nine years with another instructor who taught straight from the text book. That doesn't help someone be successful on the job.
Was this
answer
helpful?
Yes
No
Monday, July 8th, 2019 AT 12:08 PM (Merged)

Please login or register to post a reply.