Checked fuses and replace crankshaft position sensor.
Apr 3, 2019 at 9:07 AM
Repair Safety Notice:
This information is for general instructional purposes only. Vehicle repair can be dangerous.
Verify all information, follow manufacturer service procedures, use proper tools and safety equipment,
and consult a qualified repair shop when needed.
Advertisement
ASEMASTER6371
CAR REPAIR CONTRIBUTOR
52,796 POSTS
Good afternoon,
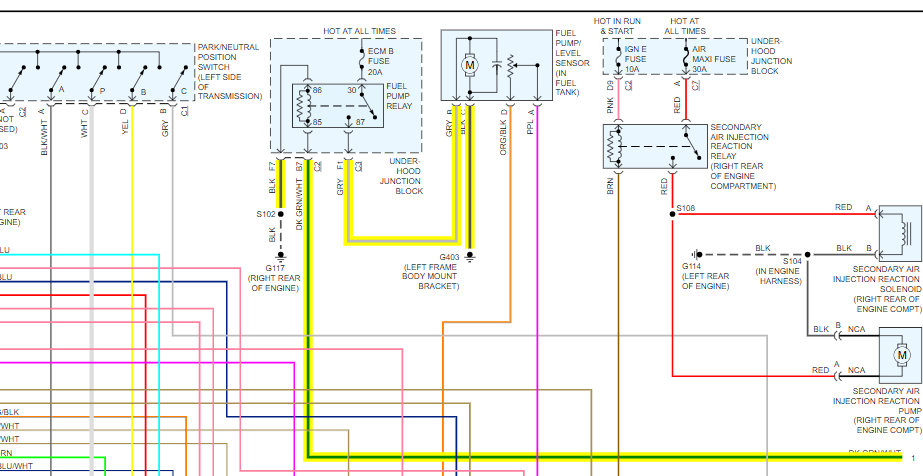
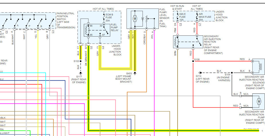
I attached a diagram of the fuel pump circuit.
The PCM sends a voltage to the control side of the relay. That will activate the load side to the pump. Check the fuse listed in the diagram for power.