Fuel pump

Tiny
JOE1953
  • MEMBER
  • 2004 GMC ENVOY
  • 4.2L
  • 6 CYL
  • RWD
  • AUTOMATIC
  • 204,000 MILES
I am getting ready to replace a fuel pump assembly can I connect the connector to the fuel pump and listen to the pump run before I mount it to the fuel tank? I want to make sure it is working before I put it in the tank.
Wednesday, November 16th, 2016 AT 9:45 PM

9 Replies

Tiny
JIS001
  • MECHANIC
  • 3,412 POSTS
Check fuse #10 in the engine compartment. If okay then check fuel pump relay. You can do that by swapping out with another relay like headlights or horn as long as they are the same. If still no fuel pressure with a test lamp back probe the grey wire to fuel pump. If it lights up then the fuel pump is actually bad and you should be good on your repair. When you check it, have someone turn the key on. The light will just come on for a second then go out. While cranking the test light will come on again. If the test light does not light up then there is a problem in the circuit like a burnt terminal under the fuse box?
Was this
answer
helpful?
Yes
No
Thursday, November 17th, 2016 AT 10:48 AM
Tiny
JOE1953
  • MEMBER
  • 815 POSTS
I just want to know how to test the new fuel pump before I replace it.
Was this
answer
helpful?
Yes
No
+1
Thursday, November 17th, 2016 AT 10:10 PM
Tiny
JOE1953
  • MEMBER
  • 815 POSTS
I just want to know how to bench test the new fuel pump before I replace it.
Was this
answer
helpful?
Yes
No
Thursday, November 17th, 2016 AT 11:07 PM
Tiny
JIS001
  • MECHANIC
  • 3,412 POSTS
Apply battery voltage and ground
Was this
answer
helpful?
Yes
No
Friday, November 18th, 2016 AT 9:29 AM
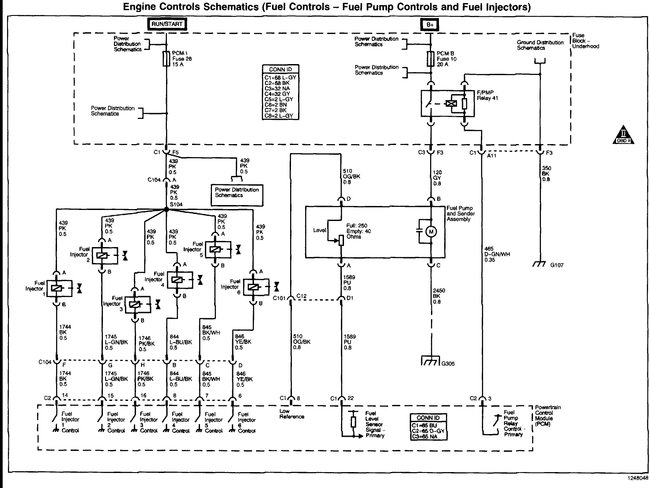
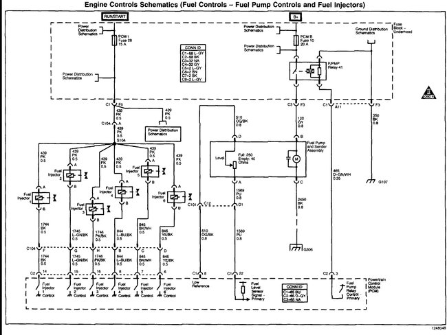
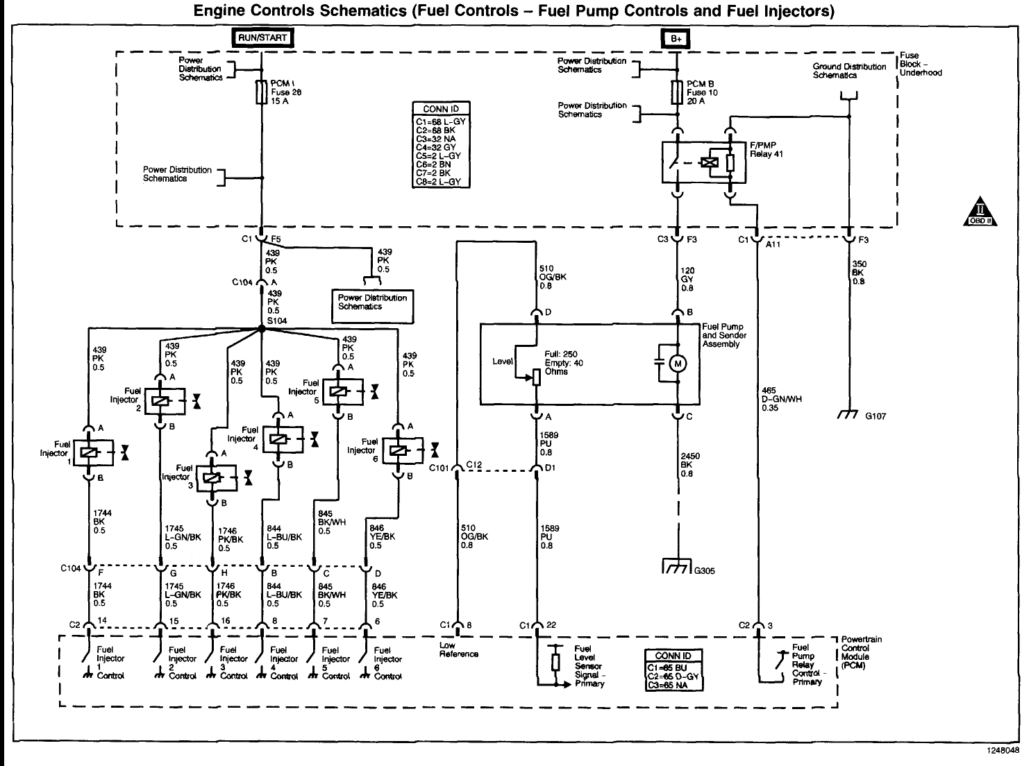
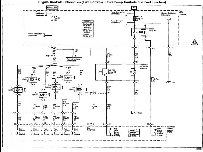
Tiny
JIS001
  • MECHANIC
  • 3,412 POSTS
Added the diagram. The 2 pins you need to apply battery power and ground are the 2 middle pins on the fuel pump side. If you have a power probe it will be much easier. On the pump from left to right the 2nd pin is power and 3rd pin is ground. Hope that helps.
Was this
answer
helpful?
Yes
No
+1
Friday, November 18th, 2016 AT 9:47 AM
Tiny
JOE1953
  • MEMBER
  • 815 POSTS
I replace the fuel pump and fuel filter on a 2004 GMC envoy SLT 4.2L the first time I check the fuel pressure after I replace the new fuel pump it show about 56psi what is the fuel pressure supose to be? The test port is connect to the fuel line at the fuel filter there is where I check the pressure is there another test port under the hood where I can test the pressure there? The engine will crank but want start when I turn the key to run the pump will run for about 2 second and sometime the pump keep on running want stop until I turn the key off what cause the pump to keep on running?
Was this
answer
helpful?
Yes
No
Monday, November 21st, 2016 AT 4:25 PM
Tiny
JIS001
  • MECHANIC
  • 3,412 POSTS
That is the only port available. Spec calls for 50-57 psi key on engine off.

Scan the vehicle for codes. If you have fuel pressure then check for spark and injector pulse also.
Was this
answer
helpful?
Yes
No
Tuesday, November 22nd, 2016 AT 11:05 AM
Tiny
JOE1953
  • MEMBER
  • 815 POSTS
The battry cable been disconnect will that erase the codes? I will scan again, where are the injector located? I look for the injector couldn't find it can you send pictures? I did check for spark I did see a spark but the battry is low and the engine wasn't turning fast enough so the spark was a hit and miss.
Was this
answer
helpful?
Yes
No
Tuesday, November 22nd, 2016 AT 11:27 AM
Tiny
JIS001
  • MECHANIC
  • 3,412 POSTS
If battery was disconnected then the codes will reset. The fuel injectors are under the intake manifold.
Was this
answer
helpful?
Yes
No
Wednesday, November 23rd, 2016 AT 11:32 AM

Please login or register to post a reply.