8 volts to the fuel pump

Tiny
MICHAEL62
  • MEMBER
  • 1995 CHEVROLET LUMINA
  • 3.1L
  • 2WD
  • AUTOMATIC
  • 200 MILES
I'm only getting 8v to my fuel pump. Will that affect my fuel pressure?
Monday, June 27th, 2022 AT 2:05 PM

1 Reply

Tiny
JACOBANDNICKOLAS
  • MECHANIC
  • 110,192 POSTS
Hi,

Yes, the pump requires 12v to operate properly. If you are only getting 8v, it will not operate properly.

Where are you testing for power? If it is at the pump itself, are you providing a separate ground or are you using the connector ground?

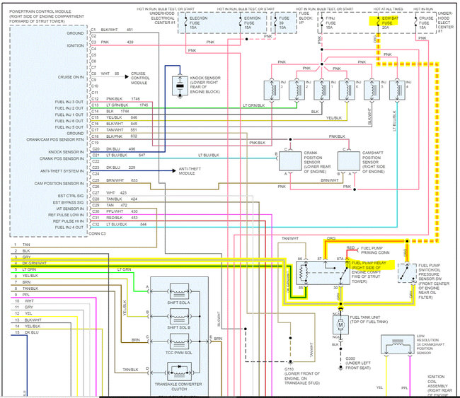
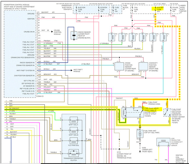
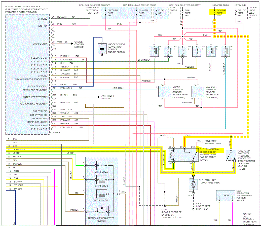
What I would suggest is to check the voltage at ECM battery fuse in the under-hood fuse box

When the fuel pump relay is actuated, power comes from the fuse, through the secondary on the relay, and straight to the fuel pump via an orange wire. See pic below.

If there is 12v from that fuse and then 12v out from the relay (orange wire), the pump should have 12v. If it doesn't, there has to be excessive resistance in the wire or connector.

Let me know.

Take care,

Joe

See pics below.
Was this
answer
helpful?
Yes
No
-1
Monday, June 27th, 2022 AT 10:03 PM

Please login or register to post a reply.