Fuel pump

Tiny
JULZAVEO
  • MEMBER
  • 2007 CHEVROLET AVEO
  • 4 CYL
  • 2WD
  • AUTOMATIC
  • 147,000 MILES
Car will turn over but will not start. I do not hear fuel pump kick on. How do I check to see if power is getting to the pump itself?
Wednesday, October 17th, 2018 AT 10:00 PM

2 Replies

Tiny
ASEMASTER6371
  • MECHANIC
  • 52,796 POSTS
Good morning.

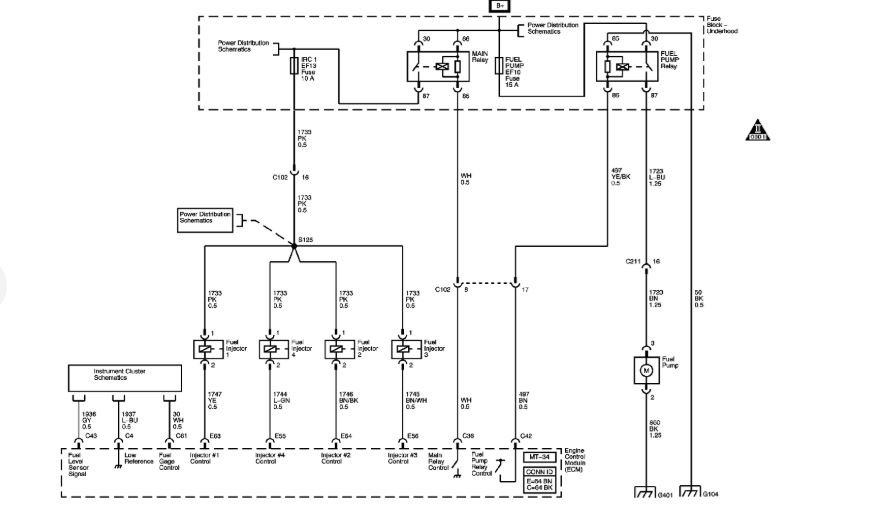
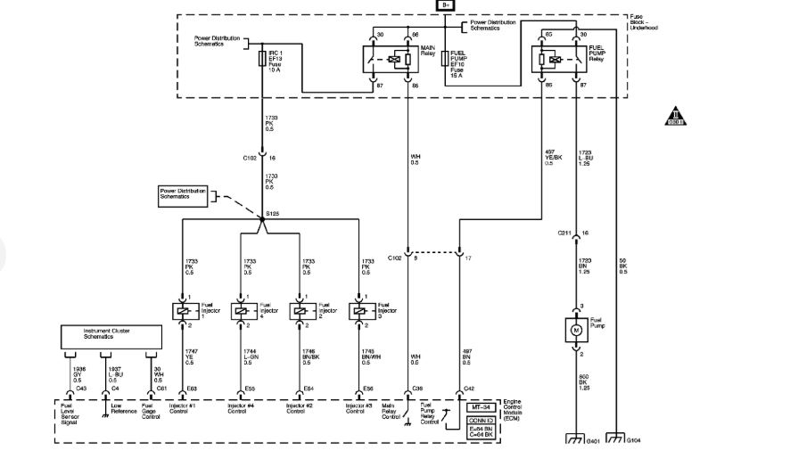
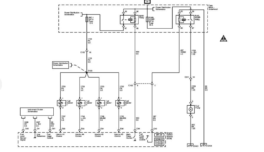
I attached a diagram for you to view. There is a fuse listed for the fuel pump in the fuse box. Check or use a test light and test for power on both sides of the fuse with the key in the on position.

It could be either an electrical issue or the fuel pump itself has failed. If the fuse is good you need to test and see if the pump has power at the color wire listed in the diagram. If it does, have power, the pump is bad. If it does not, you need to check the relay in the fuse block.

Roy

1. Relieve the fuel system pressure. Refer to Fuel Pressure Relief.

ImageOpen In New TabZoom/Print

Caution: Refer to Battery Disconnect Caution.

2. Disconnect the negative battery cable.
3. Remove the rear seat.
4. Remove the fuel pump access cover.

ImageOpen In New TabZoom/Print

5. Disconnect the electrical connector at the fuel pump assembly.
6. Disconnect the fuel line.
7. Remove the fuel pump assembly clip.
8. Remove the fuel pump assembly from the tank.
9. Remove and discard the gasket.
Was this
answer
helpful?
Yes
No
+1
Thursday, October 18th, 2018 AT 3:34 AM
Tiny
JULZAVEO
  • MEMBER
  • 8 POSTS
  • 2007 CHEVROLET AVEO
  • 4 CYL
  • 2WD
  • AUTOMATIC
  • 147,000 MILES
I know the test light light bulb comes on if good, but what if it is on but it is dim?
Was this
answer
helpful?
Yes
No
+1
Thursday, October 18th, 2018 AT 3:52 PM (Merged)

Please login or register to post a reply.