Fuel Pump?

Tiny
CHRISRAK
  • MEMBER
  • 2002 JEEP CHEROKEE
  • V6
  • 4WD
  • AUTOMATIC
  • 300 MILES
I'm trying to diagnose my fuel pump if it's faulty, My question is? If I have my fuel filter disconnected and I turn over my engine? Shouldn't fuel come out the lines and if it doesn't that means my fuel pump is faulty?
Saturday, April 15th, 2023 AT 1:07 PM

3 Replies

Tiny
CARADIODOC
  • MECHANIC
  • 34,490 POSTS
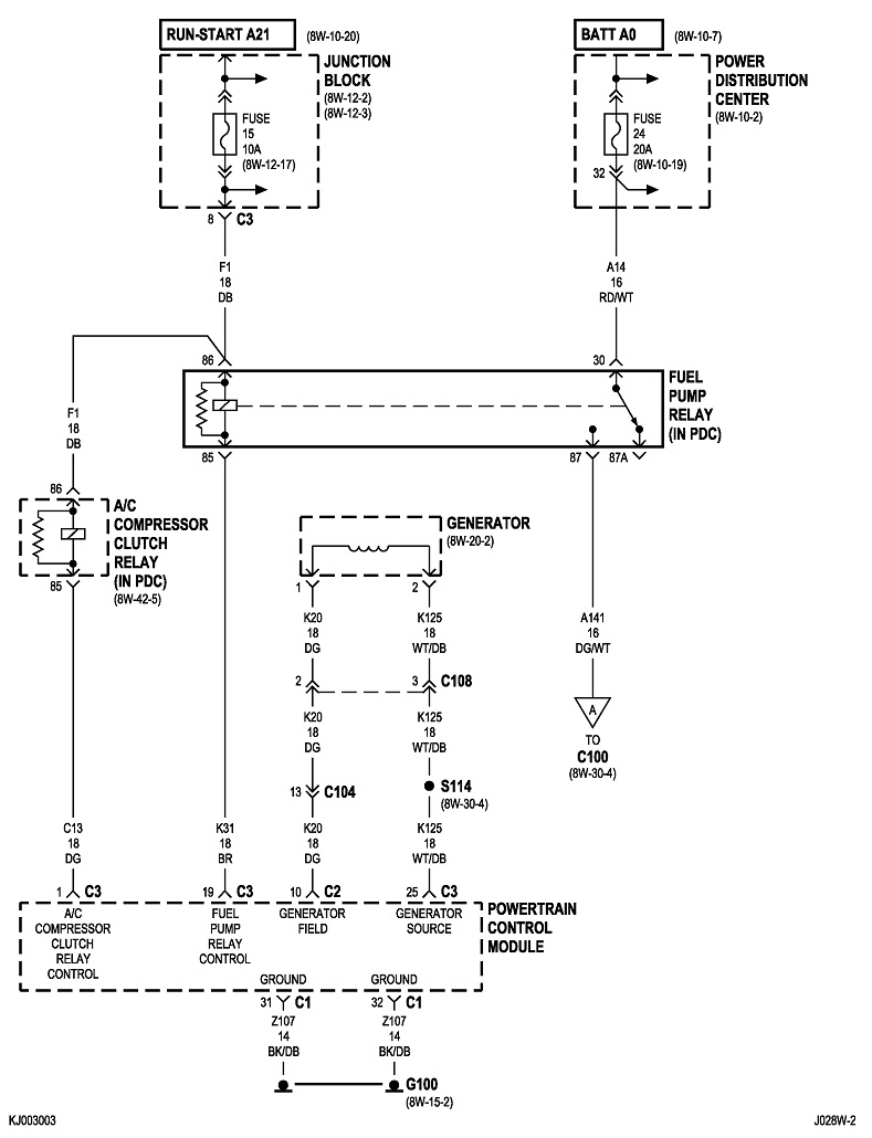
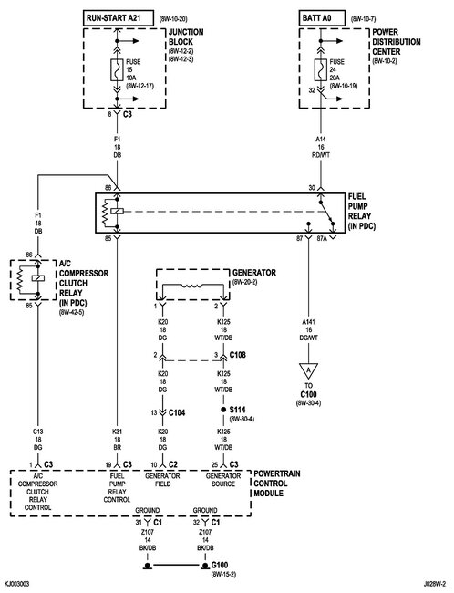
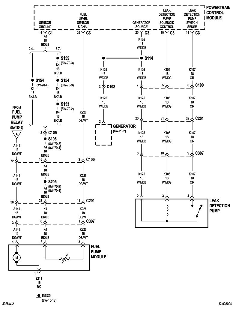
It's possible, but you also have to consider the 12-volt feed wire to the pump, its ground wire, and whether the relay is turning on. The first step is see if you have spark during cranking. If you do not, you should still hear the fuel pump run for one second when the ignition switch is turned to "run". If you don't hear that, and you don't have spark, we'll have to look at the automatic shutdown, (ASD) relay and see if that is turning on.

Another thing to be aware of is if you performed some other service that required emptying the gas tank, you may need to put in as much as five gallons before the pump will start pumping gas to the engine. Once that has occurred, you can use up that five gallons like normal.

Are you comfortable using a digital voltmeter or a test light? If you are, we'll want to measure the voltage at the fuel pump's electrical connector.

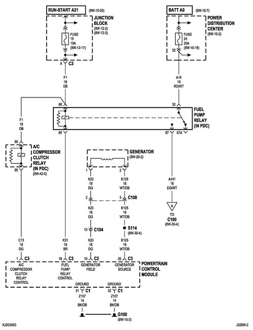
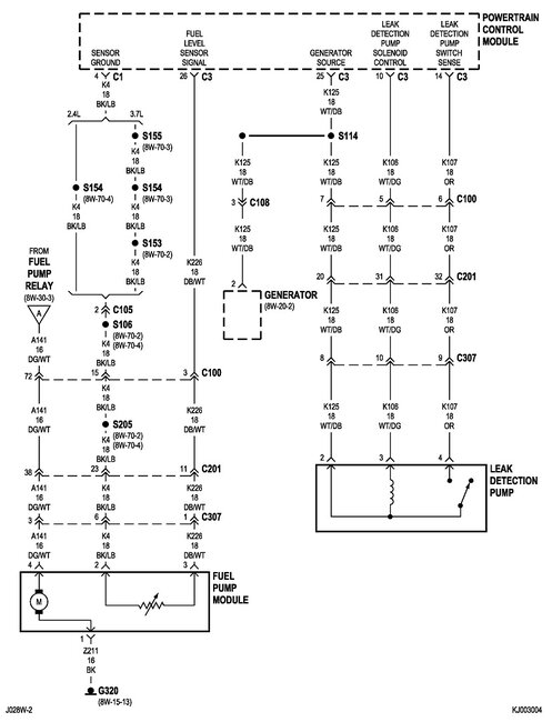
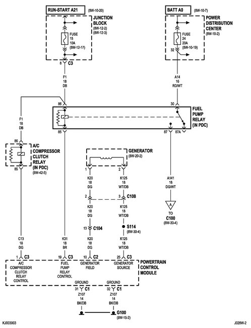
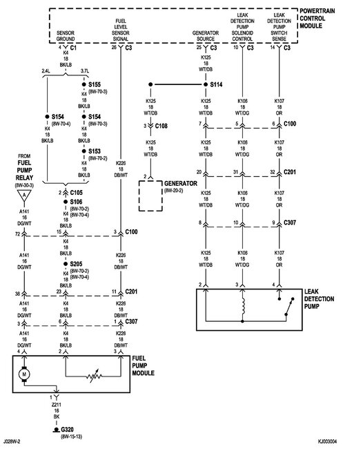
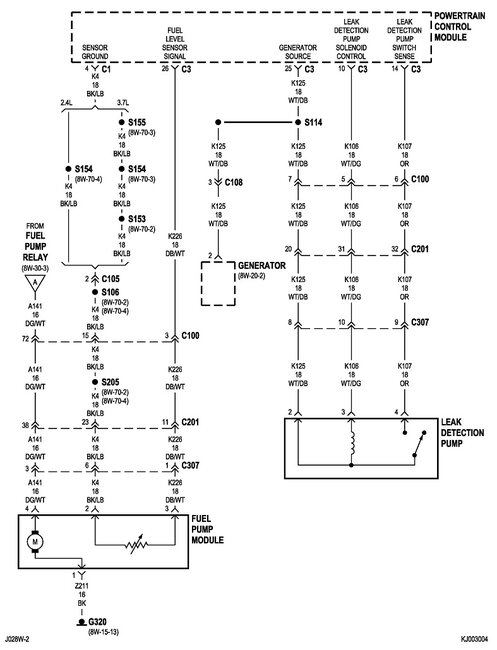
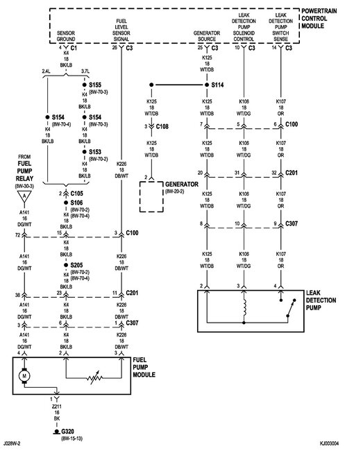
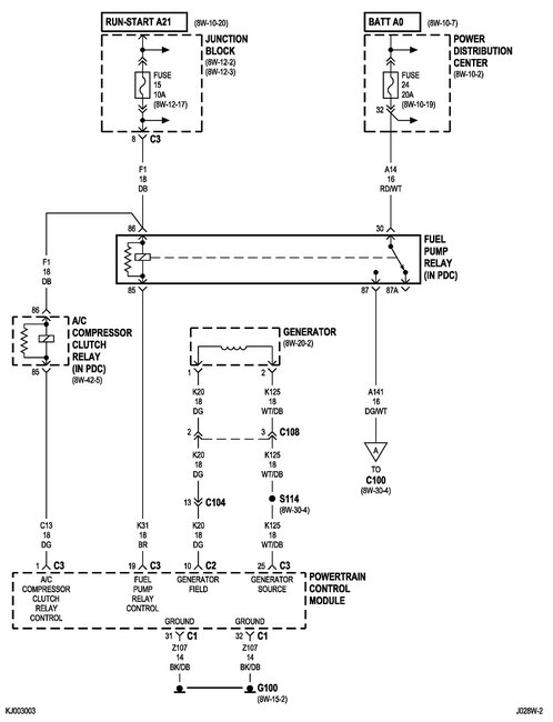
I don't have a listing for a Cherokee in 2002. The only thing I can find with a V-6 engine is a 3.7L in a Liberty. If these diagrams are wrong, you'll have to list the correct model and engine size. The wire in question is the dark green / white. Start with checking if you have 12 volts on it for that first one second when a helper turns on the ignition switch. If you do, check next on the black wire. The ignition switch will need to be turned off, then on again once you're ready to take that second reading. If you ever find any voltage on the black wire, it has a broken or corroded connection.

Let me know what you come up with.
Was this
answer
helpful?
Yes
No
+1
Saturday, April 15th, 2023 AT 5:00 PM
Tiny
CHRISRAK
  • MEMBER
  • 2 POSTS
Thank you so much for your help, which was very good information. And it is going to help me out a lot. I'm probably going to have to ask some more question so you'll hear from me in the future thanks again.
Was this
answer
helpful?
Yes
No
Saturday, April 15th, 2023 AT 10:45 PM
Tiny
CARADIODOC
  • MECHANIC
  • 34,490 POSTS
That's expected. I'm here almost every day. Some of our conversations go on for weeks or months, but we'll stick with you until this is solved.
Was this
answer
helpful?
Yes
No
Sunday, April 16th, 2023 AT 4:35 PM

Please login or register to post a reply.