After replacing the fuel pump still not getting fuel to the injector rail, why?

Tiny
CHRISTIANPLOTKE
  • MEMBER
  • 1999 MERCURY GRAND MARQUIS
  • 4.6L
  • V8
  • 2WD
  • 200,618 MILES
Changed fuel pump still not getting fuel to injector rail.
Friday, February 24th, 2023 AT 8:34 AM

3 Replies

Tiny
CARADIODOC
  • MECHANIC
  • 34,489 POSTS
Can you add some details or history? Do you hear the fuel pump run for two seconds when you turn on the ignition switch? Did you pump the tank empty first? If you did, how much did you put in when trying to start the engine?
Was this
answer
helpful?
Yes
No
+1
Friday, February 24th, 2023 AT 1:34 PM
Tiny
CHRISTIANPLOTKE
  • MEMBER
  • 3 POSTS
All you hear is a click on the fuel pump and then nothing usually you hear it running until
the pressure builds up right.
Was this
answer
helpful?
Yes
No
Friday, February 24th, 2023 AT 1:49 PM
Tiny
CARADIODOC
  • MECHANIC
  • 34,489 POSTS
No. I'm glad you mentioned that because it is exactly backward. There are a number of models today that do monitor fuel pressure, but for a different reason. Your model also monitors gas tank pressure, but again, for a different reason.

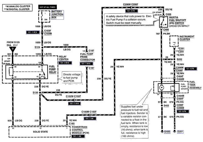
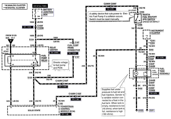
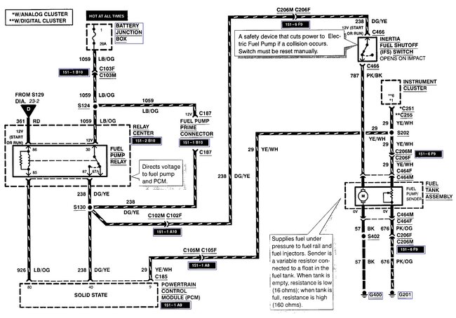
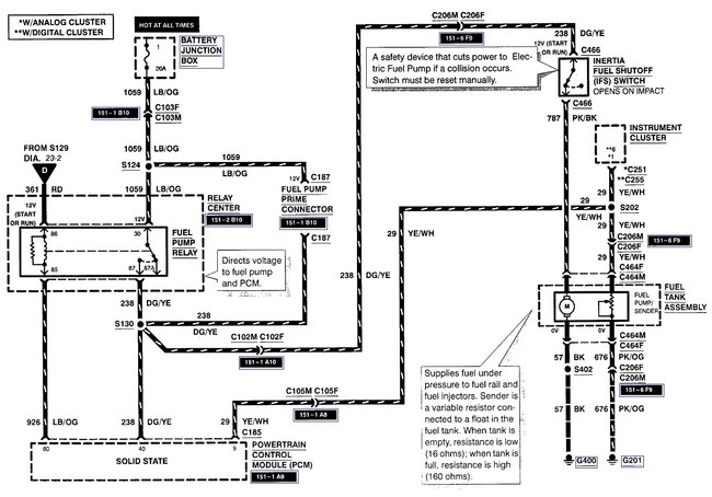
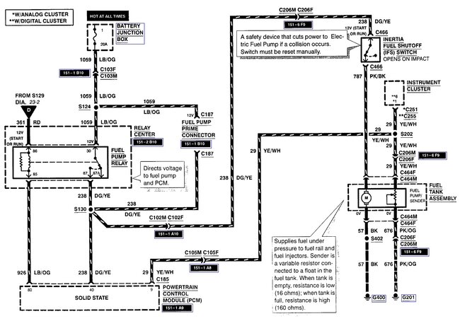
When you turn on the ignition switch, the fuel pump will run for one second, then turn off. That is long enough to get fuel pressure up for starting in case it bled down over days or weeks. It will resume running when the engine is rotating, (cranking or running). The Engine Computer knows that by the signal pulses it receives from the crankshaft position sensor, then it turns on the fuel pump relay.

The purpose of this system is for safety. If a fuel line is ruptured in a crash, the fuel pump would dump raw gas onto the ground, creating a huge fire hazard. Instead, with a broken fuel supply line, there can't be any fuel pressure. With no fuel pressure, no fuel can spray from the injectors, so the engine stalls. There's no signal pulses from the crankshaft position sensor once the engine stops running. The Engine Computer sees the lack of signal pulses, so it turns the fuel pump relay off. That stops the fuel pump from creating the fire hazard.

You didn't say how much fuel you put in the tank after this repair. You may need to add as much as five gallons to get the engine started. Unlike with older carbureted cars that had a reservoir good for over a minute of driving, fuel injected engines will stall instantly if the level in the tank is low and all the gas runs away from the fuel pick-up tube when you go around a corner or up and down hills. To prevent that, the pump and pick-up always sit in some type of reservoir. On my '88 Grand Caravan, that is a metal bowl welded to the bottom of the tank. On your car, that is the housing the pump and motor sit in.

With my '88 model, if the tank is run empty, when gas is poured into the tank, it dumps right into that bowl first, then overflows to fill the rest of the tank. A pint of gas is plenty to get that engine restarted. My '94 Grand Caravan is quite different. That pump sits in the housing assembly with no way for the gas being poured in to get into it. I have to pour in a minimum of five gallons to get the level high enough to overflow into the housing, then the engine will start. Your car has the same design, so you likely didn't do anything wrong when you installed the new pump. You just need to pour in more gas.

In both designs, a real lot of gas gets pumped to the engine, then well over 99 percent of it goes right back into the tank through a return line. It's that returning gas that flows into the reservoir to keep it full. At that point you can run the tank all the way down to empty again.

All other brands and models use a similar system, but most look at signal pulses from the camshaft position sensor as well as the crankshaft position sensor. To my knowledge, Ford is the only manufacturer that adds an "inertia" switch to the fuel pump circuit. That is a back-up safety control in case of a crash. A moderate non-crash impact can also trip that switch. That includes driving over pot holes and curbs. If tripped, that switch must be reset manually.
Was this
answer
helpful?
Yes
No
Friday, February 24th, 2023 AT 4:58 PM

Please login or register to post a reply.