Fuel pressure sensor replacement

Tiny
DICKSONRED2
  • MEMBER
  • 1998 LEXUS GS 300
  • 6 CYL
  • 198,000 MILES
Need detailed directions on how to replace the fuel pressure sensor switch.
Thursday, January 10th, 2019 AT 8:55 PM

1 Reply

Tiny
ASEMASTER6371
  • MECHANIC
  • 52,796 POSTS
Good morning,

Do you mean the fuel pressure regulator or the pressure sensor for the fuel tank? there is no fuel pressure sensor for the fuel delivery system.

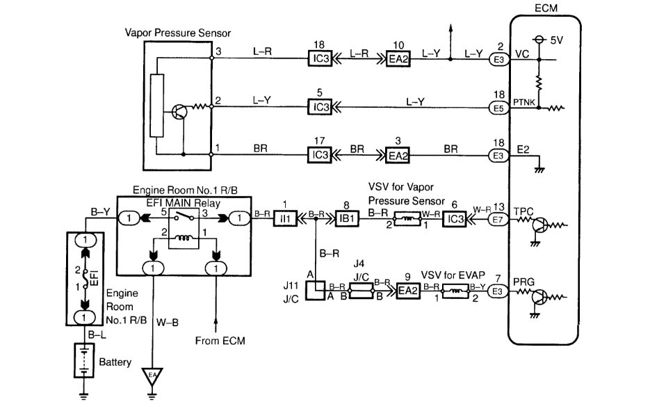
I attached a picture of the pressure sensor for the EVAP system for you to view.

What leads you to believe it has failed? This is not a common failure.

https://www.2carpros.com/articles/how-emission-control-systems-work

Do you have any codes?

Roy
Was this
answer
helpful?
Yes
No
Friday, January 11th, 2019 AT 6:30 AM

Please login or register to post a reply.