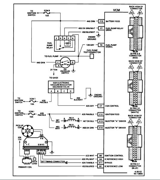
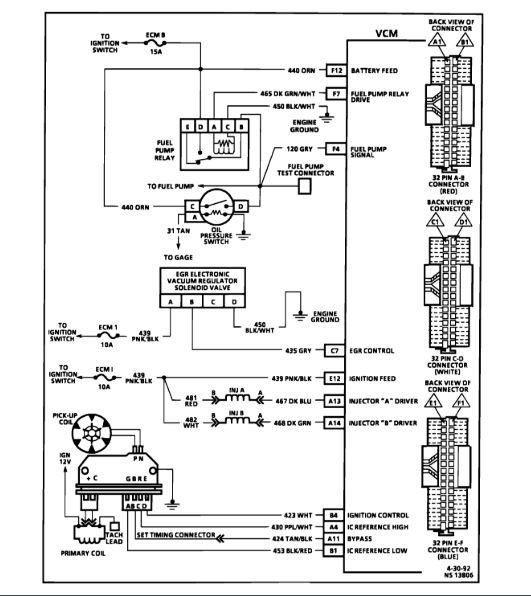
I primed it and it will start and keep running as long as I keep putting gas down the carburetor. So it is getting spark just not fuel.
I changed the relay, and the fuel filter. Still no start. Almost full tank of gas.
Wednesday, April 24th, 2019 AT 12:27 PM




