Sunday, February 11th, 2018 AT 6:01 AM
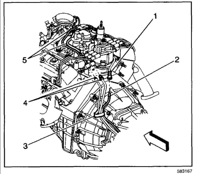
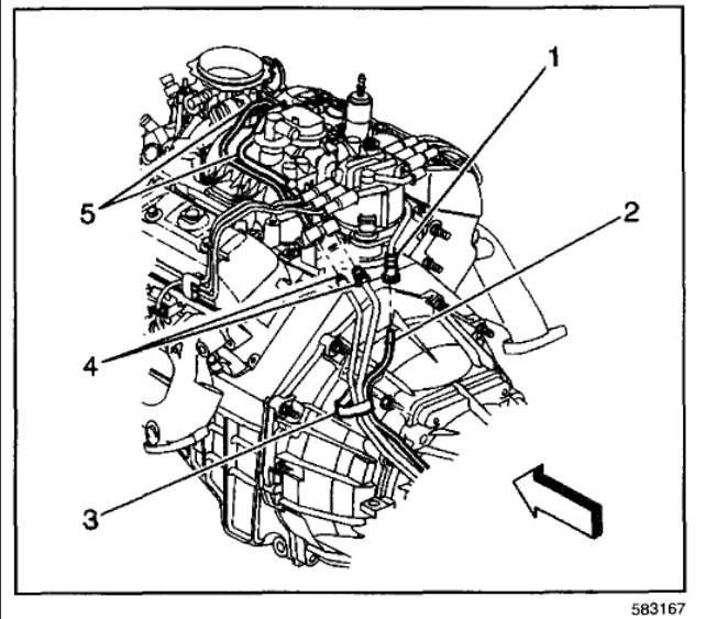
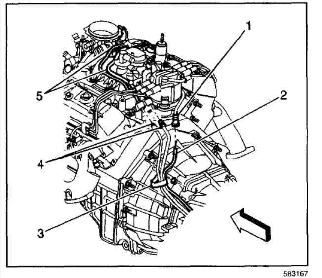
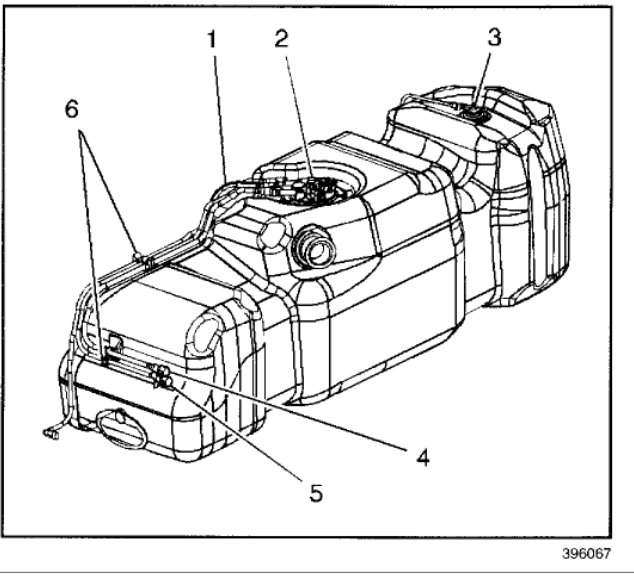
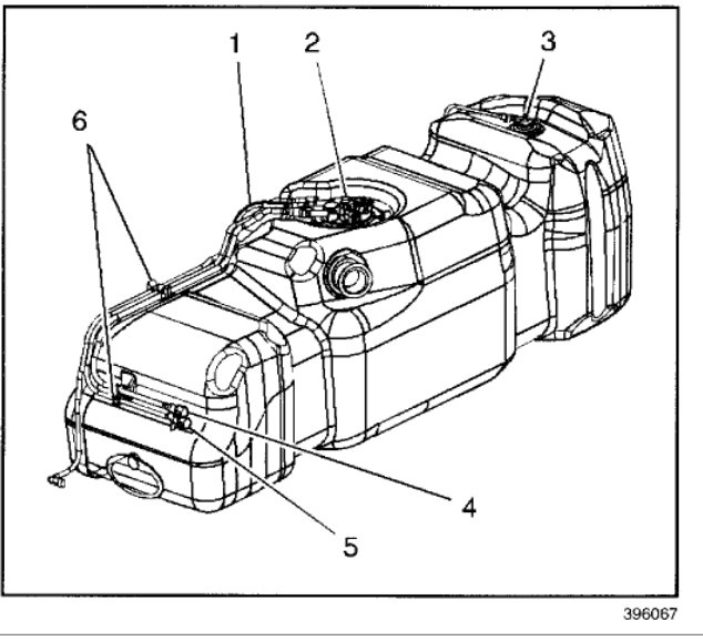
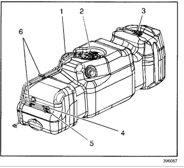
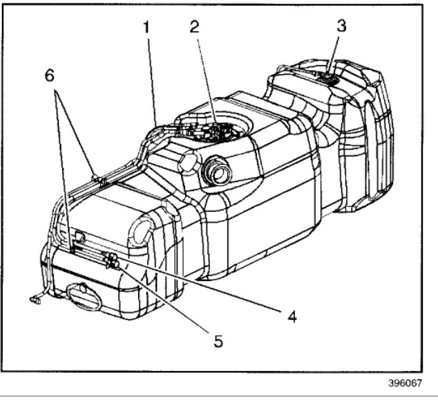
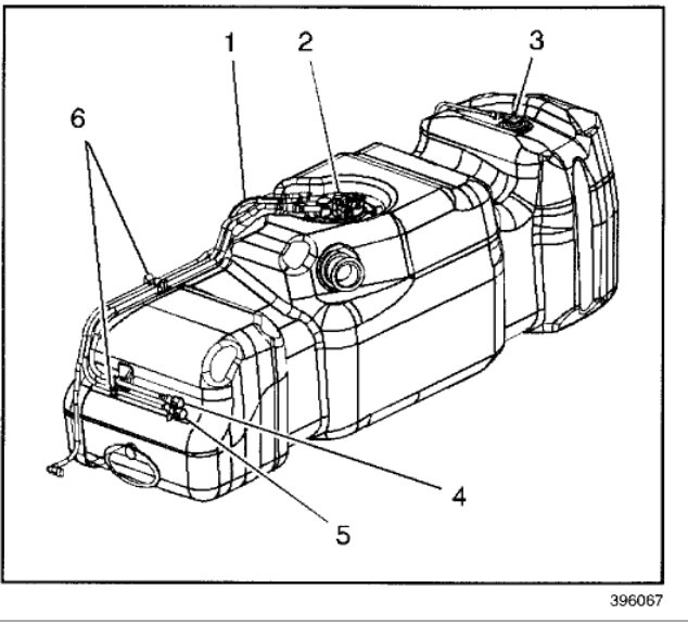
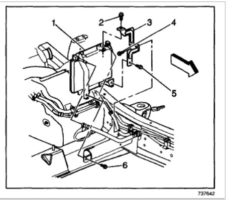
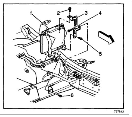
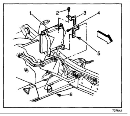
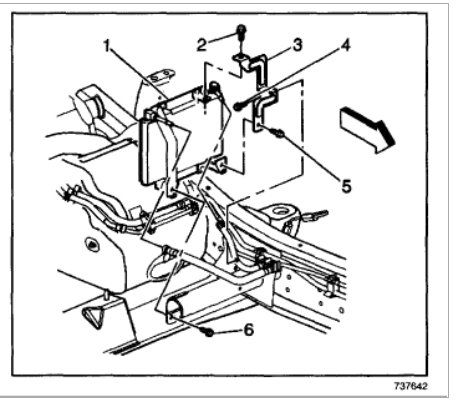
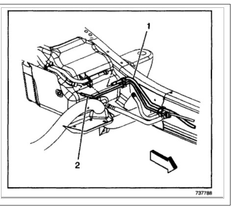
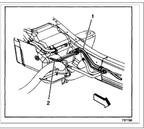
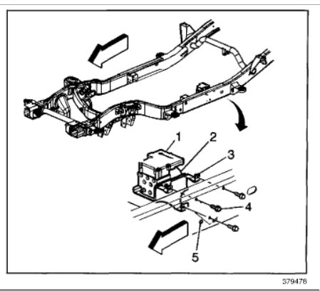
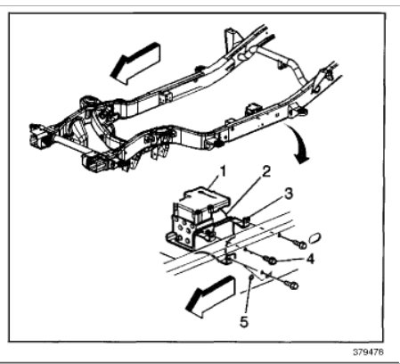
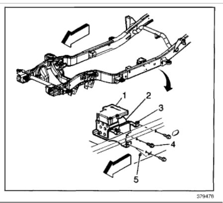
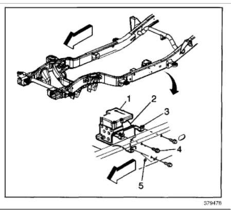
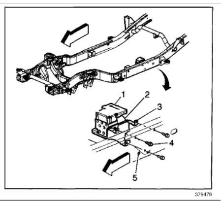
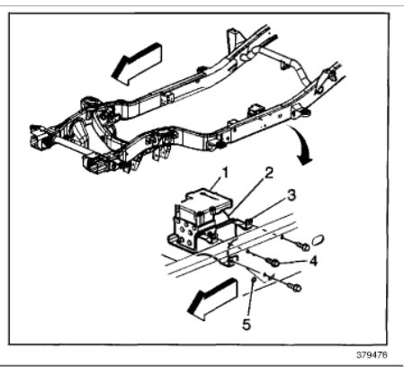
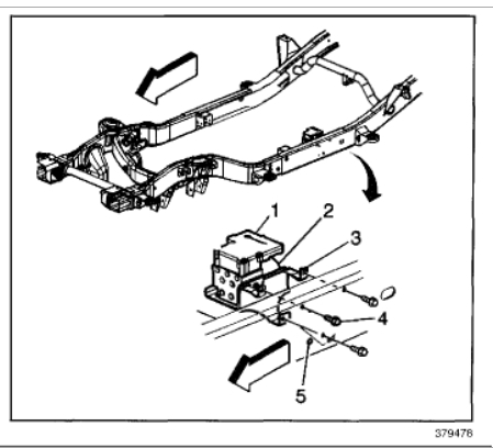
I need to replace the fuel lines that go to the fuel filter on both sides. They are rusted and stripped out badly and will not come off. I am replacing the fuel pump also if that helps. Any information would be helpful. Thanks.













