Fuel level indication light malfunction

Tiny
BLESSING EWOBOR
  • MEMBER
  • 2005 HONDA PILOT
  • 6 CYL
  • 4WD
  • AUTOMATIC
  • 143,286 MILES
Good morning, the vehicle fuel level indication light came up, I thought I had inadequate fuel in the vehicle. I decided to buy some fuel into the vehicle but the light (orange light blinking beside the fuel gauge) did not go off. I decided to check if the problem is from the sending unit, I removed the connector from fuel pump assemble but the light did not off. With all these, the fuel gauge is still functioning (the pointer still moving from empty to full, depending on the fuel level). Before now, the temperature gauge stop function (pointer do not move at all), after some time it started to function.
What could be the cause?
Wednesday, September 30th, 2020 AT 7:38 PM

3 Replies

Tiny
KASEKENNY
  • MECHANIC
  • 18,907 POSTS
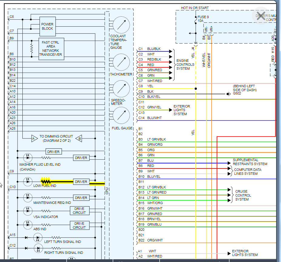
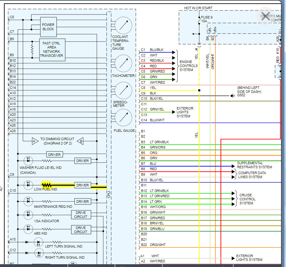
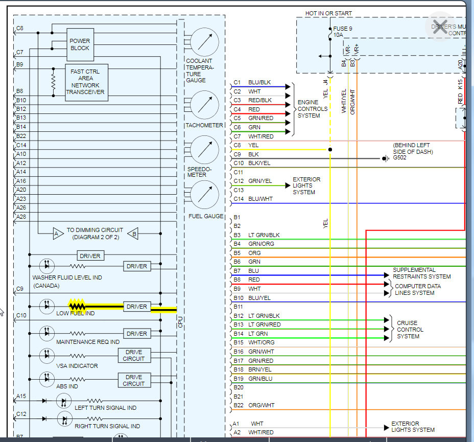
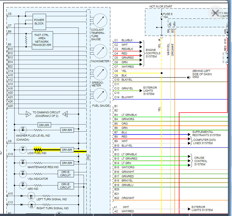
More then likely the driver or resistor on the circuit board of the cluster is the cause of these issues. The fuel indicator is run solely by the CPU on the cluster so if the gauge is correct that means the sender and wiring is okay. So the indicator staying on points to a cluster issue.

I attached the information and the way this works. If you take a look at the wiring diagram it shows the indicator gets power from the power block and that it is controlled by the CPU. I suspect this is the cause of the other gauge not working and then working again as well. If it were me, based on what you have done so far is replace the cluster and retest.
Was this
answer
helpful?
Yes
No
Thursday, October 1st, 2020 AT 6:24 PM
Tiny
BLESSING EWOBOR
  • MEMBER
  • 754 POSTS
Good morning, thank you.
Was this
answer
helpful?
Yes
No
Thursday, October 1st, 2020 AT 8:35 PM
Tiny
KASEKENNY
  • MECHANIC
  • 18,907 POSTS
Good evening. You are welcome as always. Talk to you next time. Let us know if you need more on this one. Thanks
Was this
answer
helpful?
Yes
No
Friday, October 2nd, 2020 AT 5:49 PM

Please login or register to post a reply.