Fuel injector troubleshooting

1990 CHEVROLET BERETTA
109 MILES • 3.1L • 6 CYL • 2WD • AUTOMATIC
Avatar
LISA MARTINEZ
  • MEMBER
  • 23 POSTS
Have fuel injector rail off but still attached to gas line. Have all the connectors unhooked besides # 1 with a noid light. Have no pulse. I had hooked a t-pin in injector control wire dark green from PCM to test, but it got to dark so I left it for the night went to test for power the next morning with key on and was moving the injector wires and all of a sudden the noid light stayed on And the 1 injector sprayed gas.
But i had forgot i put a t-pin in control wire the night before.
then i noticed the t- pin was touching engine. that's what is making the system work, when that t - pin is touching ground engine what the heck. Because I was working on this car as a no start but cranks. replaced fuel pump , relays are good have spark. please if you can help.
Jan 29, 2020 at 6:13 AM
Repair Safety Notice: This information is for general instructional purposes only. Vehicle repair can be dangerous. Verify all information, follow manufacturer service procedures, use proper tools and safety equipment, and consult a qualified repair shop when needed.
Advertisement
Avatar
STRAILER
  • CAR REPAIR CONTRIBUTOR
  • 54,209 POSTS
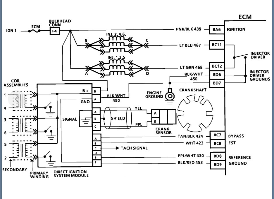
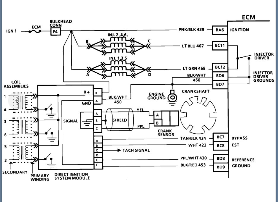
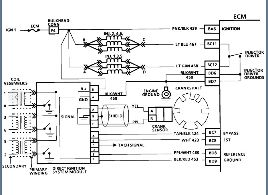
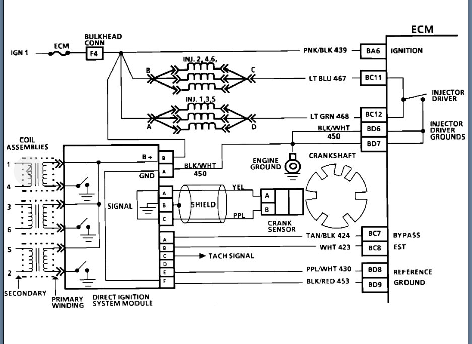
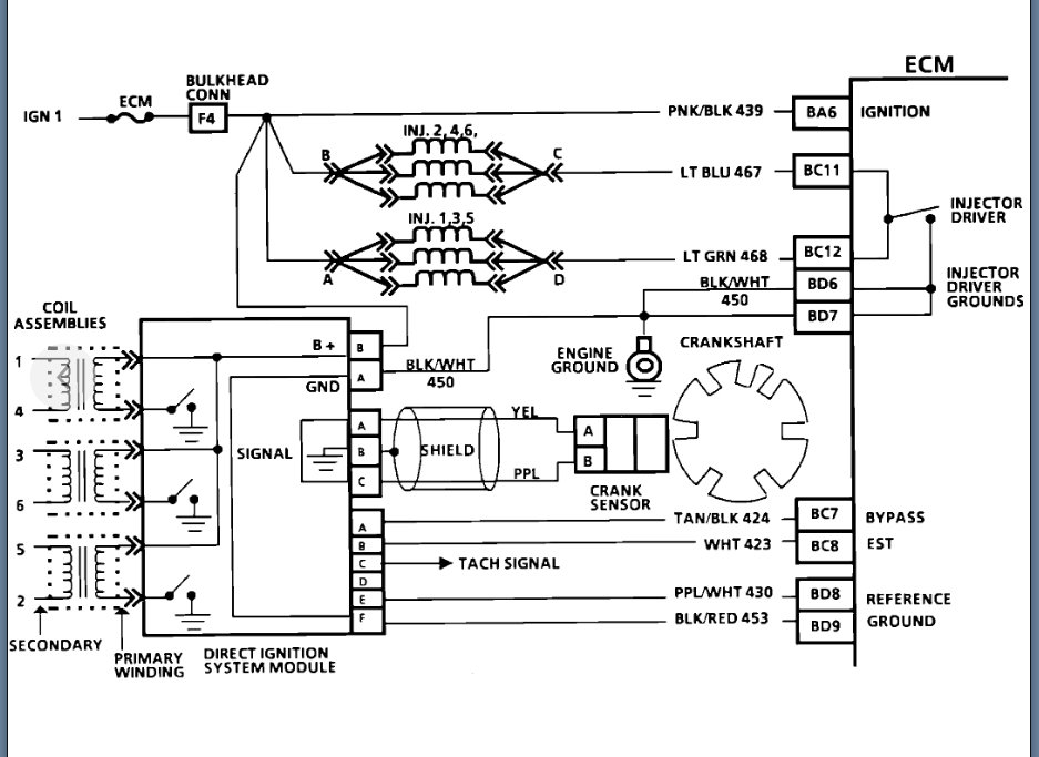
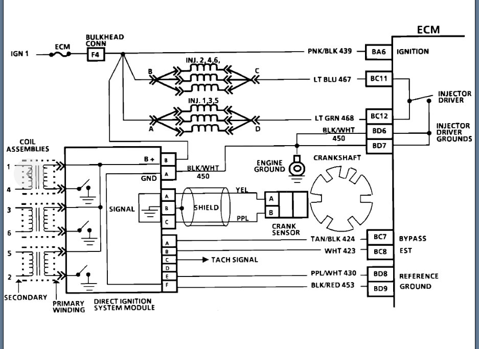
This sounds like the the crankshaft sensor is not working correctly. here is the location so you can replace it to see what happens. Check out the diagrams (below). Please let us know what you find.

Feb 1, 2020 at 10:59 AM
Advertisement
Avatar
KASEKENNY
  • CAR REPAIR CONTRIBUTOR
  • 18,907 POSTS
Couple things. We need to back up and make sure the fuel is the reason for the no start. I attached a flow chart that will take us through the basics then direct us to the next step.

The reason we need to do that is because what you are doing is grounding the injector and this is what makes it spray. These are what is called ground side control. In other words, the PCM supplies power to the injectors all the time but when it wants to fire one it grounds the circuit and it completes the circuit. This means that when you ground the injector, you are taking the place of the ECM. So I suspect we either have a wiring issue or more likely an ECM/PCM issue. However, if there is something else like the crank sensor is telling the PCM not to fire the injectors then replacing the ECM will not fix it. This is why we need to run through this test to see what we have.
Feb 1, 2020 at 11:08 AM
Avatar
LISA MARTINEZ
  • MEMBER
  • 23 POSTS
the first thing is says connect to scan tool, mine does not have a OBD2. I've jumped and be with a paperclip and read the flash codes and I'm not getting no codes just the 1 -1 2, 1 -,1 2 1-1 2. It says if I don't have that connector to go to chart 2 only have chart 3 I sent.
Feb 13, 2020 at 6:48 AM
Avatar
STRAILER
  • CAR REPAIR CONTRIBUTOR
  • 54,209 POSTS
12 means the system is not finding any faults. With that being said the computer does not have as code telling you it is not working correctly. I would try a used unit to see what happens. here is the location:

When replacing a production Computer with a service Computer, transfer the broadcast code and production number from the production unit to the service unit. Also during replacement, the PROM, CALPACK, and if equipped, the MEMCAL must be removed from the Computer being replaced and transferred to the new unit. Refer to PROM, CALPACK and MEMCAL in this section for replacement procedures.

1. Disconnect battery ground cable.
2. Then disconnect two computer electrical connectors.
3. Remove computer mounting hardware.
4. Remove computer from passenger compartment.
5. Reverse procedure to install.


Check out the diagrams (below). Please let us know what happens.
Feb 13, 2020 at 10:06 AM