fuel injector open circuit?

2011 GMC TERRAIN
188,000 MILES • 2.4L • 4 CYL • 2WD • AUTOMATIC
Avatar
RAY41BROWN
  • MEMBER
  • 1 POST
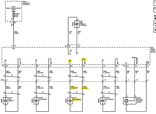
number 3-cylinder circuit is open. i need pin out for the connector by the throttle body to measure resistance.
Feb 7, 2023 at 12:51 PM
Advertisement
Avatar
AL514
  • CAR REPAIR CONTRIBUTOR
  • 5,489 POSTS
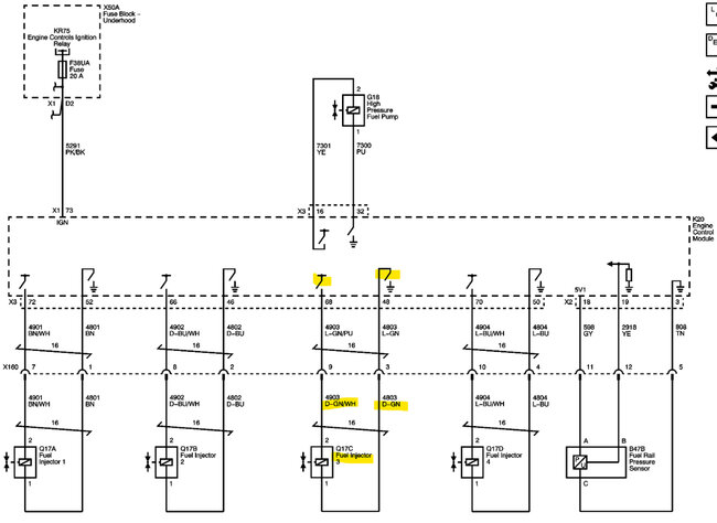
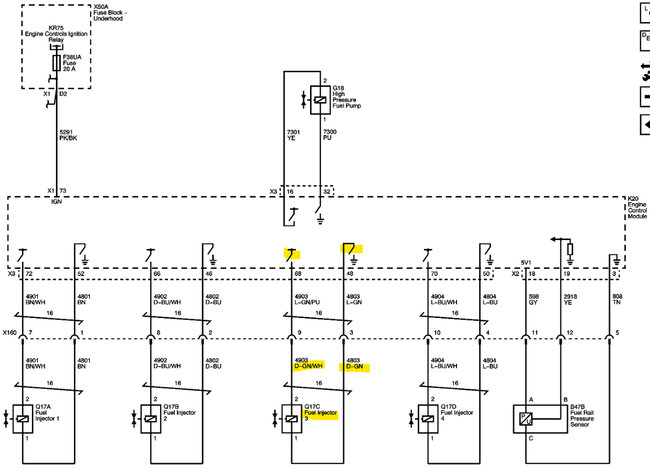
Hello, I have the wiring diagram pulled up for the number 3 fuel injector, this being a direct injection fuel system, when you check resistance, also check from each injector pin to the cylinder head. So, each pin to ground, these injectors sometimes short to the body of the fuel injector and therefore to the cylinder head. Even if it's in M-ohms, there should be no reading to ground at all. Will post the diagram. I just want to verify the OEM diagrams are the same. These are peak and hold injectors so it's a 65volt capacitor that will open the injector and then 12volt that holds it open. So, it's not just a 12volt system. Just so you know. I will verify the higher voltage reading, but you can notice on the OEM diagram that there are 2 transistors on each side of the fuel injector wiring internal to the ECM.
Also test the injector resistance at room temperature 70f.
Also, if the ECM detects a circuit issue it will disable the fuel injector to protect the ECM injector driver. I assume you're getting an open circuit code. I posted some extra information on the codes.
Note, you'll have to clear the codes before the ECM will activate the fuel injector again if it has been intentionally shutdown. If the injector is within resistance spec, then check the wiring from the ECM for any shorts to ground or shorts to power. These injectors have very low resistance and the resistance changes quite a lot with heat.
Feb 7, 2023 at 3:05 PM
Advertisement
Repair Safety Notice: This information is for general instructional purposes only. Vehicle repair can be dangerous. Verify all information, follow manufacturer service procedures, use proper tools and safety equipment, and consult a qualified repair shop when needed.