Fuel injection or fuel filter

1990 OLDSMOBILE CUTLASS
38,000 MILES
Avatar
SOUTHWIND90
  • MEMBER
  • 1 POST
If it has a fuel filter where is it located on the car listed above it is the Supreme international model?
Jun 14, 2018 at 8:57 AM
Advertisement
Avatar
JACOBANDNICKOLAS
  • CAR REPAIR CONTRIBUTOR
  • 110,190 POSTS
Hi and thanks for using 2CarPros.com.

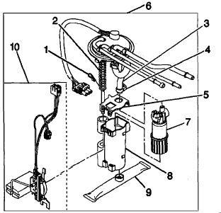
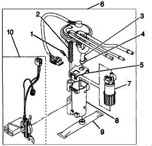
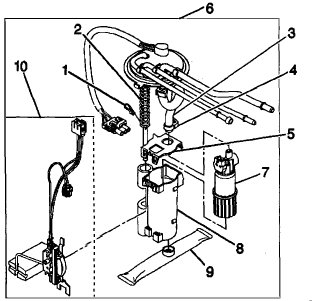
This can be one of two models Cutlass, a Ciera or full size Cutlass. The Ciera is located on the frame rail on the driver's side in front of the rear wheel. I have attached a picture of the full size Cutlass location for your review.

Let me know if this helps.

Take care,
Joe
Jun 14, 2018 at 8:07 PM
Advertisement
Repair Safety Notice: This information is for general instructional purposes only. Vehicle repair can be dangerous. Verify all information, follow manufacturer service procedures, use proper tools and safety equipment, and consult a qualified repair shop when needed.