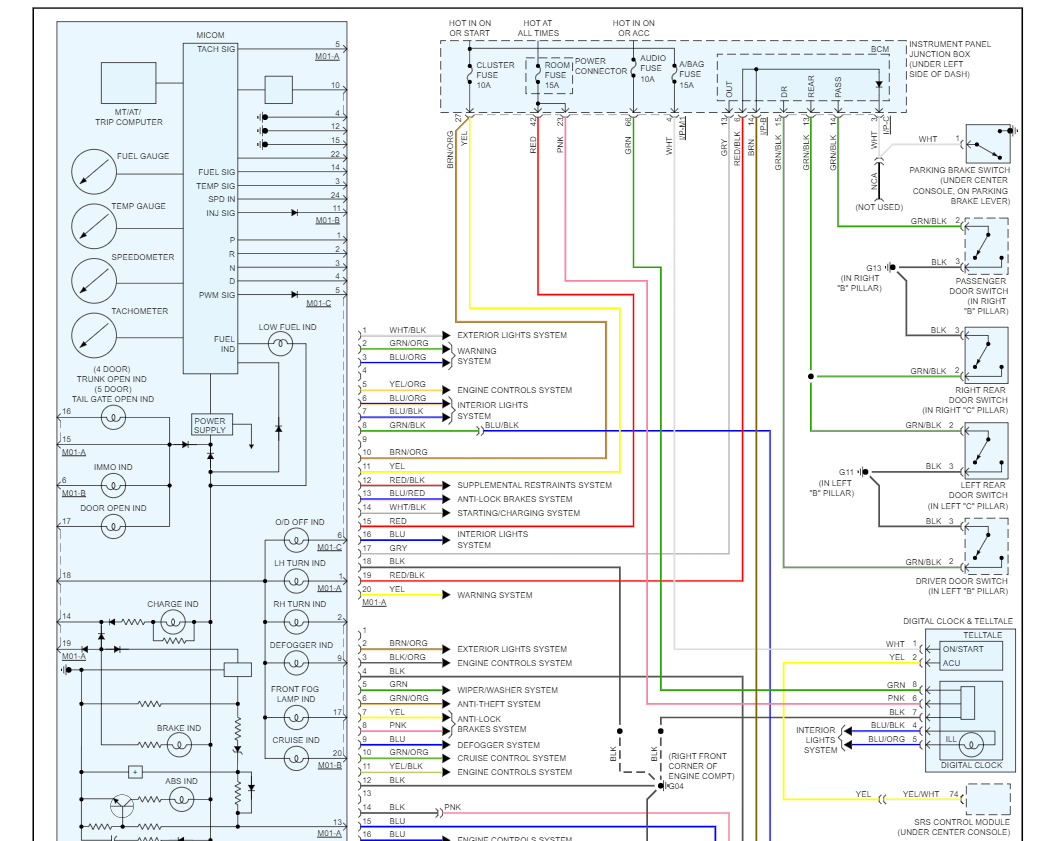
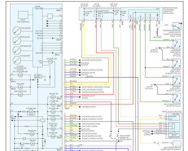
I need a wiring diagram to chase non-working fuel gauge?

Tiny
CHULOW
  • MEMBER
  • 2007 KIA SPECTRA
  • 4 CYL
  • 2WD
  • AUTOMATIC
  • 156,000 MILES
Install new pump that comes complete with gauge float
and still does not work. Any testing tips and wiring diagrams would help.
Tuesday, February 21st, 2023 AT 7:22 AM

1 Reply

Tiny
KEN L
  • MASTER CERTIFIED MECHANIC
  • 55,428 POSTS
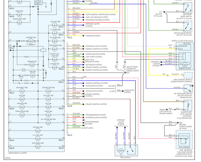
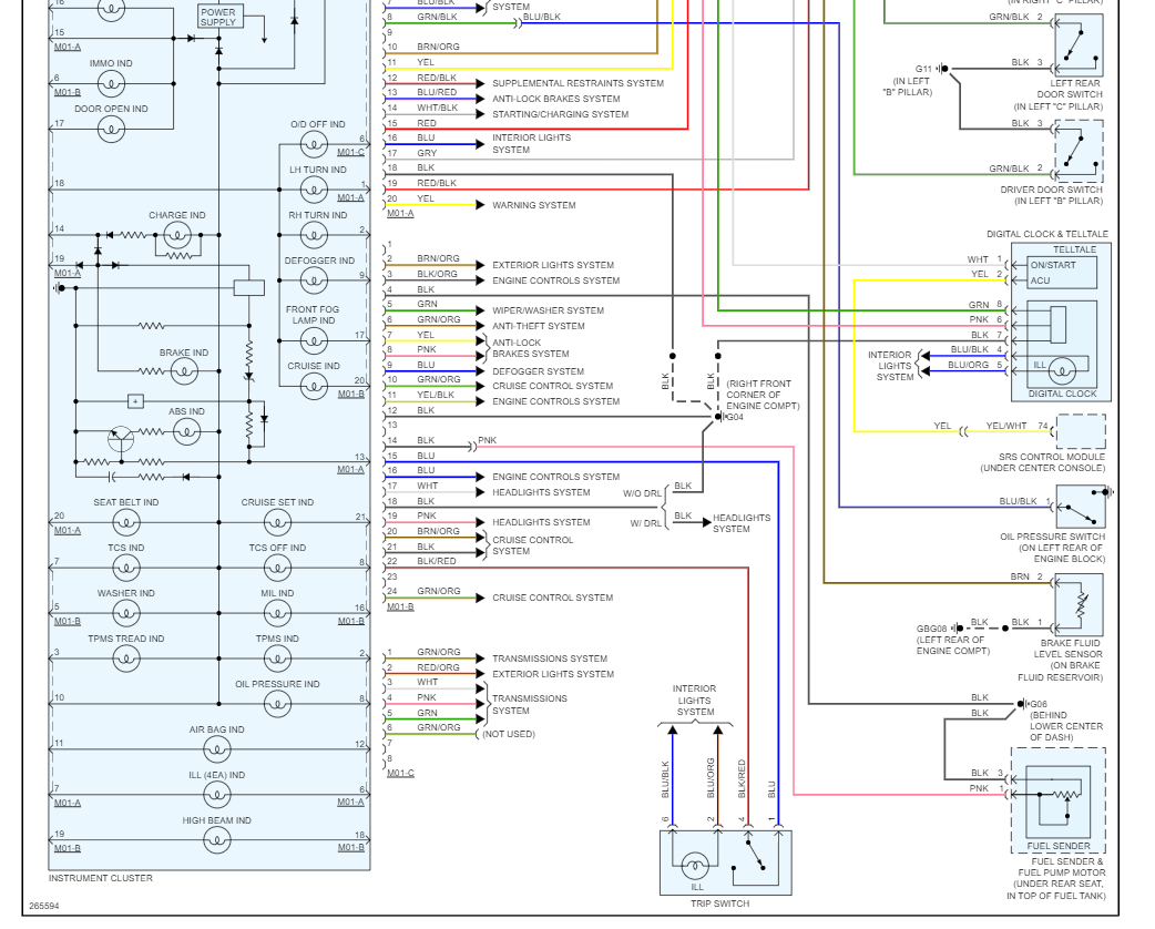
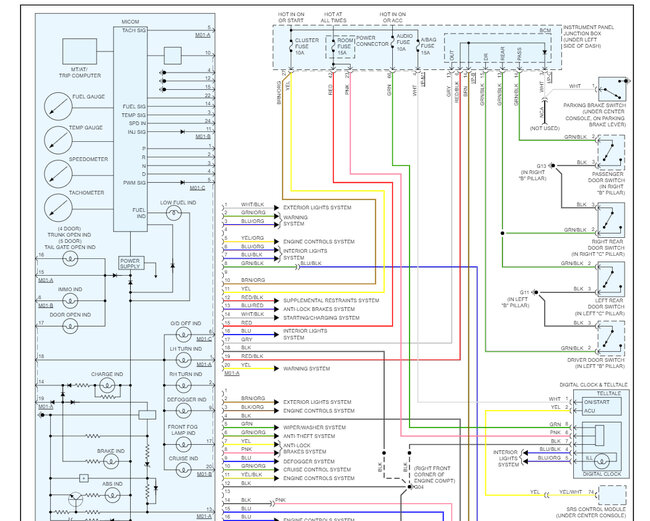
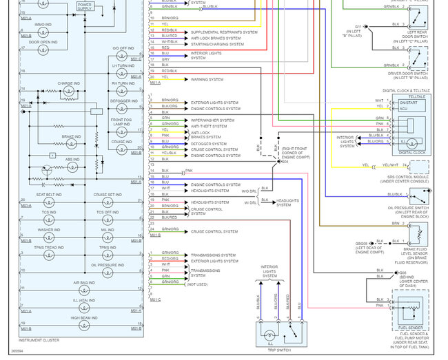
Sure, got them right here, but it sounds like the instrument cluster is not working because of your last question about the speedometer. Anyway, here are the wiring diagrams needed. One wire goes the cluster, and the others go through the PCM. There is a chance that the PCM is bad causing both issues. Please let me know and check the images below for the diagrams.
Was this
answer
helpful?
Yes
No
Tuesday, February 21st, 2023 AT 12:56 PM

Please login or register to post a reply.