Saturday, November 17th, 2018 AT 4:14 PM
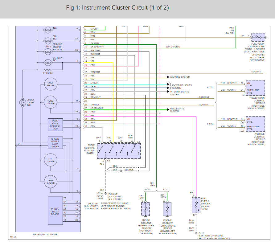
My fuel gauge is reading a quarter of a tank when I know it is full and the temperature gauge is reading 110. I have replaced the cluster and the sending unit. I could really use some good advice.






