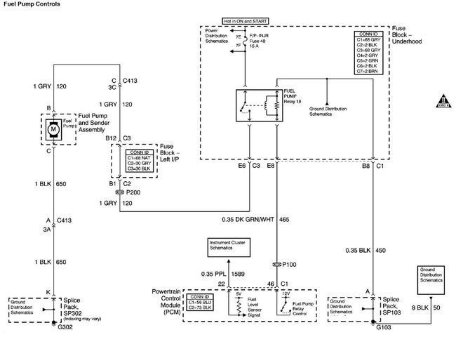
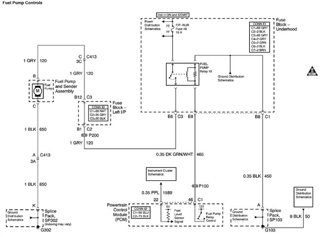
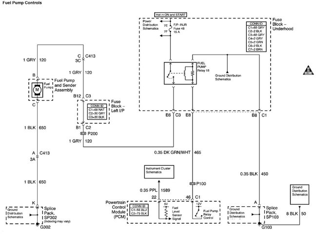
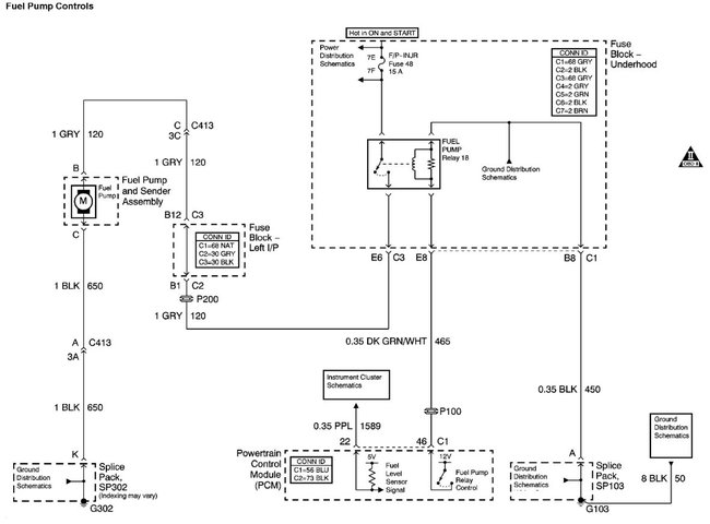
Fuel fuses and relays locations

Tiny
JOSEPH KEELE
  • MEMBER
  • 2004 CHEVROLET CLASSIC
  • 2.2L
  • 4 CYL
  • 2WD
  • AUTOMATIC
  • 255,000 MILES
I don't have a fuse box in my trunk of my car where it is at not with mine. I just put a brand new fuel pump and fuel filter in and get zero fuel to the motor to start?
Saturday, December 5th, 2020 AT 4:54 AM

1 Reply

Tiny
STEVE W.
  • MECHANIC
  • 15,671 POSTS
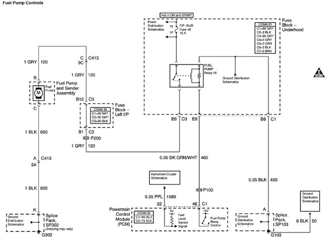
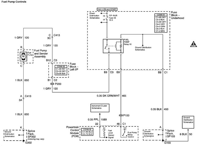
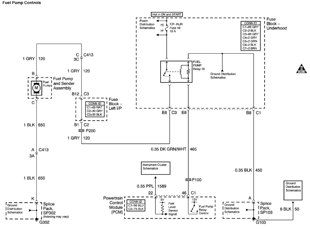
Your Classic has 3 fuse locations. There is the main fuse and relay box on the left side under the hood and then two other fuse panels one at each end of the dashboard. In the case of the fuel pump both the pump relay and fuse are in the under hood fuse box. The fuse is number 48 and the relay is number 18. A way to check if the fuse and circuit to the relay is okay would be to remove the connector from one of the fuel injectors and use a test light to check for battery voltage on the Pink wire with the key on. To test the rest of the system you can use a simple test light or a volt meter. The test light is usually faster though. First verify that the fuse is good, then listen and feel the pump relay when someone turns the key on. If you hear and feel it click the control side of it is working. Remove it from the socket and check the socket for any damage. Now connect the test light to a ground and touch each of the 4 terminals in the socket. You should find one with power with the key on, and another with power for 2 seconds when the key is first turned on. Now connect the test light to battery positive. Touch the two connections that didn't have power. Both should turn the light on. One is a direct ground for the relay and the other should have a complete circuit through the fuel pump to ground. The Gray wire at the pump runs up to the relay through one connection but to verify that there is power and ground at the pump you need to access the pump connector. The plug for it is shown in the last image. When the key is first turned on there will be a 2 second pulse of battery power on the gray wire at terminal B. Connect the test light to ground to test that, then connect it to battery positive and check that pins C and D are both grounded. Pin C ground is the pump ground, it goes up into the car and attaches to a ground point under the passenger seat. If this ground tests bad you can actually run it to any other good grounding point.
Do not try to connect it to the other ground in the pump connector though, it isn't heavy enough to carry the power the pump uses.
Was this
answer
helpful?
Yes
No
Saturday, December 5th, 2020 AT 8:08 AM

Please login or register to post a reply.