Where is the fuel door lid opener relay located?

2018 NISSAN ROGUE
90,000 MILES • 2.4L • 4 CYL • 4WD • AUTOMATIC
Avatar
BWB333
  • MEMBER
  • 3 POSTS
I'm unable to find the location of the fuel door lid opener relay.
Jul 28, 2024 at 10:21 AM
Advertisement
Avatar
JACOBANDNICKOLAS
  • CAR REPAIR CONTRIBUTOR
  • 110,190 POSTS
Hi,

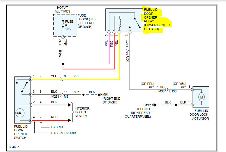
It is a little to the right of center, closer to the glove box and under the dash. I attached a pic of the wiring schematic showing it. Also, the second pic is the best I could find to show the location.

Take a look and let me know if this helps.

Take care,

joe

See pics below.
Jul 28, 2024 at 8:14 PM
Advertisement
Repair Safety Notice: This information is for general instructional purposes only. Vehicle repair can be dangerous. Verify all information, follow manufacturer service procedures, use proper tools and safety equipment, and consult a qualified repair shop when needed.