Fuel delivery problems

Tiny
QUICKEDDIE1956
  • MEMBER
  • 1987 MAZDA B2000
  • 2.0L
  • 4 CYL
  • 2WD
  • AUTOMATIC
  • 180,000 MILES
The fuel relay burned and I tried to bypass the pump in the tank and put one on the frame but I did not take the one out of the tank. It wont run I cannot get enough fuel.
Saturday, February 29th, 2020 AT 6:32 AM

1 Reply

Tiny
SCGRANTURISMO
  • MECHANIC
  • 4,897 POSTS
Hello,

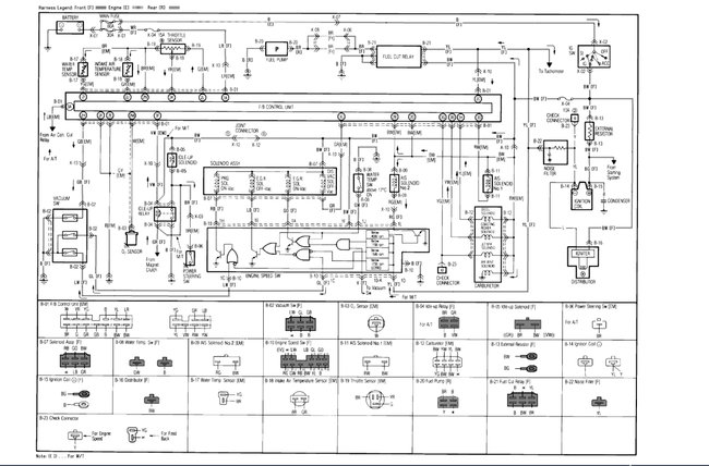
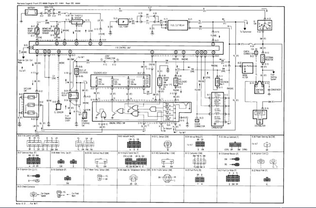
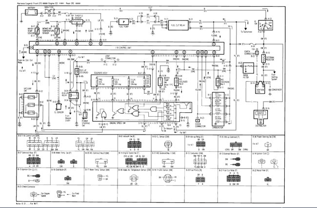
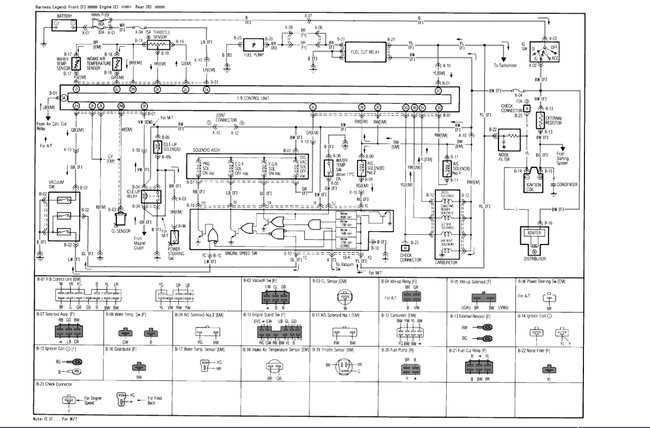
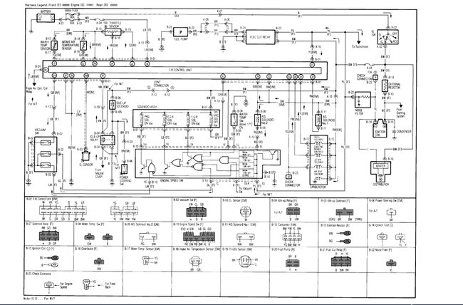
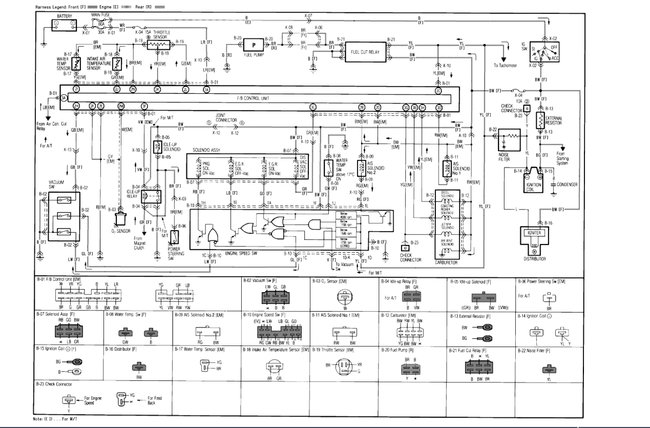
So, I assume you want to go back to the fuel pump in the tank. This is a fairly simple thing to do by just running the wires, or using the old existing wires and simply install a new fuel pump relay. Relay are basically electromagnetic switches that can be broken down into two separate distinct sides, the control side and the power side. The control side consists of an electromagnetic coil that has a switched power pin and a ground pin, usually pins 86 and 85 respectively. To install a new fuel pump relay yourself run a wire from the under-dash fuse panel that is hot in "start" and "run" to pin 86 of the relay and then run a wire from pin 85 to any ground on your vehicle, even if you screw a screws into the body to ground the wire yourself. The other side of the relay, the power side, has a hot wire coming from the under-hood fuse panel fuel pump fuse, or you can run it straight from the battery positive terminal as long as you have an inline fuse in the wire to protect this circuit to pin 30 on the relay and then run a wire from pin 87 on the relay to the positive wire on the in tank fuel pump. This will allow current to make it to the fuel pump any time the vehicle is in either "start" or "run". I have included a generic 4 pin relay diagram in the diagrams below as well as the fuel pump and emissions wiring diagram for your vehicle. Please go through these and report back with how everything turns out.

Thanks,
Alex
2CarPros
Was this
answer
helpful?
Yes
No
-1
Saturday, February 29th, 2020 AT 1:40 PM

Please login or register to post a reply.