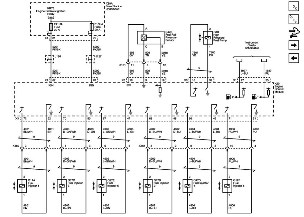
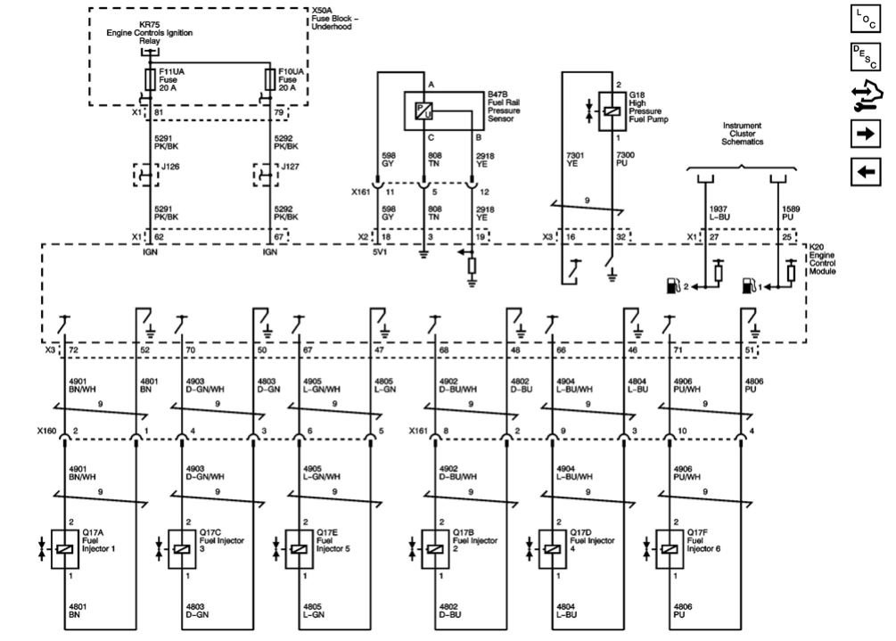
Friday, June 1st, 2018 AT 8:08 AM
So I am working on my car the fuel pump went out, we dropped the tank and replaced it and can hear it cycling the fuses and relays are good. The car cranks and fires and will run for a split second using starter fluid. This car has me mind boggled. Any tips?



