Fuel and oil circuit error

Tiny
LESETSA BRIDGE
  • MEMBER
  • 2005 JEEP CHEROKEE
  • 2.8L
  • TURBO
  • 4WD
  • AUTOMATIC
  • 200,000 MILES
Fuel light always on empty (even when full) and oil light stays on.
Tuesday, March 3rd, 2020 AT 7:21 AM

1 Reply

Tiny
ASEMASTER6371
  • MECHANIC
  • 52,796 POSTS
Good morning.

Did you verify the oil level is correct? Is it the red light or the oil level indicator?

As far as the fuel, did this all start at the same time?

This is possible that the cluster may be the fault.

Do you have a scan tool that can read the cluster to see if it is reading different from the ECM?

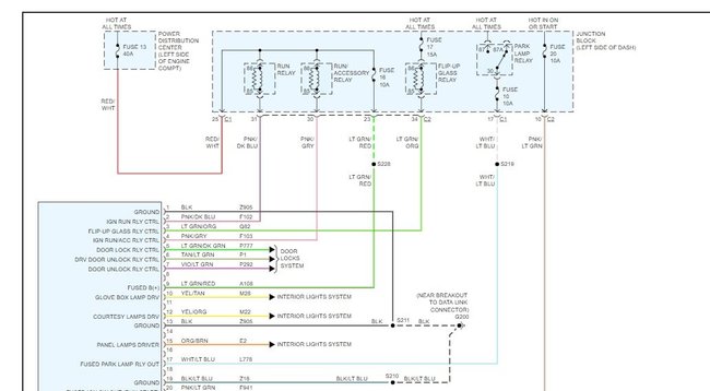
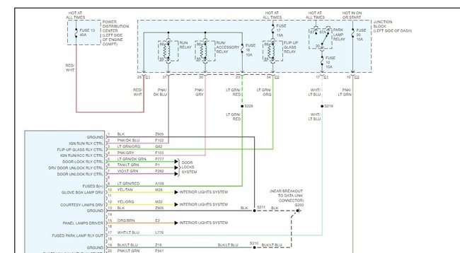
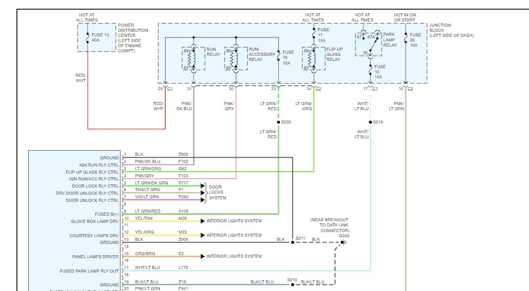
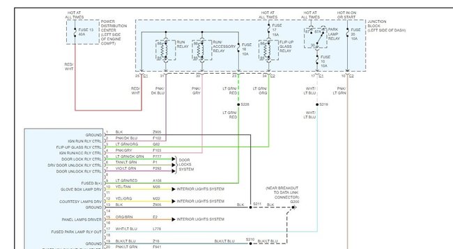
I attached a diagnostic flow chart for checking the cluster for you to view.

Roy
Was this
answer
helpful?
Yes
No
Tuesday, March 3rd, 2020 AT 8:21 AM

Please login or register to post a reply.