Engine runs rough, low power and stalls

Tiny
STACEY GOSS
  • MEMBER
  • 1997 FORD CROWN VICTORIA
  • 6 CYL
  • 2WD
  • AUTOMATIC
  • 97,000 MILES
When I put gas in it the car starts running rough and stalls or has no power and goes about ten miles an hour?
Sunday, May 29th, 2022 AT 3:01 AM

1 Reply

Tiny
KASEKENNY
  • MECHANIC
  • 18,907 POSTS
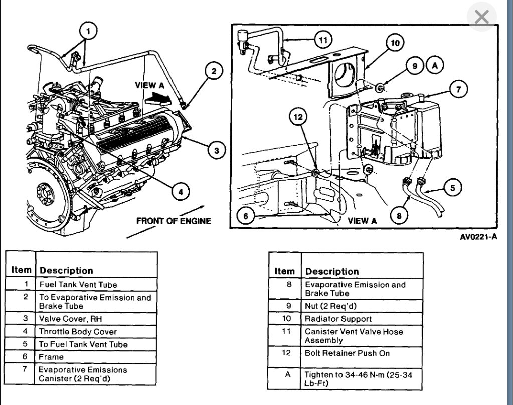
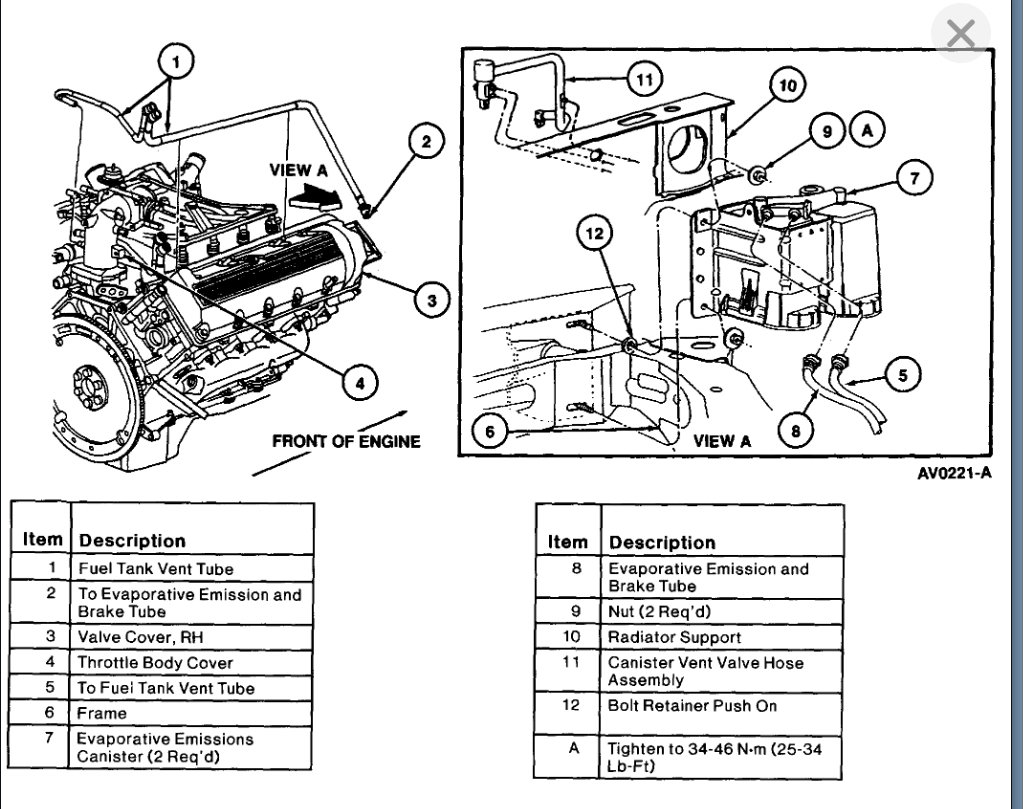
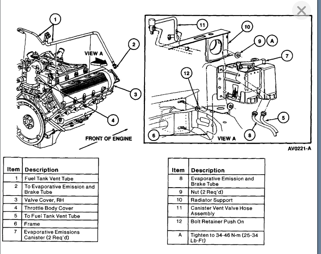
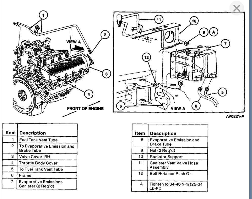
I am pretty sure this is going to be related to the purge EVAP system.

Basically, this is the system that pulls the vapor off the top of the fuel and uses it rather than releasing it to the atmosphere.

However, when you top off your tank or fill the car when it is running then it can damage the purge valve and canister as it pulls raw fuel in rather than just vapor. Even if you have not done this it can still fail with time.

They basically just get stuck open and allow too much vapor in when trying to start the engine and it floods the engine and it may start and run poorly/stall or not even start.

Clearly this could be a failing fuel pump as well so we can check the pressure.

https://www.2carpros.com/articles/how-to-check-fuel-system-pressure-and-regulator

However, if this only happens after filling the tank then I am pretty sure the purge valve has failed, and you need to check the canister for fuel because the new one will fail as well if there is actual fuel inside the canister. This breaks down the charcoal and clogs the valve.

Please see the info attached below and let me know what you find with this. Thanks
Was this
answer
helpful?
Yes
No
Sunday, May 29th, 2022 AT 7:04 AM

Please login or register to post a reply.