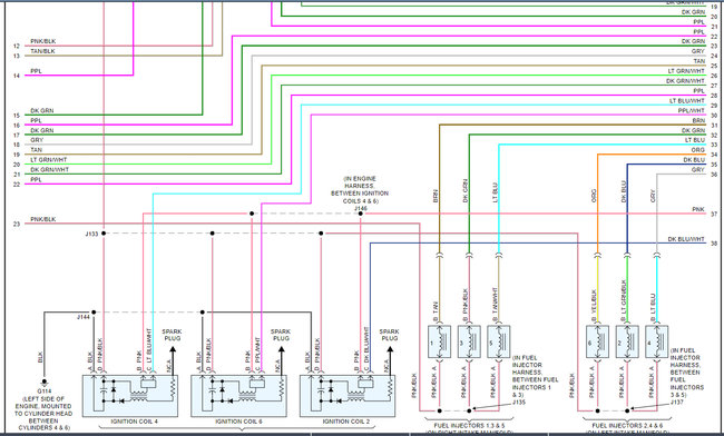
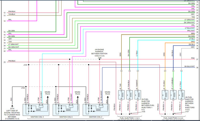
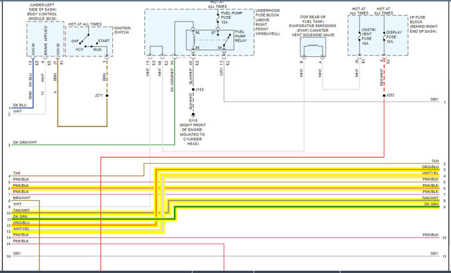
Had engine replaced 300 miles ago replaced all o2 sensors mass airflow sensor and replaced bank 2 catalytic converter. It runs poorly. On my scanner it's showing air fuel ratio in the red at 1 to 1 ratio. The problem didn't occur until the engine was replaced. It was a crate engine from the dealer.
Thursday, December 3rd, 2020 AT 2:36 PM














