After parking the vehicle it will not fire up

Tiny
HUBERT62
  • MEMBER
  • 2003 DODGE DAKOTA
  • 3.9L
  • 6 CYL
  • 2WD
  • 167,000 MILES
The truck fires up, I drive to the store get back in and wont do anything. Wait ten to fifteen minutes and it fires up.
Saturday, June 8th, 2019 AT 3:02 PM

5 Replies

Tiny
KASEKENNY
  • MECHANIC
  • 18,907 POSTS
Hi Hubert,

Can you get me a little more detail about what happened? When you say it did nothing, I assume it didn't turn over but did the lights on the dash come on? Did you hear a click from the starter?

Has this done it since or is this the first time it did it?

Let me know and we can go from there. Thanks
Was this
answer
helpful?
Yes
No
Sunday, June 9th, 2019 AT 6:27 PM
Tiny
HUBERT62
  • MEMBER
  • 3 POSTS
The lights on dash come on, fuel pump comes on. It takes ten to twenty minutes for engine to turn over.I can turn it on while temperature is below operating temperature.
Was this
answer
helpful?
Yes
No
Monday, June 10th, 2019 AT 6:18 AM
Tiny
KASEKENNY
  • MECHANIC
  • 18,907 POSTS
An engine needs three things to start and run. Compression, spark, and fuel all timed properly. The fact that this starts and runs fine from a cold start but does not restart means we are missing one of those during a restart. Let's just jump to fuel and spark because you are not going to lose compression intermittently.

When this is acting up, measure fuel pump pressure. I know you hear the pump but that doesn't mean that it supplies enough pressure when it is hot. So confirming with a gauge is the only way to be sure.

Then move onto spark. I am going to assume that you don't have spark because this makes the most sense. If that is the case then we can go down the road of why the PCM is shutting the spark off when it is hot. You can do this by getting it hot so that it is acting up and pull a plug wire off a plug and hold it close to an engine bolt so that you can see if it is sparking when someone cranks the engine. Do this at a plug wire and not the coil because I want to see if it is getting to the plugs.

Let me know what you find and we can go from there. Thanks
Was this
answer
helpful?
Yes
No
Monday, June 10th, 2019 AT 2:52 PM
Tiny
HUBERT62
  • MEMBER
  • 3 POSTS
The problem is it wont crank over after running it for a while. You turn the key and nothing. After 15 to 20 or 30 minutes it cranks over and runs fine until I shut it off and then back to no crank.I have a 3.9 ltr v6 on 2003 Dodge Dakota
Was this
answer
helpful?
Yes
No
Tuesday, June 18th, 2019 AT 2:31 PM
Tiny
KASEKENNY
  • MECHANIC
  • 18,907 POSTS
Okay. I apologize. I understood it as a crank no start but no re-reading what you wrote it was clear, I just didn't register it correctly.

I have seen this a couple times but the unfortunate thing is that it is not one common cause for them.

Here is what is happening, as you are driving, the vehicle and its components get hot. When they get hot, you have a circuit open due to expanding metal. Then when they cool back down, they make contact again and you are able to start the vehicle. The only time these circuits are needed is when the truck is being started. So when you are driving they will not cause any noticeable issue until you go to start again.

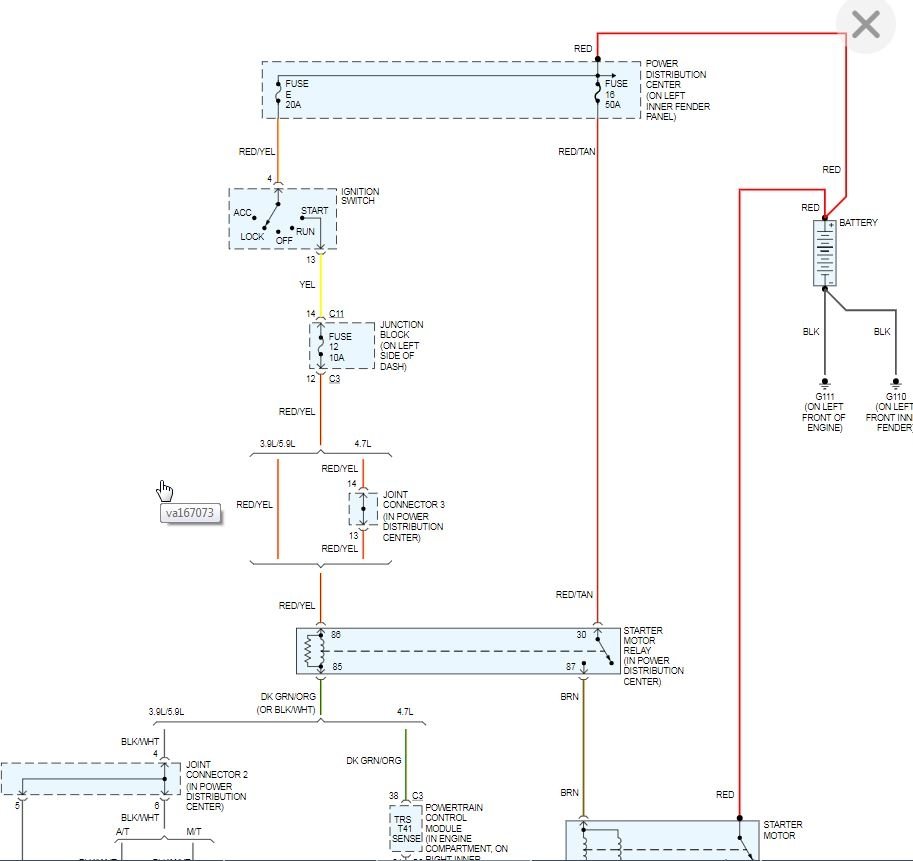
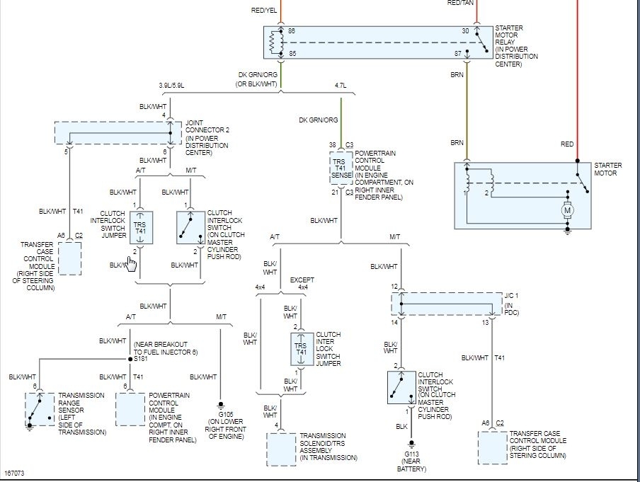
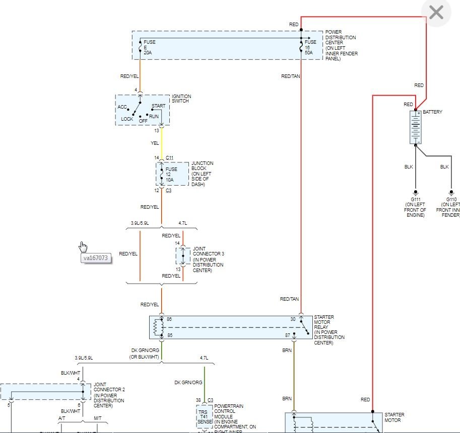
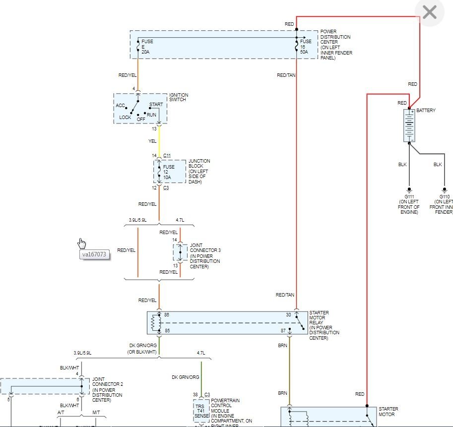
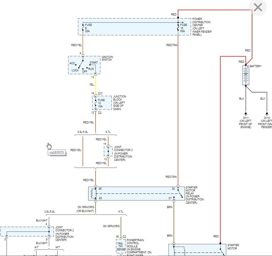
This could be the relay in the PDC for the starter which is the easiest to change. However, I suspect the issue is with either the transmission range sensor itself or the wiring for this range sensor called the T41 circuit.

I would suggest changing the relay and then if it acts up again, try putting it in neutral and see if it starts. If it does, then this most likely the TRS itself. If it does not, I suspect the T41 circuit.

The way to confirm this is to monitor the PCM data with the scan tool while it is acting up. This will show if the PCM is seeing the proper gear. The vehicle will not allow the engine to start if it does not see that it is in Park or Neutral. If you don't have this signal to the PCM then it will block the start.

Let me know if the relay does not correct it or if it does not start in Neutral and we can go to the next step.
Was this
answer
helpful?
Yes
No
Thursday, June 20th, 2019 AT 1:44 PM

Please login or register to post a reply.