Tuesday, July 19th, 2016 AT 11:40 AM
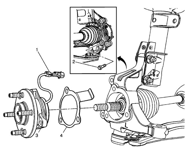
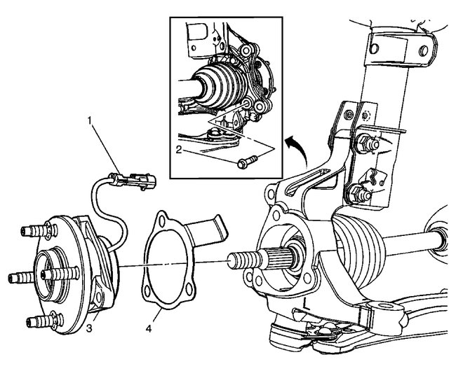
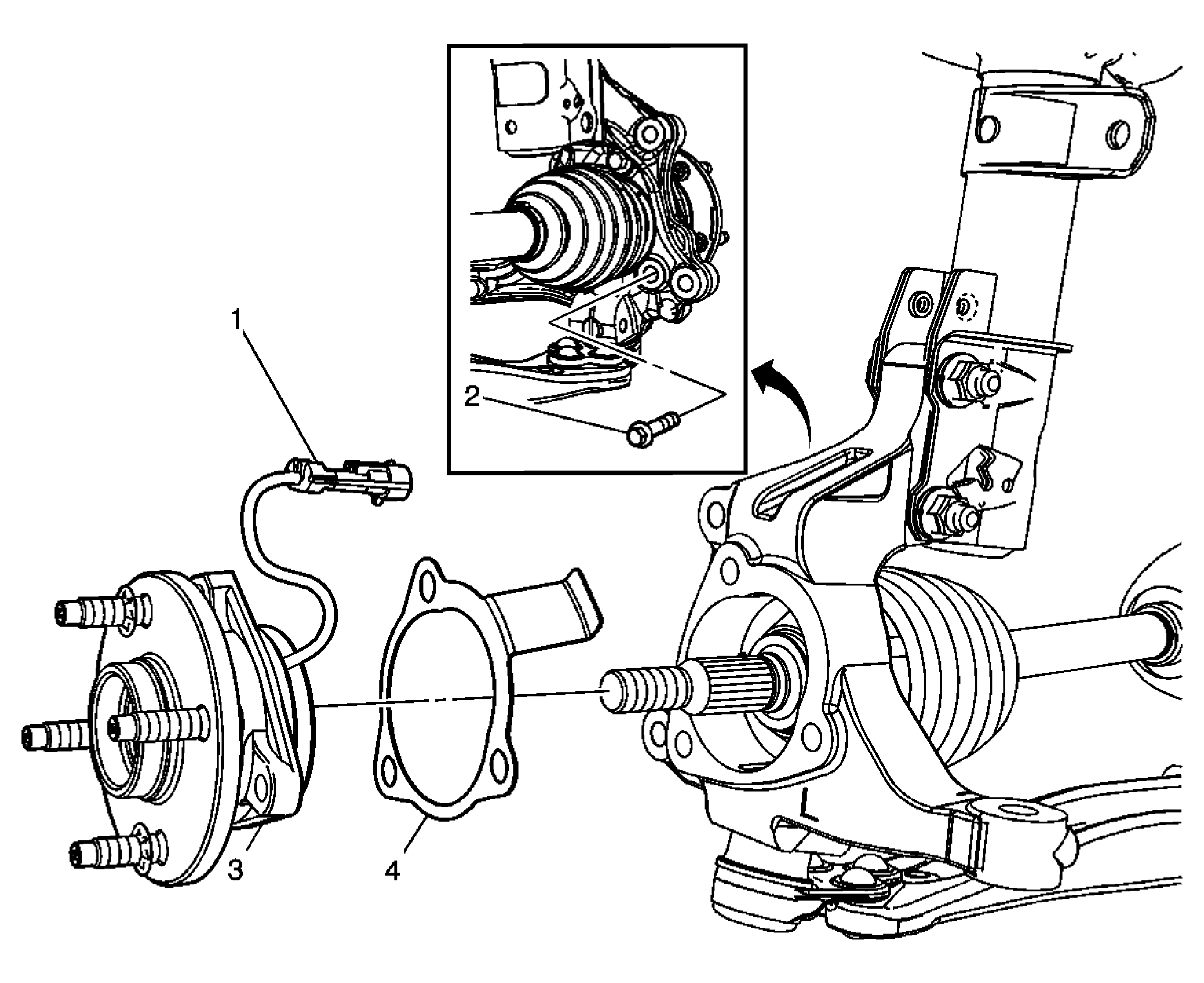
I am curious if I will need to compress any springs or need any special equipment to replace a wheel bearing? I saw a YouTube video on how to replace it and it seemed straight forward until someone mentioned I might need to compress some suspension springs to do it? Any advice you can give?


