Front A/C vents do not blow cold air?

Tiny
BLONG60
  • MEMBER
  • 2015 GMC YUKON
  • 5.3L
  • V8
  • 4WD
  • AUTOMATIC
  • 115,000 MILES
Both front vents blow ambient air when turned to cool, and both sides blow hot when adjusted to hot.

All rear vents are cooling properly.

If I have a leak would the entire system run dry? Or could the leak be isolated to the front system.
Thursday, August 3rd, 2023 AT 8:16 AM

2 Replies

Tiny
KEN L
  • MASTER CERTIFIED MECHANIC
  • 55,488 POSTS
I have seen the ambient light/sun load sensor or one of the vent temperature sensors go bad and cause this problem to find out which one is bad we need to do a CAN scan, this will tell us which sensor has gone out, you can get a CAN scanner (Controller Area Network) which will work on most cars from Amazon.

here is a video to show you how:

https://youtu.be/u-4syLc-ifQ

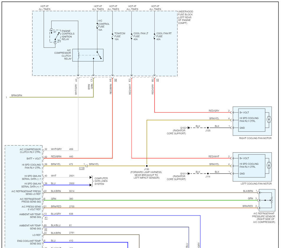
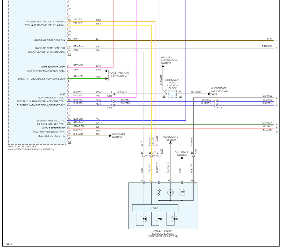
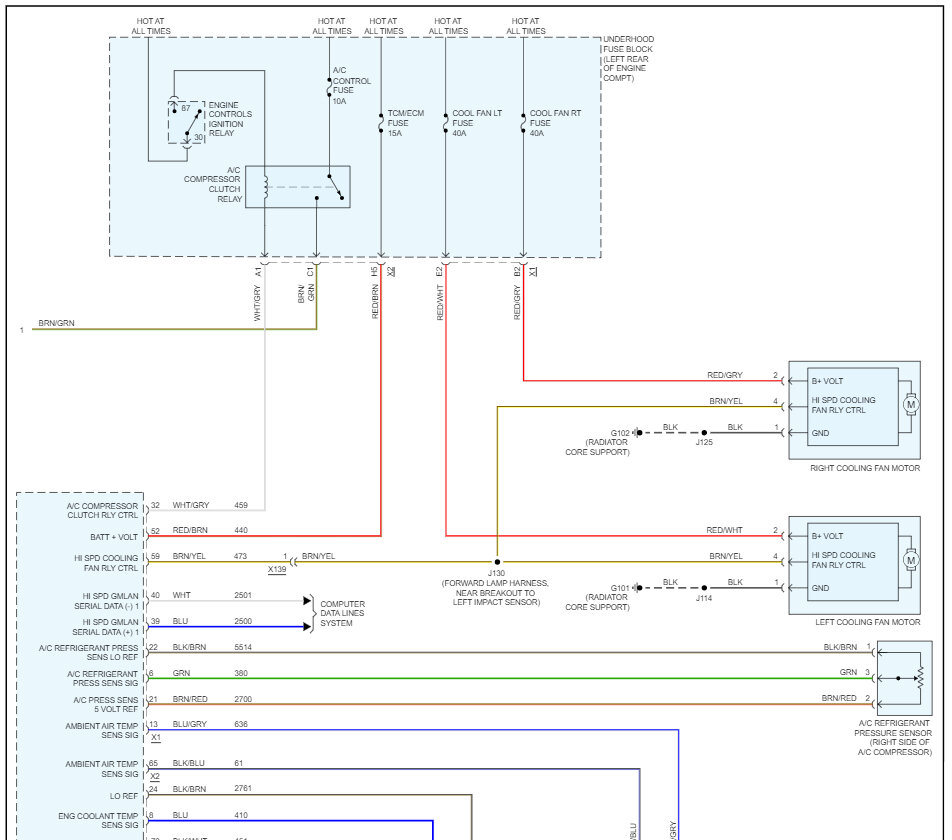
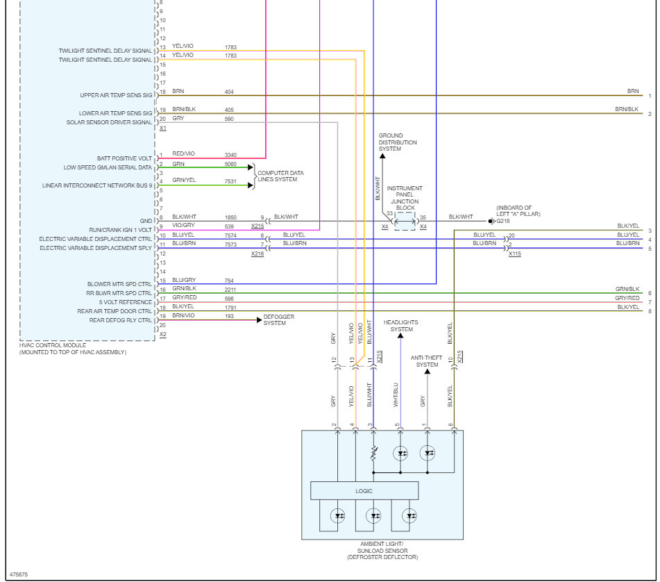
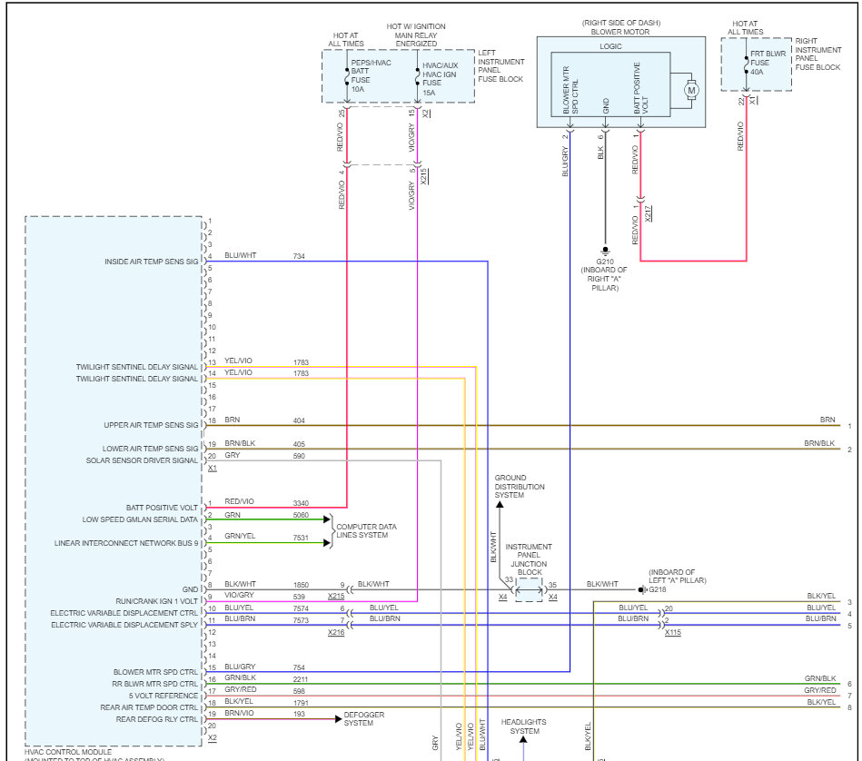
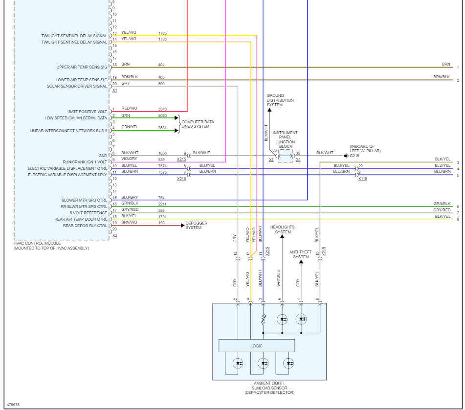
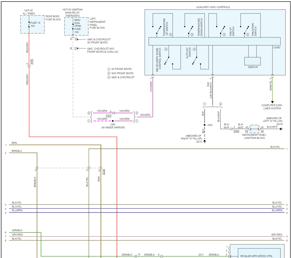
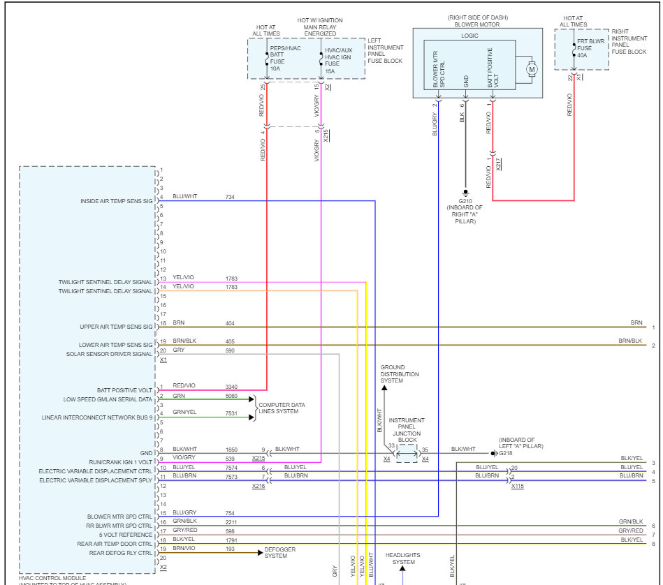
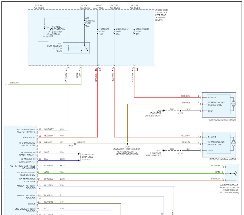
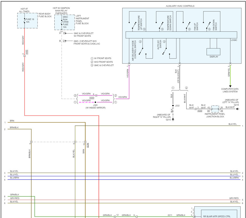
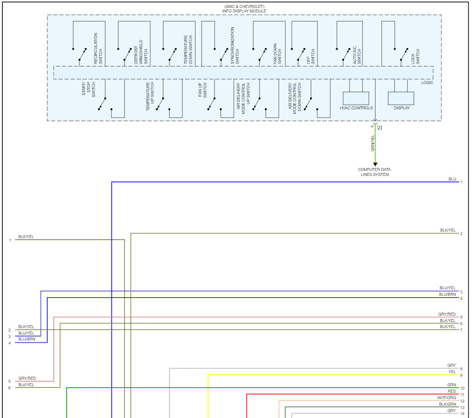
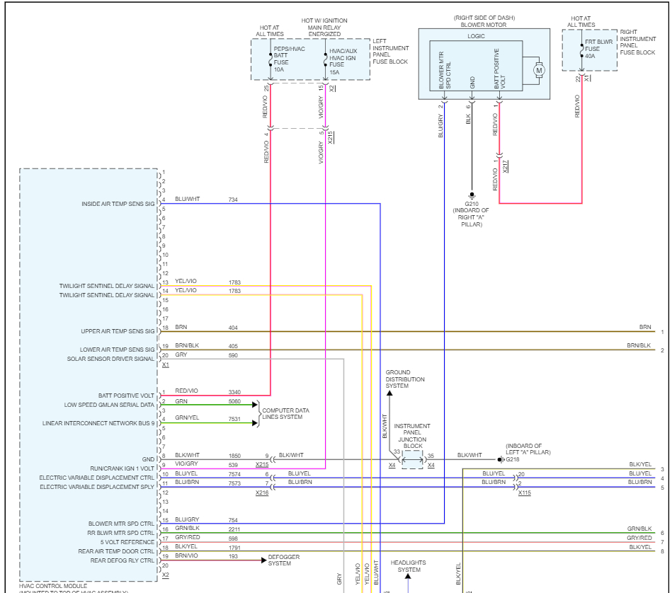
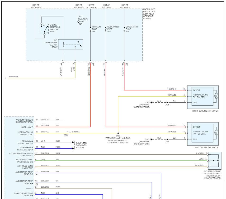
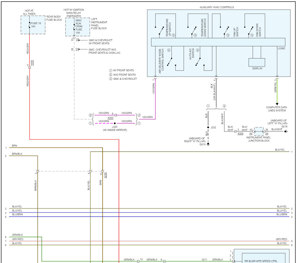
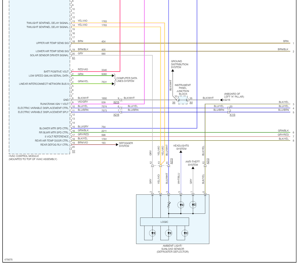
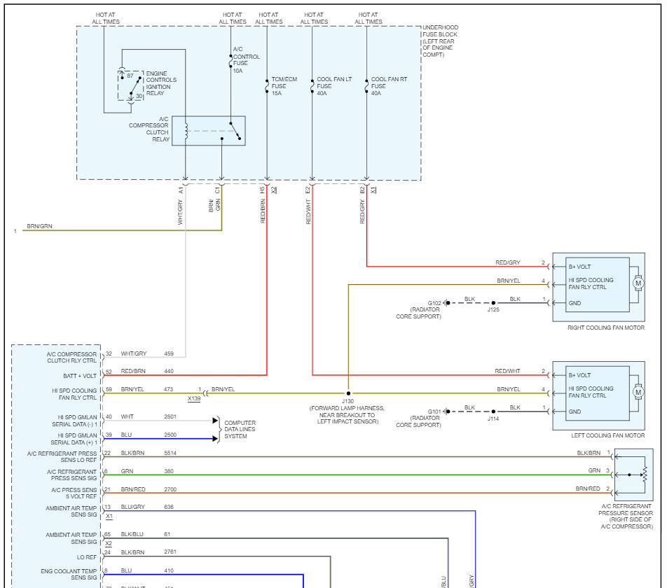
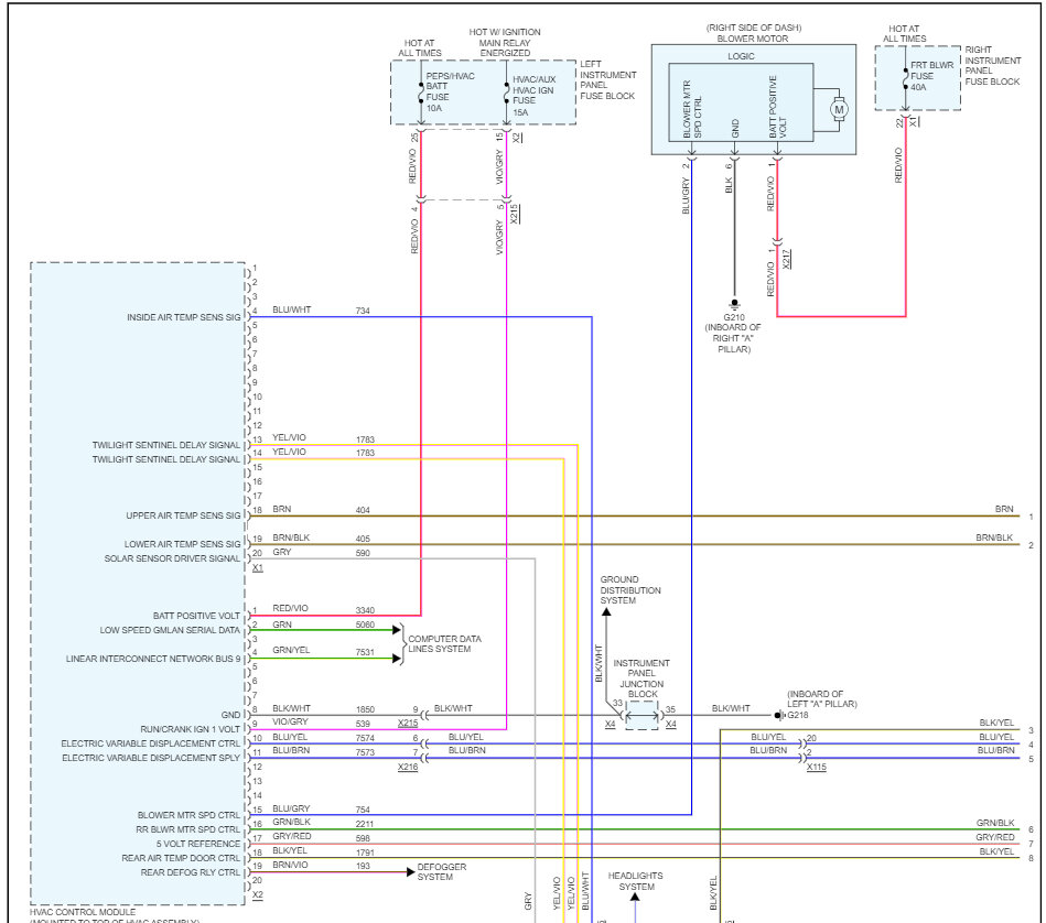
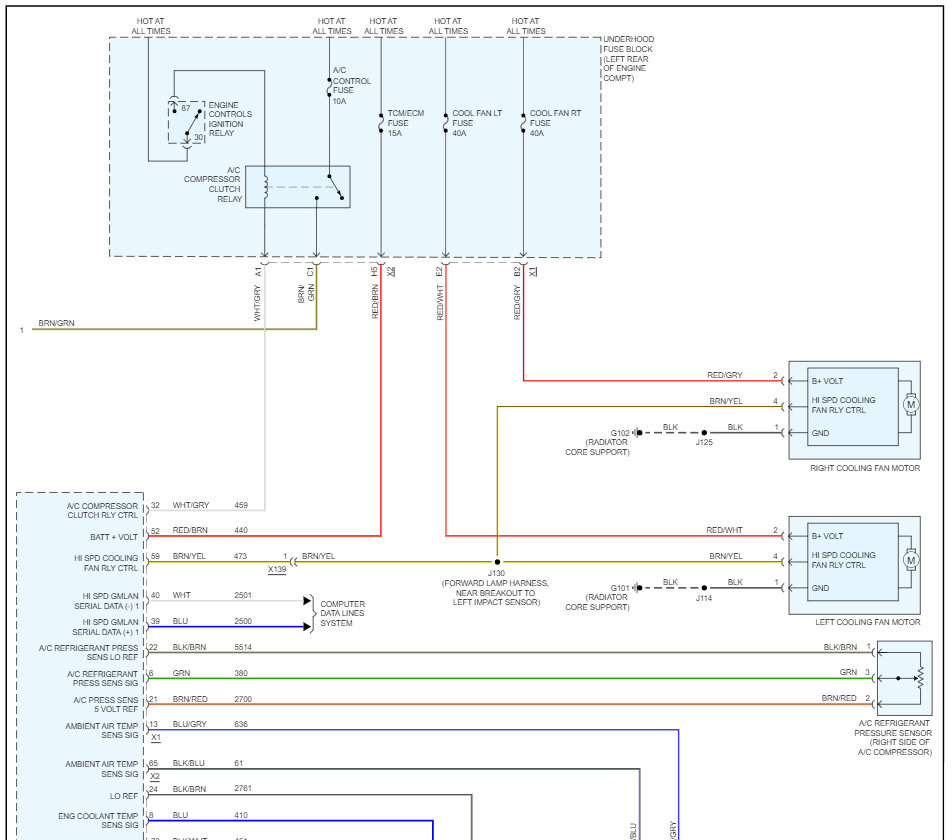
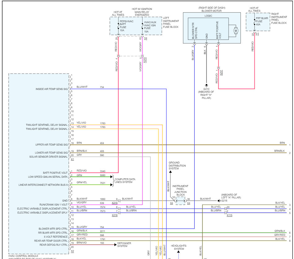
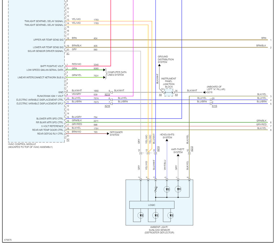
Here are the A/C wiring diagrams so you can see how the system works and what parts are involved with the system. Check out the images (below). Please let us know what happens.

Was this
answer
helpful?
Yes
No
Thursday, August 3rd, 2023 AT 3:58 PM
Tiny
KEN L
  • MASTER CERTIFIED MECHANIC
  • 55,488 POSTS
Anything?
Was this
answer
helpful?
Yes
No
Monday, May 6th, 2024 AT 12:04 PM

Please login or register to post a reply.