Front turning lights do not work

Tiny
SICHOT
  • MEMBER
  • 1981 JEEP CJ7
  • 5.0L
  • V8
  • 4WD
  • MANUAL
  • 150,000 MILES
Hello,

Hope anyone can read this request and help me out with my frustrating problem. I´m a proud owner of the vehicle listed above. I´m currently experiencing problems with front turning lights. They just do not work at all (turn on or blink). Rear ones do work. Stoplights work, parking lights work, reverse lights work. Hazard do not work (flasher don´t even make noise). I even noticed that when applying the brake with hazard lights switch on, fuse is blown. I have set good grounds on front grille, validated bulbs are okay, changed flasher, validated 12V is available on both ends of fuse, cleaned sockets and fuse box. When turn signal is on, voltmeter on dash dances around. Any help that anyone can provide will be very appreciated. After reading several posts, it would be ideal to receive help from "CJ MEDEVAC"
Thanks

Desperate CJ owner.
Thursday, April 9th, 2020 AT 7:47 PM

17 Replies

Tiny
SICHOT
  • MEMBER
  • 34 POSTS
Here´s additional information. Image shows connector from turn signal switch.

When placing LED tester on wires coming from turn signal switch (left side of picture) and turning ON "RH" turn signal, blue, purple and green wires alternate between ground and 12V (first video). Front and rear bulbs work (hooray!).

When placing LED tester on wires coming from turn signal switch (left side of picture) and turning ON "LH" turn signal, yellow, purple and light blue wires start intermittent ground only, no 12V signal (second video). Is this okay or should I current (12V) as well? Voltmeter indicator in dash also dances around (third video). Rear bulb is the only one working. Wires also get hot and eventually fuse is blown.

When turning on Hazard lights, brown wire indicates ground (green light in tester). When turning them off, nor ground or 12V indicated in tester. Bulbs do not work at all.
Also, when turning on "hazard lights" and applying brakes, fuse is blown.
Any guidance will be appreciated.
Thanks

JC
Was this
answer
helpful?
Yes
No
Friday, April 10th, 2020 AT 6:06 PM
Tiny
SICHOT
  • MEMBER
  • 34 POSTS
Not sure why third video did not show anything.
Here it is one more time.
Thanks.

JC
Was this
answer
helpful?
Yes
No
Friday, April 10th, 2020 AT 6:14 PM
Tiny
CJ MEDEVAC
  • MECHANIC
  • 11,005 POSTS
I've been really busy.

I have not forgotten you!

Your signals:

Worked fine until they caught the virus?

Till your friend tinkered with them?

Until you decided to use Chevrolet Chevette light sockets / switched over to LED bulbs/ you sunk your Jeep in your neighbors fish pond?

Suddenly all of this happened at once out of nowhere?

It has been like this ever since the Jeep adopted you?

The Medic
Was this
answer
helpful?
Yes
No
Saturday, April 11th, 2020 AT 7:33 AM
Tiny
CJ MEDEVAC
  • MECHANIC
  • 11,005 POSTS
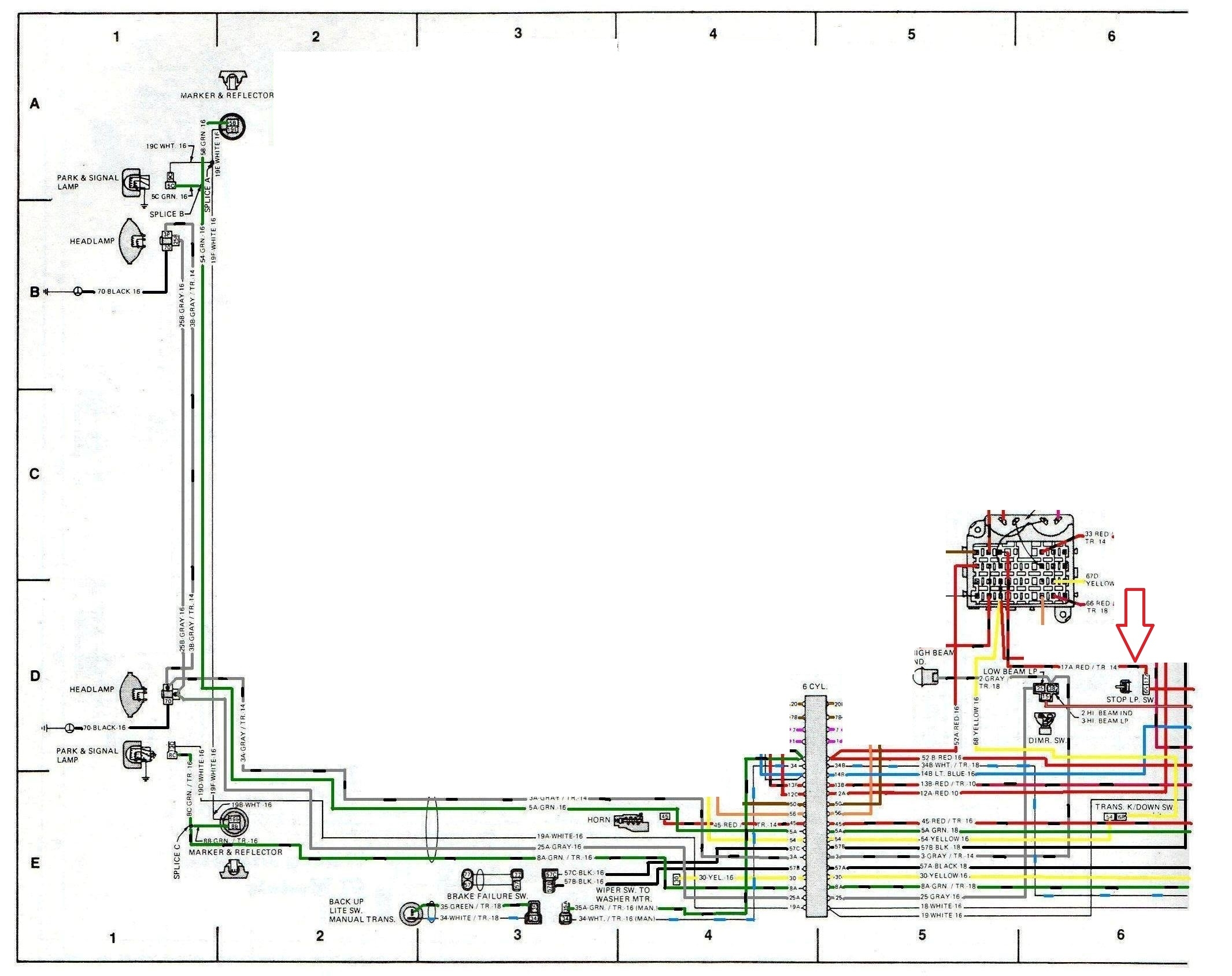
This may aid you also.

I have deleted most of the other stuff that is not "lighting" related out of my 1979 wire diagram.

"Most" meaning some crap is still in the diagram! There also may be "arrows" used for another 2carmember's benefit.

This makes it a little easier to follow wires.

Here's the part that will be sorta confusing

D) some wires have tracer stripes, the manual did not tell what color the stripe was (on any of the striped wires) they are labeled like this "8a green / tr-18".

8a being a numerical reference # / green, meaning green wire / tr meaning it has a colored stripe down the wire (stripe color unknown? )

So so so so so to make it esay to know/ see there was a wire with a tracer stripe, I simply put black dashes along those wires (exception was on the white wires)

But still, the actual stripe color will not be known till you find the actual wire, where it starts or ends on the jeep (sorry! It does work for me!)

Your turn!

The Medic
Was this
answer
helpful?
Yes
No
Sunday, April 12th, 2020 AT 1:13 PM
Tiny
SICHOT
  • MEMBER
  • 34 POSTS
Hello Mr. Medic!
Sorry for not replying to your first response. Being trying to lay out my electrical harness nightmare, but I believe I was able to put it together. Here it is (first picture). As I mentioned before, I was able to have RH turn lights to work just fine, but for LH, rear bulb is the only one flashing, and my fuse blows after some time of leaving it blinking. Now, I´m trying to find out where short circuit could be, but to be sincere, not sure how to approach it. I know my drawing is confusing, but I would appreciate if you could please let me know if I should focus on any particular section of my drawing. Drawing starting point will be connector shown in picture 2 (harness that comes from steering column, turn lights switch I believe). As you can see, I have three connectors that do not connect to anything (pictures 3, 4, and 5). There´s also a braker right below my fuse box, not sure if this is for hazard lights (picture 6).
Here´s how wires behave on connector used as starting point on drawing (picture 2). Left side of connector first:
Key switch OFF
Black 12 V

key switch ON
Purple 12V
Black 12V

Key switch ON / RH turn signal ON
Blue (-) and (+) intermittent
Purple (+) and (-) intermittent
Green (-) and (+) intermittent

Key switch ON / LH turn signal ON
Yellow (-) intermittent
Purple (-) intermittent
Light Blue (-) intermittent

Hazard Flasher ON
Brown (-)
Black 12V

Right Side of connector

Key switch OFF
Black with white stripe 12 V

key switch ON
White 12V
Orange (end of connector) 12V
Black with white stripe 12 V

Key switch ON / RH turn signal ON
orange (-) and (+) intermittent
white (+) and (-) intermittent
Green (-) and (+) intermittent
Black yellow stripe (+)
Orange (end of connector) 12V

Key switch ON / LH turn signal ON
light blue (-) intermittent
white (-) intermittent
yellow (-) intermittent
Black yellow stripe (+)
Orange (end of connector) (+) 12V

Hazard Flasher ON
Pink (-)
Black white stripe (+) 12V

Answering to your questions. Virus had nothing to do with this problem nor I drove my jeep to my neighbors pond LOL. I started fixing my rear lights, because turn signals made reverse lights blink, reverse lights did not work at all when changing to reverse gear. So this is how everything started. All lights work as they should now, except for hazard and front LH turn signal. Well, rear LH turn signal works but it has a short evidently. Also, when hazard lights "on", and hit the brake for stop lights to light up, fuse is also blown.
Thanks for sharing your diagram. I´ll for sure take a look at it and try to match it my way less professional diagram.
Any guidance as always is really appreciated! =D

Thanks again!

JC
Was this
answer
helpful?
Yes
No
Sunday, April 12th, 2020 AT 5:56 PM
Tiny
CJ MEDEVAC
  • MECHANIC
  • 11,005 POSTS
I'll check on more of this tomorrow!

Fuse blowing?

CARADIODOC is an expert on here too! Even though this answer of his is not really Jeep related, he was a instructor/ teacher for "automotive" at a school.

Please check out his 1st response to this feller.

https://www.2carpros.com/questions/combination-meter-fuse-blows

In another thread at another post, he suggests protecting the bulb from touching things as it gets really hot and may do some melting!

I have used his method before looking for shorts, it worked well for me and kept me from wasting a bunch of fuses!

See you tomorrow!

The Medic
Was this
answer
helpful?
Yes
No
Sunday, April 12th, 2020 AT 7:19 PM
Tiny
SICHOT
  • MEMBER
  • 34 POSTS
Hello, thanks for sharing this information. So I did what CARADIODOC mention on his reply. Pretty cool information and yes, it definitely helped me burning more fuses which I´m out of the 20AMP (to continue doing only tests I´m using 30 AMP, which by the way also are burned). Picture 1 shows how I connected two small terminals to "blinker fuse" (indicated on my previous diagram as "20 AMP Blinker on the right side". Video shows how lights illuminate first when LH Turning signal is ON and then RH. So does this mean there´s a short circuit in both turning signals?
Looking at electrical diagram, there´s a yellow wire that gets from the Ignition Switch to the "20 AMP Wipers", which is connected in the fuse box to the "20 AMP Blinker". Should I review wire from Ignition Switch to "20 AMP Wipers"? Flasher on upper left of fuse box gets also gets very hot.
Thanks again for your help.

JC
Was this
answer
helpful?
Yes
No
Monday, April 13th, 2020 AT 7:29 PM
Tiny
SICHOT
  • MEMBER
  • 34 POSTS
Here´s more information about all wires coming out of ignition switch: First picture shows all wires that come out of white connector of ignition switch. As you can see, I have a "union" of two yellow wires (voltmeter and one that will go to a "weld" on diagram that is at the center of the diagram and then slightly to the right) coming out of ignition switch to a brown wire that controls blower (fan) of heater and wire I used to connect it to the ballast. All these are joined in the same spot. I separated both yellows and remove the brown and the one I connected to the ballast and light still blinking (short still present) when turning ON Turning signal. I joined all of them again and still the same issue. I was wondering if I can separate both yellow ones and have blower (fan) connected to one and to the other one the ballast. Will it make any difference at all to either one? For example, I can connect the heater blower to the voltmeter yellow one and the ballast to the other one.
I´m also attaching pictures of connector that goes to the ignition switch. I have to say is slightly damaged, specially where the 12V red cable is (fourth picture). I did notice that in one of your other posts, the 12V wire is not located where you have it (second picture vs third picture). Your picture shows it to one side. I did the test about changing the red wire so it will be just like your picture and short was still present. Do you think it can be on either one?
I´m attaching also pictures shown in first one as reference.
Any help is more than appreciated.
Thanks

JC
Was this
answer
helpful?
Yes
No
Tuesday, April 14th, 2020 AT 8:40 PM
Tiny
CJ MEDEVAC
  • MECHANIC
  • 11,005 POSTS
Tilt column or not?

Ignition switches are different for either.

I'll redo my diagram if so.

The Medic
Was this
answer
helpful?
Yes
No
Wednesday, April 15th, 2020 AT 9:01 AM
Tiny
SICHOT
  • MEMBER
  • 34 POSTS
It does not have tilt column. Diagram you provided works. =D
I´ll also work in my "diagram" with what was mentioned on my previous reply.
Thanks Mr. Medic!

JC
Was this
answer
helpful?
Yes
No
Wednesday, April 15th, 2020 AT 4:07 PM
Tiny
SICHOT
  • MEMBER
  • 34 POSTS
Here´s diagram updated (first picture). I´m also attaching how wiring to rear lights look. First picture is LH and second RH.
Thanks
JC
Was this
answer
helpful?
Yes
No
Wednesday, April 15th, 2020 AT 6:03 PM
Tiny
CJ MEDEVAC
  • MECHANIC
  • 11,005 POSTS
Are these OEM bulbs or are they LED (some or all)?

The Medic
Was this
answer
helpful?
Yes
No
Friday, April 17th, 2020 AT 7:57 AM
Tiny
SICHOT
  • MEMBER
  • 34 POSTS
Hello, these are regular bulbs (at least for now hehehe).
Thanks

JC
Was this
answer
helpful?
Yes
No
Friday, April 17th, 2020 AT 4:34 PM
Tiny
SICHOT
  • MEMBER
  • 34 POSTS
I do have a question. Looking at your electrical diagram, saw rear lights ground. Could you please share some tips on how would you recommend this to be done? Might these be a possible cause for short circuit?
These are rear lights. First picture LH.
Thanks

PS: Would you suggest a ground cable from the battery to firewall or body? CJ does not have one.
Was this
answer
helpful?
Yes
No
Saturday, April 18th, 2020 AT 12:28 PM
Tiny
CJ MEDEVAC
  • MECHANIC
  • 11,005 POSTS
Where is the negative battery attached?

Mine goes to the engine's head.

Pic 1) See my body ground.

Pic 2) Driver's side, short battery cable/ (or a woven strap) From block side of motor mount, jumps around the motor mount and grounds the frame.

Pic 3) I'm kind of out of order, this is my battery negative cable bolted to the head. Up front circled in red.

The bolts that hold the tail light to the jeep are the grounds for the assemblies.

Scraping the metal clean/ shiney where the nuts grip the body (inner fender) may help.

The Medic
Was this
answer
helpful?
Yes
No
Saturday, April 18th, 2020 AT 6:51 PM
Tiny
SICHOT
  • MEMBER
  • 34 POSTS
Hello Medic, long time no talk. Sorry but haven´t been able to work on CJ-7 until now.
My ground from the battery connects to A/C compressor bracket as shown in picture 1. I do not have then a ground to the frame. Is this okay?
After looking at your pictures, I noticed you have a smaller diameter wire going to the firewall, so I added one as shown in the following three pictures.
I also have very good news. I was able to find short circuit in front turning signals. A ground not intended to be there was causing issues. After correcting this, turn signals worked! =D
I then noticed that open connector with pink wire must have a blinker, added one, and voila shown in upper right of fifth picture)! The one in my hand I believe is for courtesy interior light, but since my CJ does not have one, no problem to leave it open.
Attaching a video of a beautiful light show! Hehe
Thanks for all your help and guidance! Without it, I just could not solve this mystery.
Enjoy your day / weekend!

JC
Was this
answer
helpful?
Yes
No
Friday, May 1st, 2020 AT 7:07 AM
Tiny
CJ MEDEVAC
  • MECHANIC
  • 11,005 POSTS
That's great that you figured some things out!

Looks like the both-es of us are going to need a class on posting videos!

Your video's "marquee" seems to entice you into seeing a movie about the whole grill. The actual movie's beginning shows a fractional part of the headlight illuminating.

I thought trailers were about to come on, so I went to get some popcorn.

The darn movie was over when I returned!

What else is needing attention, or are we about road ready?

A while back-Driveway paint booth-as you can see, amazing results!

The Medic
Was this
answer
helpful?
Yes
No
Friday, May 1st, 2020 AT 8:11 AM

Please login or register to post a reply.