Front right turn signal stays on?

Tiny
BRNSCHR
  • MEMBER
  • 2011 CHEVROLET SILVERADO
  • 5.3L
  • V8
  • 4WD
  • AUTOMATIC
  • 180,000 MILES
When the truck is off, the light switch is off, the front right turn signal stays on at all times running the battery dead unless I disconnect the battery. When pulling the running lamp fuse for the front right lamp, it still stays on (Fuse 27). I noticed that fuse 25 is blown at this point, which I believe is the trailer running light fuse. Unplugging the headlight does not change the issue. All other exterior lamps work as they should except for the passenger mirror which pulsates dim and bright.
Tuesday, February 14th, 2023 AT 7:25 PM

16 Replies

Tiny
JACOBANDNICKOLAS
  • MECHANIC
  • 110,192 POSTS
Hi,

If the light remains on regardless of the switch, there has to be a short to power.

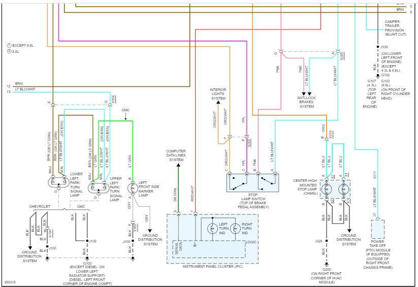
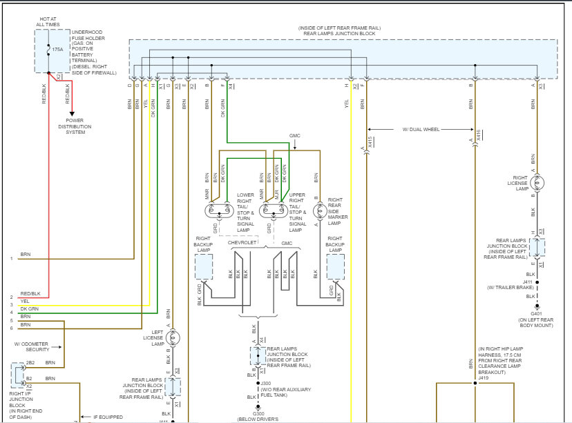
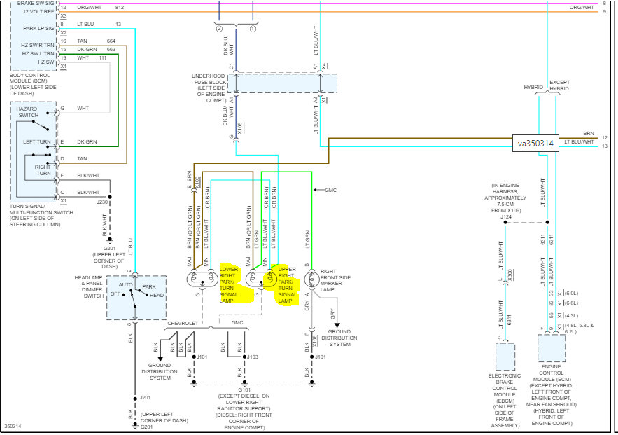
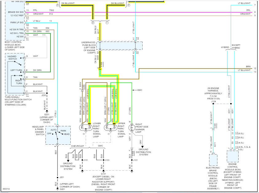
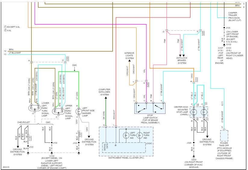
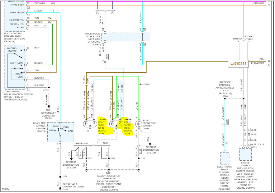
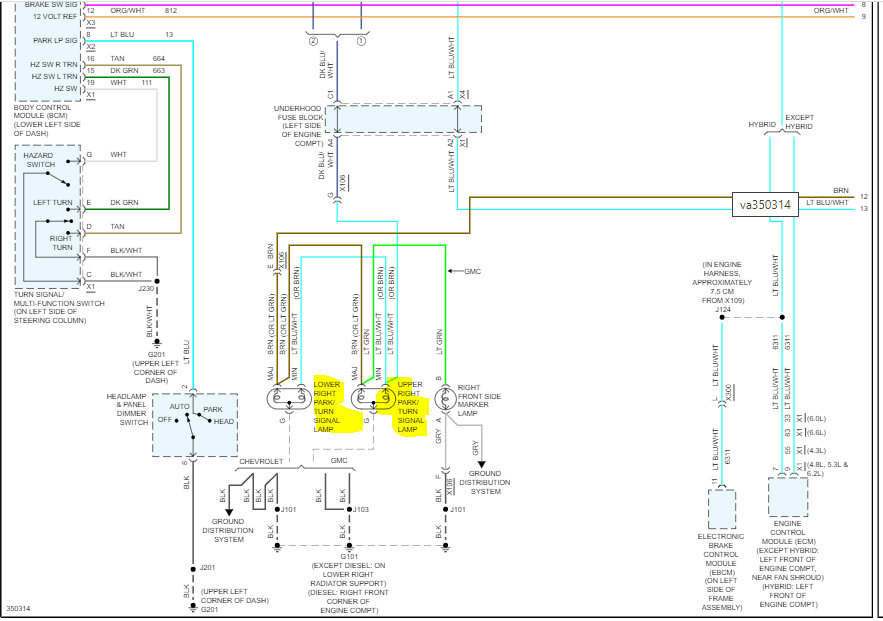
I just looked at the wiring schematic related to the exterior lighting. You indicated if the fuse is removed for the right side brake/signal that the lamp stays on, correct? Also, are both signal bulbs in the front staying on?

Sorry for so many questions. I'm trying to narrow down where there could be a short. Have you tried removing one fuse at a time to see if there is one fuse that turns the light off?

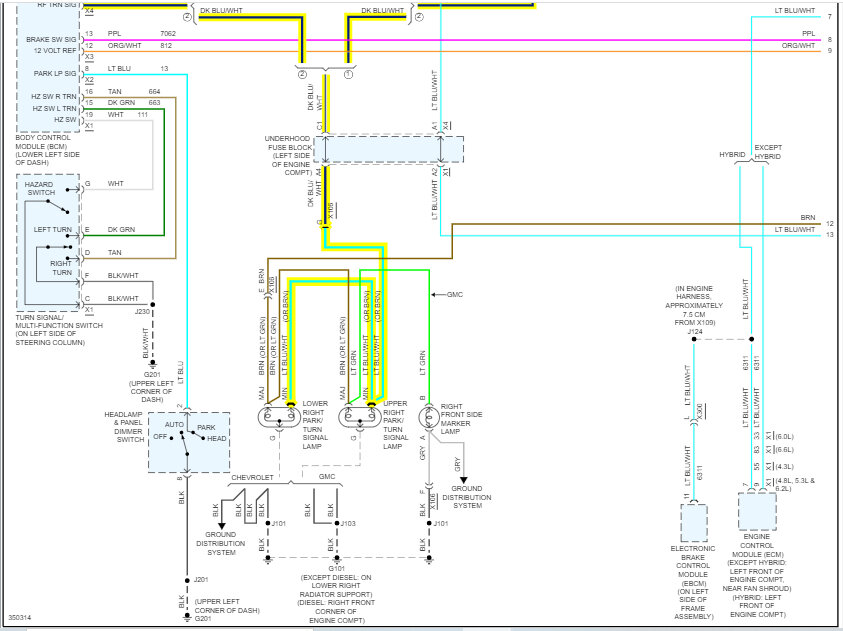
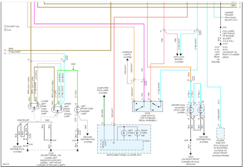
If you look below, power to the signals is sent by the body control module. There could be an issue at that point with a short in the connector. I attached the schematic so you have a reference.

Let me know as much as you can that may be helpful.

Take care,

Joe

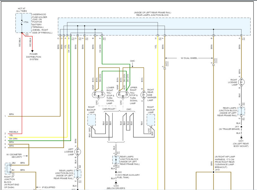
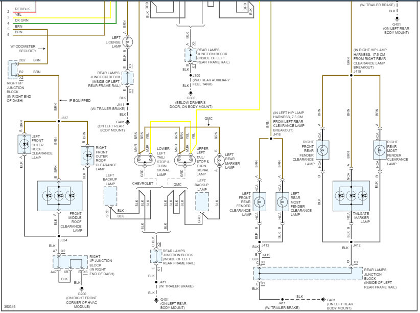
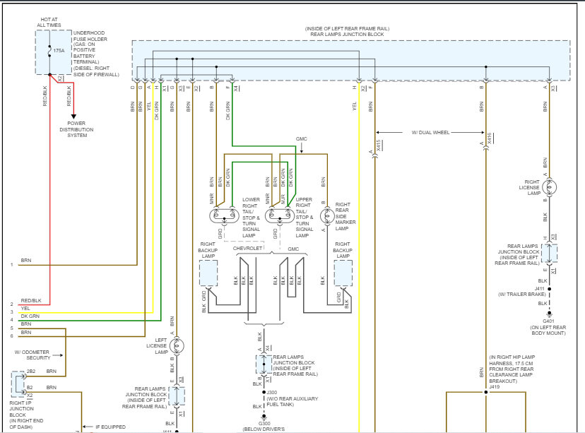
See pics below. Note: I had to cut the pic in half to make it readable. I did overlap them so you can follow from one to the next. Additionally, I highlighted the related wiring.
Was this
answer
helpful?
Yes
No
Wednesday, February 15th, 2023 AT 7:18 PM
Tiny
BRNSCHR
  • MEMBER
  • 11 POSTS
Yes, when I remove the running lamp fuse #27, the light stays on. It is only affecting one corner, the front right side. I had the same thought as you, but I pulled every fuse one at a time to narrow down which circuit is bleeding into the parking lamp circuit and none of them turned off the light. When I used my multimeter on the running lamp wire, headlight harness disconnected, I got 12.3 volts at all times while doing this. The harness runs across the lower radiator support to the driver's side headlight then up to the fuse box. Do you think the problem could be with the fuse box itself?
Was this
answer
helpful?
Yes
No
Wednesday, February 15th, 2023 AT 7:43 PM
Tiny
JACOBANDNICKOLAS
  • MECHANIC
  • 110,192 POSTS
Hi,

It is possible that the short is in the box. However, if you removed all fuses, one at a time, you should have hit the one shorting to the lamp fuse unless the short is before the fuses you removed.

Have you removed the box to inspect the connectors and wiring under it?

Joe.
Was this
answer
helpful?
Yes
No
Wednesday, February 15th, 2023 AT 8:59 PM
Tiny
BRNSCHR
  • MEMBER
  • 11 POSTS
I haven’t removed the box yet. That will be the next place I check. I will update you once I’ve done that.
Was this
answer
helpful?
Yes
No
Wednesday, February 15th, 2023 AT 9:33 PM
Tiny
BRNSCHR
  • MEMBER
  • 11 POSTS
I removed the fuse box tonight, all of the connector's underneath are clean, didn’t see any signs of corrosion growing on any of the terminals on the connectors or the underside of the fuse box. But, after unplugging the fuse box, battery hooked back up, now I don’t have any power at the passenger front headlight. Reinstalling the fuse box, I have constant 12v power again. Just to make sure I didn’t miss a fuse, I went through the process of pulling all of the fuses, one by one again and none of them turns the light off.
Was this
answer
helpful?
Yes
No
Thursday, February 16th, 2023 AT 4:15 PM
Tiny
JACOBANDNICKOLAS
  • MECHANIC
  • 110,192 POSTS
Hi,

To confirm I understand, when the fuse box is removed (wiring still connected as well as the battery) you lost all power to the front right headlamp assembly. Is that correct? Did you lose power to any other component?

Once the box was reinstalled, you regained normal power to the headlamps but maintained constant power to the signal lamp. Is that correct?

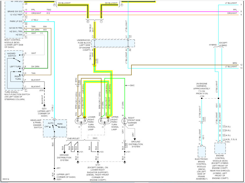
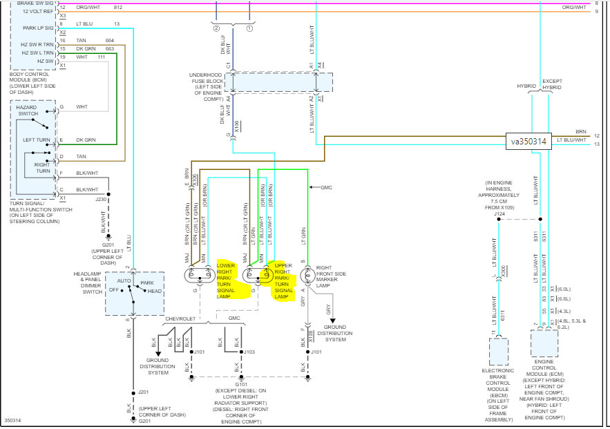
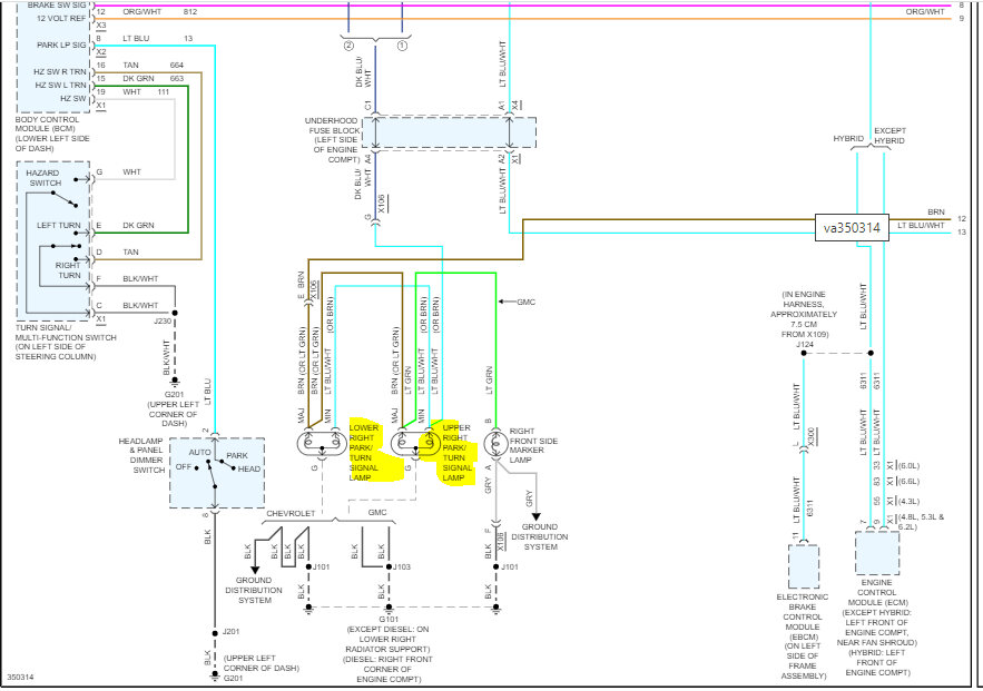
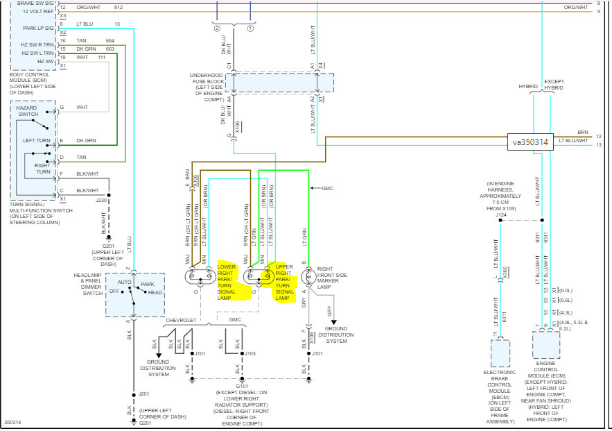
I'm trying to narrow things down. The body control module has a role in both the headlamps and signals. It is located under the left side of the dash. See pic 1.

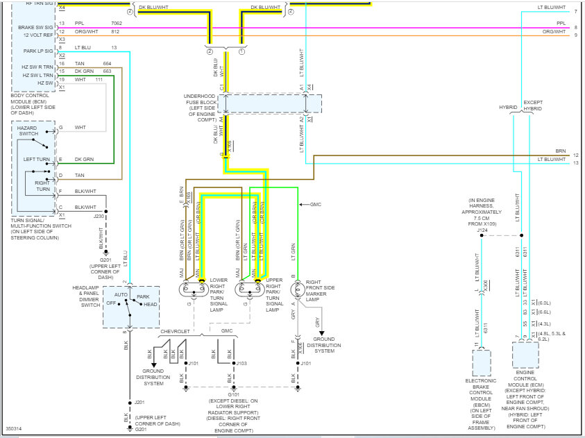
Pics 2 and 3 are a schematic from the BCM. Note that the right signal power supply signal is right next to several wires that provide power to the BCM directly from fuses. You may have a short there.

I need you to remove (one at a time), the fuses I highlighted located in the interior instrument panel fuse box. See if any of them turn off the light. If they don't, that eliminates the fuses/connector. At this point, you will need to disconnect the BCM and check the pin for the right supply signal for power with everything off. If you have power and everything is off, chances are the BCM has failed.

One last thought. In the last pic, I show the fuses to check in the vehicle. I circled the BCM fuse. If none of the other fuses make a difference, pull the circled one to see if that changes things.

Sorry if I am confusing you. It is easier to do than explain. LOL

Let me know.

Joe

See pics below.
Was this
answer
helpful?
Yes
No
Thursday, February 16th, 2023 AT 6:59 PM
Tiny
BRNSCHR
  • MEMBER
  • 11 POSTS
I went ahead and pulled fuses 5, 6, 8 and 12 one after the other checking each time and the light never goes off. I pulled fuse #15 and the light didn’t go off. Lastly, I completely unplugged all of the BCM connectors, and the light never once turned off. Sounding like a short to power still. Just have no clue where to look from here.
Was this
answer
helpful?
Yes
No
Friday, February 17th, 2023 AT 2:58 PM
Tiny
BRNSCHR
  • MEMBER
  • 11 POSTS
After another couple hours of playing with it, I still can’t get the light to turn off. I pulled some relays in the fuse box under the hood and found tons of green corrosion, but these relays have nothing to do with the turn signals, I think two of them were for the fans, one was the starter relay, and one was the park lamp relay. Is it possible that the fuse box is bad and leaking current from one circuit to another on the inside? I remember that the bottom of the box and the connectors were corrosion free, it’s only on the top under these relays.
Was this
answer
helpful?
Yes
No
Friday, February 17th, 2023 AT 4:59 PM
Tiny
JACOBANDNICKOLAS
  • MECHANIC
  • 110,192 POSTS
Hi,

In a way, this is good news. At least we know the BCM didn't fail internally.

To answer your question related to the fuse box itself, certainly it can fail. What makes it more difficult is there are relays that are integral (PCB) to the printed circuit board.

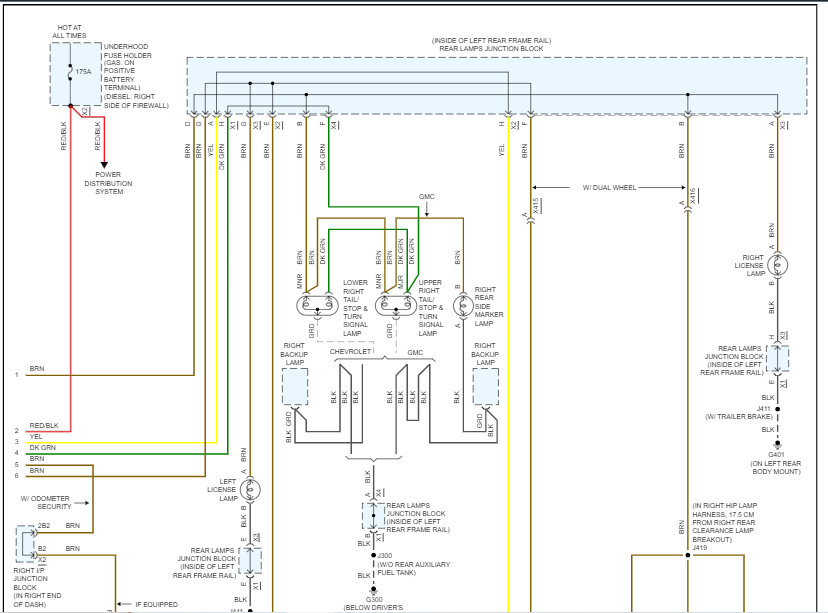
We have two ways to go with this. One is to start at the power supply wire at the right front headlamp connector and trace it back until you locate the cause. Or replace the box. If the box is replaced, there is no guarantee it will fix the problem.

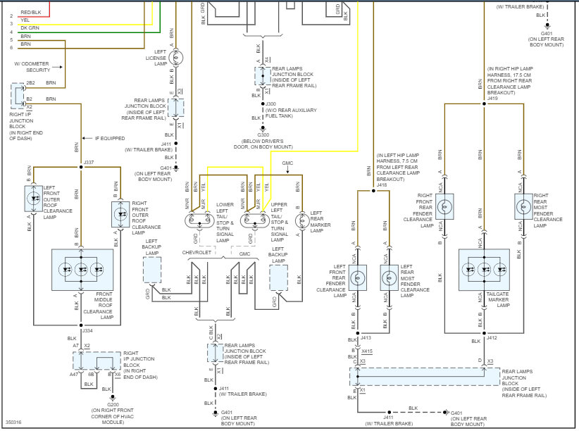
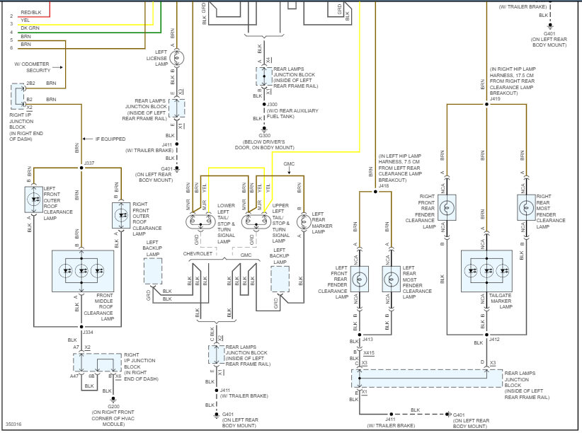
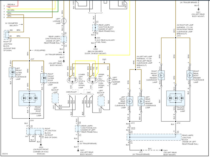
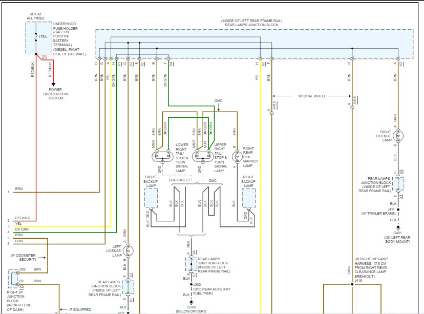
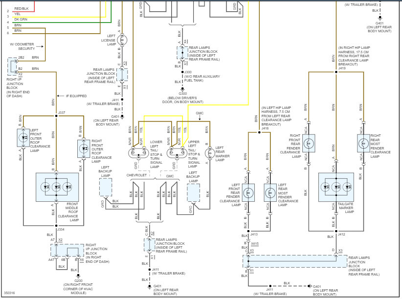
I attached the entire exterior lighting wiring schematic below for you. It is time-consuming, but if you decide to trace the wire, you can use the schematic to help. The schematic is three pages long. To make it readable, I had to cut each page in half, but I did overlap them so you can follow from one to the next.

Also, does this vehicle have a factory tow package or power mirrors? If it does have a tow package, disconnect the wiring to the connector in the rear of the vehicle. There could be a short there as well.

Let me know. I realize we are jumping around, but there are several possibilities.

Take care,

joe

See pic below.
Was this
answer
helpful?
Yes
No
Friday, February 17th, 2023 AT 8:47 PM
Tiny
BRNSCHR
  • MEMBER
  • 11 POSTS
Guess I will be tracing wires. This truck has both power mirrors and the tow package with built in brake controller. I removed all of the connectors from the multifunction switch just in case and all of the connectors for the taillights and trailer connectors and the light never shut off. Based on what we found out earlier, it almost has to be between the fuse box and the right front turn signal. The only problem is, out of all of the wires in that harness, none of them should have power all the time. There is grounds, wires for the ambient temperature sensor, horns, fans, headlights and turn signals and that’s it.
Was this
answer
helpful?
Yes
No
Saturday, February 18th, 2023 AT 8:32 AM
Tiny
JACOBANDNICKOLAS
  • MECHANIC
  • 110,192 POSTS
That is interesting. By chance, does the horn have power with the key off? Is there any other circuit that is working when it shouldn't?

Let me know.

Joe
Was this
answer
helpful?
Yes
No
Saturday, February 18th, 2023 AT 8:12 PM
Tiny
BRNSCHR
  • MEMBER
  • 11 POSTS
So, I think I figured it out. With the battery hooked up and all of the connectors on the bottom of the fuse box disconnected except for the X1 connector which has the dark blue with white stripe wire for the right front turn signal. I ran a power wire directly from the battery and touching the main buss bar on the bottom turns the light on. I have attached some pictures showing that pin A4 is shorted directly to the main buss bar.
Was this
answer
helpful?
Yes
No
+1
Monday, February 20th, 2023 AT 4:34 PM
Tiny
BRNSCHR
  • MEMBER
  • 11 POSTS
Also forgot to mention. I verified the fuse box is shorted internally as pin A4 has continuity with 32 other pins on the bottom of the fuse box.
Was this
answer
helpful?
Yes
No
Monday, February 20th, 2023 AT 4:49 PM
Tiny
JACOBANDNICKOLAS
  • MECHANIC
  • 110,192 POSTS
That is the problem. That is where the constant power is coming from. Ugh! Have you gotten a new box yet?

Joe
Was this
answer
helpful?
Yes
No
Monday, February 20th, 2023 AT 4:58 PM
Tiny
BRNSCHR
  • MEMBER
  • 11 POSTS
Yes, I ordered a new box last night. I didn't want to chance it with a used box. They're only $250.00 difference. I also bought a tube of dielectric grease today as well so I can add a little protection to the plugs on the bottom of the new box.
Was this
answer
helpful?
Yes
No
Tuesday, February 21st, 2023 AT 1:28 PM
Tiny
JACOBANDNICKOLAS
  • MECHANIC
  • 110,192 POSTS
Hi,

That's actually good to hear. So many times, people get faulty used parts. As far as the dielectric grease, that is an excellent idea. I use it on nearly every electrical repair I do.

If you have a chance, let me know if this resolves the issues. I'm confident it will but would really like to know.

Take care and let me know if there is anything I can help with.

Joe
Was this
answer
helpful?
Yes
No
Tuesday, February 21st, 2023 AT 8:49 PM

Please login or register to post a reply.