Front passenger side window regulator replacement

Tiny
DOUGY97
  • MEMBER
  • 2013 FORD F-150
  • 3.7L
  • V6
  • TURBO
  • 4WD
  • AUTOMATIC
  • 110,000 MILES
I would like to know if you guys have a video of how to replace for the truck listed above front passenger side window regulator?
Wednesday, August 5th, 2020 AT 4:15 PM

1 Reply

Tiny
JACOBANDNICKOLAS
  • MECHANIC
  • 110,192 POSTS
Hi,

I don't have a video specific to this vehicle. However, I have directions. Here they are. The attached pic correlates with the directions. Note this is for a power window. If you have manual windows, let me know.

_________________________________________________

2013 Ford Truck F 150 4WD V6-3.7L
Window Regulator Motor
Vehicle Windows and Glass Windows Window Regulator Front Door Window Regulator Service and Repair Removal and Replacement Window Regulator Motor
WINDOW REGULATOR MOTOR
Window Regulator Motor

Removal and Installation

NOTE: The front window motor must be de-initialized, then initialized whenever the LH front or RH front window motor is removed from the window regulator drum housing, a new window regulator is installed, a new window glass is installed, a new top run is installed or for any operation in which grease or lubricants are applied to the window regulator or glass run.

1. Remove the window regulator and motor assembly. For additional information, refer to Window Regulator and Motor- Front Door See: Front Door Window Regulator > Removal and Replacement > Window Regulator and Motor - Front Door, Window Regulator and Motor- Rear Door, SuperCab See: Rear Door Window Regulator > Removal and Replacement > Window Regulator and Motor - Rear Door, SuperCab or Window Regulator and Motor- Rear Door, SuperCrew See: Rear Door Window Regulator > Removal and Replacement > Window Regulator and Motor - Rear Door, SuperCrew.

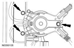
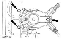
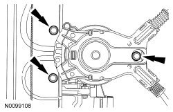
2. NOTE: Front door window regulator shown, all others similar.
Remove the 3 door window-to-regulator bolts.

Pic 1

3. To install, reverse the removal procedure.
- Initialized the front window motor. For additional information, refer to Window Motor Initialization See: Power Window Motor > Programming and Relearning > Window Motor Initialization.

_______________________________________________

Let me know if this helps or if you have other questions.

Take care,
Joe
Was this
answer
helpful?
Yes
No
Wednesday, August 5th, 2020 AT 9:19 PM

Please login or register to post a reply.