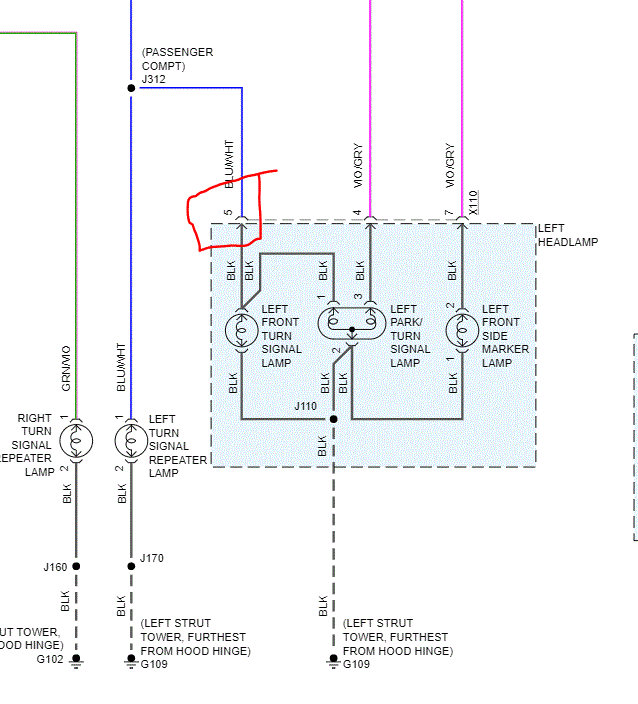
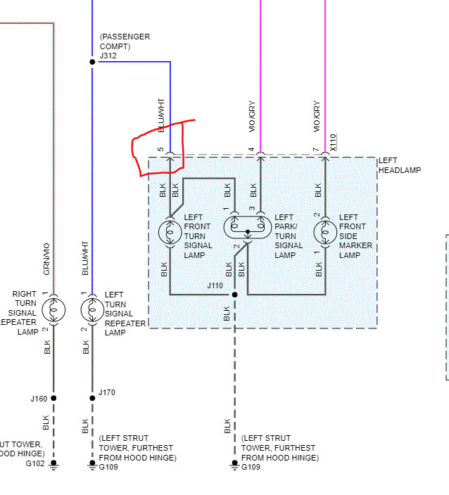
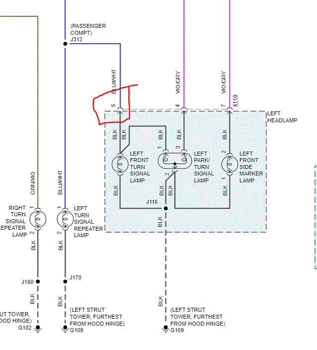
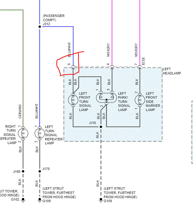
Thursday, August 6th, 2020 AT 8:25 PM
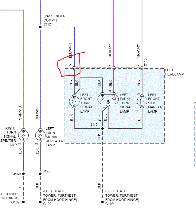
The front driver side blinker is not working. I replaced the bulb and still nothing. At the same time, the rear passenger side blinker/taillight also is not working. Replaced the bulb with it and nothing. Suggestions?




