Wednesday, August 1st, 2018 AT 8:13 AM
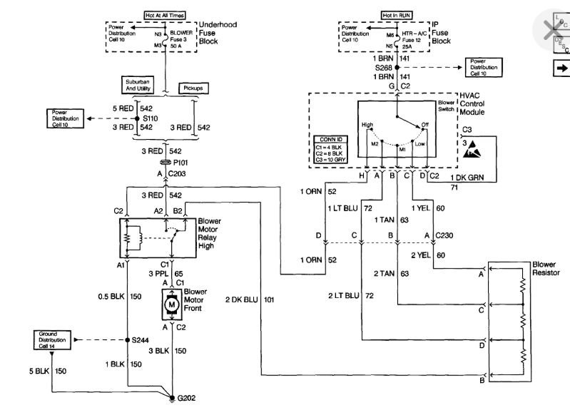
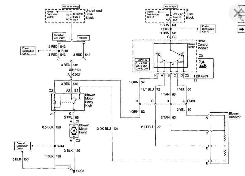
The front AC is not blowing at all, the rear AC blows but hot. I have tried to charge to get the AC to at least blow cold in the back but the clutch kicks on the kicks off. I am at a loss as to what to look for. Some tell me I need to change the blend door actuator, but I cannot figure out to get to the right side of it to unbolt it and I feel like that has nothing to with it at all.



