Sunday, October 27th, 2019 AT 6:13 PM
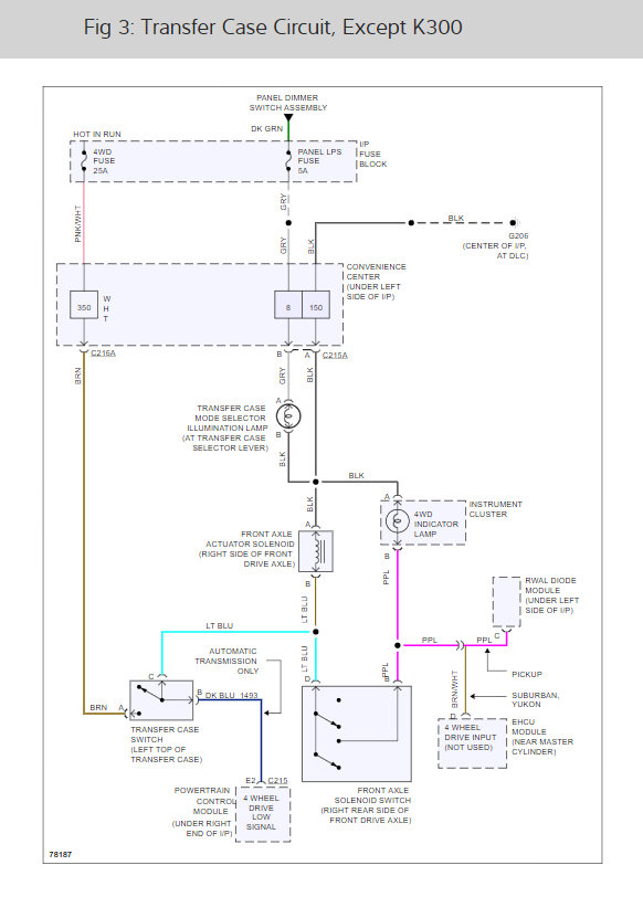
Hi, I have the truck listed above with floor shift 4x4. I put a new actuator in and it still won’t go in to 4 hi or 4 low. The transmission with shift into the low gear but only 2 wheels spin. When you leave actuator plugged up and and take it out of the front axle shaft it works, but when you put it back in it won’t engage and it blows a fuse.

